Probleme mit Frischluftgebläse (Profis gefragt)
Hallo liebe Forum Kollegen!
Ich habe leider ein größeres Problem mit meinem Frischluftgebläse für den Innenraum!
Kurz zu Erklärung was genau passiert ist.
Der Wagen steht sein ca. einer Woche in der Garage.
Als ich in wiedermal ausfahren wollte ist meiner Freundin aufgefallen dass das Gebläse einmal auf voller Leistung lief und die nächste Sekunde auf einmal wieder ganz ruhig lief!!!
Darauf hatte ich probiert ob sich was ändert wenn ich das Frischluftgebläse manuell umschalte und siehe da es funktionierte überhaupt nicht.
Kurz gesagt wenn ich auf volle Leistung ging drehte sich der Motor genau so weiter als wenn ich auf null Leistung stellte.
Als wir das Auto dann abstellten lief das Frischluftgebläse auf einmal für ca. 30 Sekunden weiter obwohl ich den Zündschlüssel abgezogen hatte!!!
Darauf probierte ich alle Knöpfe der Klimatronic durch und alles funktioniert außer halt die Manuallverstehlung.
Als wir dann mit dem Auto abends nachhause fuhren bemerke ich auf einmal das sich die Klimaanlage nicht mehr einschalten lies aber auf einmal ging die manuell Verstellung wieder.
Wie wir dann zuhausen waren hatte ich meinen Tester angeschlossen und es wurden auch ein paar Fehler hinterlegt!
Adresse 08: Klima-/Heizungsel. Labeldatei: 4F0-910-043.lbl
Teilenummer SW: 4F0 910 043 B HW: 4F1 820 043 AL
Bauteil: KLIMABETAETIGUNGH30 0070
Revision: 00000073 Seriennummer: 00000000609089
Codierung: 0006422
Betriebsnr.: WSC 02325 785 00200
VCID: 1D35DD47BD21
3 Fehlercodes gefunden:
00256 - Geber für Kältemitteldruck/-temperatur (G395)
002 - unterer Grenzwert unterschritten - Sporadisch
Umgebungsbedingungen:
Fehlerstatus: 00100010
Fehlerpriorität: 3
Fehlerhäufigkeit: 1
Verlernzähler: 204
Kilometerstand: 103654 km
Zeitangabe: 0
Datum: 2018.03.10
Zeit: 17:53:25
01844 - Steuergerät für Frischluftgebläse (J126)
004 - kein Signal/Kommunikation - Sporadisch
Umgebungsbedingungen:
Fehlerstatus: 00100100
Fehlerpriorität: 3
Fehlerhäufigkeit: 3
Verlernzähler: 204
Kilometerstand: 103599 km
Zeitangabe: 0
Datum: 2018.03.10
Zeit: 16:46:52
Umgebungsbedingungen:
Temperatur: 27.0°C
Geschwindigkeit: 7.0 km/h
(keine Einheit): 31.0
(keine Einheit): 214.0
02071 - Lokaler Datenbus
012 - elektrischer Fehler im Stromkreis - Sporadisch
Umgebungsbedingungen:
Fehlerstatus: 00101100
Fehlerpriorität: 3
Fehlerhäufigkeit: 2
Verlernzähler: 204
Kilometerstand: 103599 km
Zeitangabe: 0
Datum: 2018.03.10
Zeit: 12:39:44
Als ich dann den Diagnose Bericht hatte löschte ich die Fehler und probiert alles nochmal durch und außer die manuell Verstellung des Gebläse funktionierte alles wieder!
Also ich nächsten Tag es nochmal probieren wollte ging auf einmal das Gebläse überhaupt nicht mehr aber alles andere funktioniert ohne Probleme!
Und im Fehlerspeicher wurde nur mehr dieser hinterlegt.
Adresse 08: Klima-/Heizungsel. Labeldatei: 4F0-910-043.lbl
Teilenummer SW: 4F0 910 043 B HW: 4F1 820 043 AL
Bauteil: KLIMABETAETIGUNGH30 0070
Revision: 00000073 Seriennummer: 00000000609089
Codierung: 0006422
Betriebsnr.: WSC 02325 785 00200
VCID: 1D35DD47BD21
1 Fehlercodes gefunden:
02071 - Lokaler Datenbus
012 - elektrischer Fehler im Stromkreis
Umgebungsbedingungen:
Fehlerstatus: 00101100
Fehlerpriorität: 3
Fehlerhäufigkeit: 2
Verlernzähler: 204
Kilometerstand: 103654 km
Zeitangabe: 0
Datum: 2018.03.11
Zeit: 10:33:11
Ich muss dazu sagen ich habe bei mir das MMI 3G nachgerüstet und dadurch beim Gateway sehr viele Kabel umlöten müssen!
Meine Vermutung ist eher das sich da eine Lötstelle gelöst hat!
Was mein ihr dazu?
LG Gerald
Ähnliche Themen
62 Antworten
Fahrerseitig
Kann da was passieren in der Klimaanlage wenn ich den Druckschalter ausbaue? Bzw. Kann ich den abgebaut lassen ohne das was rausläuft ? Oder ist der reparabel wenn ich diesen ausbaue!? Kann ja sein das der Drucksensor ja durch Korrosion nicht geht. Alle Werkstätten hier sagen es liegt am Stellmotor. Und noch eine
WICHTIGE SACHE:
bevor mein Gebläsemotor aufgehört hat zu laufen habe ich 2-3 Tage vorher keine Richtige Kühlung im Innraum gehabt, die war anstatt kalt lauwarm. Also ich hatte Praktisch die Klimaanlage auf low weil es echt heiß war draußen, und da ist mir das halt aufgefallen dass das Geblöse Tag für Tag Sporadisch Luft gegeben hat ins Innere. Ich vermutet das kein Kühlmittel drin ist bzw. Zu wenig, und deswegen auch der Motor nicht läuft. Ist ja eigentlich das Selbe Prinzip wie die Sache mit dem Druckschalter? Oder irre ich mich ?
Ob da minimal Kühlflüssigkeit rauskommt wenn du den Sensor ausgebaut lässt kann ich nicht sagen.
Es ist vorn Sensor auf jedenfall ein Ventil dass das verhindernt.
Kauf dir einfach um 80€ so einen Sensor (bitte nicht gebraucht) und mach es in einen Zug und wenn der Fehler wirklich nicht verschwinden sollte kannst den Sensor im Fall aller Fälle zurückgeben. (so wars bei mir)
Wenn der Sensor einen defekt hat lässt sich die Klimaanlage nicht einschalten (so wars am Anfang bei mir) später als ich dann durch herum probieren (Steck ausstecken, Sicherung raus rein usw.) lies sich auf einmal wieder die Klimaanlage einschalten obwohl der defekte Sensor noch drin war.
Vielleicht wars bei dir genau so und der Lüfter ging bei mir wenn er ging nicht ganz schwach.
Man kann via VCDS den Druck von Sensor (Kühlflüssigkeits Druck) auflesen das bei mir aber soviel ich mich erinner kann nicht ging.
Also ich den Neuen dann verbaut hatte konnte ich es wieder auslesen.
Hast du eigentlich dein Gebläsesteuergerät auf ein neues getauscht oder auf ein gebrauchtes?
Ich frag nur den bei mir wars so also ich den Sensor gewechselt habe habe ich nach ca. 1 Woche mein altes Gebläsesteuergerät wieder rein und es funkionierte ohne Problem und hab das neue zurückgegeben.
Sind doch so viel ich mich erinnern kann 280€.
Zum Thema Werkstätten:
Ich will hier wirklich kein schlecht machen aber was ich da schon mitgemacht habe ist das was bei Ihnen Fall ist noch harmlos.
Darum habe ich mir angefangen das ich immer mit gehe wenn die was an mein Fahrzeug mache.
Und man muss sagen das der Fehler nicht eindeutig ist und die Klimaanlage aus sovielen Komponenten besteht da wo es wirklich schwierig werden kann falls was nicht richtig läuft.
Aber frag mal deine Werkstatt ob Sie mal in Stromlaufplan reingeschaut haben und wieso der Datenbus Fehler im Fehlerspeicher hinterlegt ist.
Bin neugierig was sie dazu sagen ;)
Zitat:
@suicide392 schrieb am 31. Mai 2018 um 16:33:33 Uhr:
Zum Thema Werkstätten:
Ich will hier wirklich kein schlecht machen aber was ich da schon mitgemacht habe ist das was bei Ihnen Fall ist noch harmlos.
Darum habe ich mir angefangen das ich immer mit gehe wenn die was an mein Fahrzeug mache.
Sehr gute Entscheidung.
Hallo ... vielleicht kann mir jemand kurz erklären?
Was im MMI für die Klimaanlage, dass bedeutet Einstellung Synchronisation ? Welche Einstellung ist vom Vorteil Ein oder Aus?
Danke im voraus .. ??
Ein ist ok, da die Linke und die Rechte Seite dann gleich kalt oder gleich warm wird. Du hast ja die Möglichkeit links oder rechts die Temperatur für jeden selbst so einzustellen wie er es mag. Wenn du auf dein Tempregler länger gedrückt bleibst dann stellt er Sync und du hast den gleichen Effekt wie in der Einstellung in der du gerade bist. Der tritt ist nur für faule um nicht in die Einstellung zugehen heheheh
Zitat:
@GalanAudia6 schrieb am 31. Mai 2018 um 17:53:16 Uhr:
Ein ist ok, da die Linke und die Rechte Seite dann gleich kalt oder gleich warm wird. Du hast ja die Möglichkeit links oder rechts die Temperatur für jeden selbst so einzustellen wie er es mag. Wenn du auf dein Tempregler länger gedrückt bleibst dann stellt er Sync und du hast den gleichen Effekt wie in der Einstellung in der du gerade bist. Der tritt ist nur für faule um nicht in die Einstellung zugehen heheheh
Ah Ok ... super und vielen Dank! Irgendwie wurde meine Klimaanlage nicht richtig kalt. Ich habe dann die Pollenfilter schnell kontrolliert (waren dicht) und kurz den gröbsten Dreck rausgekratzt und aus geklopft! Und nun kühlt Sie wieder so richtig schön (besorge morgen neue) und dann fand ich die Einstellung im MMI.
Vielen Dank für die schnelle Antwort ...
Kein Problem.
Um nochmal zum Fehler zukommen, der Fehler wird ja Mechanisch angegeben !!! Hast du eine Idee wieso und ob das dann doch nicht was mit dem Kältemittel oder doch mit dem Stellmotor zutun hat. Was ich mir nicht erklären kann. Da ich wie gesagt schon denn alt neuen Gebläsekasten ja an die 2 Kabel ran gemacht habe, und er den Fehler ja wieder schmeißt. Unwahrscheinlich das da Stellmotoren kaputt sind
Du hast ja den Gebläsemotor gewechselt.
Da ist man gezwungen das man den V113 ausbaut und der Einbau ist so viel ich mich erinnern kann ziemlich verzwickt.
Vielleicht ist beim Einbau was schief gegangen und er kommt nicht an die Position auf die er soll.
Oder er hat ein defektes Zahnrad.
Nur so könnte ich den Fehler mir erklären.
Aber der hat zu 100% nichts mit dem Gebläsemotor zu tun.
Lässt du alles in der Werkstatt machen oder schaubst du selbst dran?
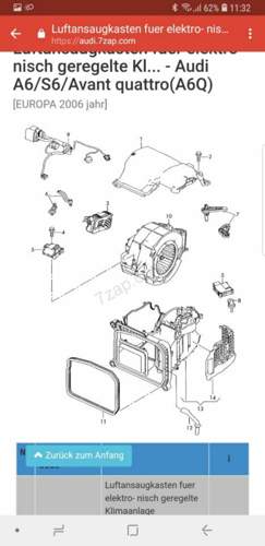
Ich mach das Selber. Schau mal auf dem Bild }> POSITION 5 gibt es 2x und ich habe den Stellmotor am Motor der dran ist gewechselt, aber nicht denn anderen der links ist. Könnte ja sein das dieser ein Problem hat, was logisch wäre für die Fehlerbeschreibung
Jop laut Fehlerspeicher sieht es so aus.
Na ich werd mal heute den kompletten Kasten Abbauen und dann schauen das ich den zweiten Stellmotor wechseln kann. Laut Fehlerspeicher soll ja eins von denn beiden klemmen bzw kaputt sein
Aber kannst du mir erklären wieso dann der Motor nicht gelaufen ist als ich den neuen Gebläsekasten dran hatte ohne irgendwas zu wechseln!???? Einfach Kabel ab beim Alten und Kabel wieder ran beim neuen. Ich mein da müsste er sich drehen oder muss der Kasten an der Karosse dran sein dafür das er so in der Art ein Kontakt bekommen muss um zu funktionieren oder wie kann ich mir das erklären ?
