Pumpe Scheibenwaschanlage
Hallo,
leider ist mir obwohl ich der Meinung war genügend Frostschutz im Wischwasser zu haben das gesamte System vereist.
Fahrzeug stand leider mehrere Tage im Freien bei bis zu -20 Grad C.
Die Pumpe(n) gibt keinen Ton mehr von sich, weder für vorne noch für hinten
Nun zu meinen Fragen:
Hat der Avant eine oder zwei Pumpen zur Scheibenreinigung?
Sind diese abgesichert? Wenn ja wo steckt die Sicherung, denn in der BDA habe ich nichts gefunden?
Hatte jemand auch dieses Problem?
In meiner TG hat es momentan zwischen -4 und -1 Grad C, das reicht aber scheinbar nicht es aufzutauen.
Wo steckt die Pumpe denn genau und wie komme ich da am besten ran?
Die Sufu hat mir leider nicht geholfen...........
Und bitte keine Ratschläge wie: Man sollte immer Frodtschutz usw.......... ist nicht so hilfreich!
Vielen Dank
Beste Antwort im Thema
Die Pumpen sitzen direkt am Behälter, der Behälter sitzt im linken Radkasten und geht nur nach unten raus.
Sicher das keine Sicherung defekt ist???
Frontscheibe und SWRA sind übrigens eine pumpe!
Mfg Senti
Ähnliche Themen
53 Antworten
@ senti
Danke für die Info, jetzt ist es finster draußen, Sicherungen checke ich morgen früh.
Werden die Pumpen so selten kaputt, dass man nix davon liest hier im Forum?
Grüße Bert
Habe bisher nur von undichtigkeiten gelesen... klick hier
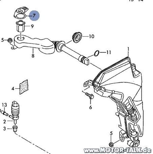
Hier mal ein Bild damit du weisst was dir bei einem defekt bevor steht! :D
mfg
@ senti
Danke für das Bild. Danke für die Hilfe bei der SuFu, der Link hilft mir. Falls es nicht die Sicherung ist ...
http://www.motor-talk.de/.../...wischwasserbehaelter-t2450350.html?...
OT
jetzt weiß ich wen ich fragen kann, wenn ich bei der Suche nicht weiterkomme...
Grüße
Bert
Guten Sonntag Morgen,
die Pumpe pumpt wieder, aber keiner weiß warum.
Nachdem ich gestern früh nochmal versucht habe, hat die Scheibenwaschpumpe wieder funktioniert.
Was kann denn das gewesen sein?
Ausgeschlossen; zu wenig Frostschutz, den habe ich pur eingefüllt, ausserdem hatte es ca 2° als die Pumpe nicht wollte.
Sicherungen habe ich gar nicht mehr kontrolliert, wozu auch?
Grüße
Bert
Dann kann ich mir nur vorstellen das deine Wischerdüsenheizung nicht mehr funktioniert, es im Fahrtwind dann doch kälter war an den Düsen, sodass die Düsen eingefroren waren.
Wenn man Frostschutz nach kippt sollte man auch etwas sprühen damit es auch in Die Leitungen und Düsen kommt.
Oder war es doch was anderes?
Wie sagt Der Fachmann: Weiterfahren und beobachten !
In diesem Sinne- Frohes Fest
Senti
2 Pumpen sind verbaut, man kommt an diese ran indemman vorne links das Rad abmacht, anschließend muss die radhausschale abgenommen werden, danach sieht man den Tank und die Pumpen auf der rechten Seite!
Ist ne ziemliche Fummel Arbeit wenn man da etwas dran machen möchte!
Zitat:
Original geschrieben von lover18gue
2 Pumpen sind verbaut, man kommt an diese ran indemman vorne links das Rad abmacht, anschließend muss die radhausschale abgenommen werden, danach sieht man den Tank und die Pumpen auf der rechten Seite!
Ist ne ziemliche Fummel Arbeit wenn man da etwas dran machen möchte!
Stimmt, schrieb ich schon, siehe oben!
.....aber doppelt hält besser ;)
Zitat:
Original geschrieben von derSentinel
Zitat:
Original geschrieben von lover18gue
2 Pumpen sind verbaut, man kommt an diese ran indemman vorne links das Rad abmacht, anschließend muss die radhausschale abgenommen werden, danach sieht man den Tank und die Pumpen auf der rechten Seite!
Ist ne ziemliche Fummel Arbeit wenn man da etwas dran machen möchte!
Stimmt, schrieb ich schon, siehe oben!
.....aber doppelt hält besser ;)
Ich weiß,.. Aber ich wollt auch schreiben :))
Zitat:
Original geschrieben von derSentinel
Dann kann ich mir nur vorstellen das deine Wischerdüsenheizung nicht mehr funktioniert, ....
....und beobachten !
Senti
@Senti,
Danke für die Info und die Wünsche.
Muss noch was los werden; wenn Düsen eingefroren und da nix rauskommt, dann sollte man doch die Pumpe trotzdem laufen hören... ?
Grüße aus dem gatschig verschneiten Baden bei Wien
Bert
Zitat:
Original geschrieben von Bert_H
Zitat:
Original geschrieben von derSentinel
Dann kann ich mir nur vorstellen das deine Wischerdüsenheizung nicht mehr funktioniert, ....
....und beobachten !
Senti
@Senti,
Danke für die Info und die Wünsche.
Muss noch was los werden; wenn Düsen eingefroren und da nix rauskommt, dann sollte man doch die Pumpe trotzdem laufen hören... ?
Grüße aus dem gatschig verschneiten Baden bei Wien
Bert
Jap
Zitat:
Original geschrieben von derSentinel
Die Pumpen sitzen direkt am Behälter, der Behälter sitzt im linken Radkasten und geht nur nach unten raus.
Sicher das keine Sicherung defekt ist???
Frontscheibe und SWRA sind übrigens eine pumpe!
Mfg Senti
A6 mit Xenon hat 2 Pumpen. Die grössere Pumpe ist ausschliesslich für SWRA. Die kleinere Pumpe kann sowohl nach rechtsdrehend als auch nach linksdrehend eingeschaltet werden. Ausserdem am Druckanschluss ist ein Ventil drauf, so wird wechselweise, je nach Drehrichtung der Pumpe, entweder vorne oder hinten gewaschen.
Zitat:
Original geschrieben von A6HUN
Zitat:
Original geschrieben von derSentinel
Die Pumpen sitzen direkt am Behälter, der Behälter sitzt im linken Radkasten und geht nur nach unten raus.
Sicher das keine Sicherung defekt ist???
Frontscheibe und SWRA sind übrigens eine pumpe!
Mfg Senti
A6 mit Xenon hat 2 Pumpen. Die grössere Pumpe ist ausschliesslich für SWRA. Die kleinere Pumpe kann sowohl nach rechtsdrehend als auch nach linksdrehend eingeschaltet werden. Ausserdem am Druckanschluss ist ein Ventil drauf, so wird wechselweise, je nach Drehrichtung der Pumpe, entweder vorne oder hinten gewaschen.
Ohh...Danke ! :)
Zitat:
Original geschrieben von A6HUN
Zitat:
Original geschrieben von derSentinel
Die Pumpen sitzen direkt am Behälter, der Behälter sitzt im linken Radkasten und geht nur nach unten raus.
Sicher das keine Sicherung defekt ist???
Frontscheibe und SWRA sind übrigens eine pumpe!
Mfg Senti
A6 mit Xenon hat 2 Pumpen. Die grössere Pumpe ist ausschliesslich für SWRA. Die kleinere Pumpe kann sowohl nach rechtsdrehend als auch nach linksdrehend eingeschaltet werden. Ausserdem am Druckanschluss ist ein Ventil drauf, so wird wechselweise, je nach Drehrichtung der Pumpe, entweder vorne oder hinten gewaschen.
Hallo!
Da bei mir an der Heckscheibe auch nix wäscht, aber vorne die Scheibe noch gewaschen wird, hieße dass dann, dass die Sicherung als Fehler ausfällt? (Steuerkreis über CAN-Steuereinheit, Lastkreis über die Sicherung, usw...?)
Harzliche Grüße
Euer Gasfuus
Hinten links alles trocken? ....nicht das du einen Schlauchplatzer hast!?
Da ist alles trocken. Und man hört auch kein Pümpchen jaulen.
