- Startseite
- Forum
- Auto
- Volkswagen
- Käfer, Beetle & New Beetle
- Käfer
- Ideen zu Motorproblem bei 84-er Mex
Ideen zu Motorproblem bei 84-er Mex
Hallo Leute
Bin auf dieses Forum erst vor kurzem aufmerksam geworden und melde mich gleich mit einem kniffligen Problem.
Mein Mex läuft im Standgas nur auf den Zylindern 3+4(Durch Abziehen der Zündkabel festgestellt).
Im mittleren Drehzahlbereich gibts Durchzugsprobleme und bei hoher Drehzahl läuft er normal(z.B. auf der Autobahn).
Ich habe von meinem Reservemotor die komplette Zündung umgebaut, Vergaser und das Saugrohr, letztes Wochenende den Zylinderkopf mit den Zylindern 1+2. Keinerlei Unterschied im Laufverhalten.
Ein Kompressionstest ergab fast identische Werte.
Nun bin ich ratlos.
Vielleicht hatte schon jemand anders so einen Fehler, oder auch eine Idee.
Vielen Dank
Christoph
Ähnliche Themen
34 Antworten
Tausch doch mal Verteilerkappe+Verteilerfinger und guck Dir die Zündkabel vom Zylinder 1+2 an, die schmelzen bei ungünstiger Verlegung gerne mal an der Vorwärmeleitung an... hatte ich auch schon mal :(
Zitat:
Original geschrieben von chris.schweicheln
Ich habe von meinem Reservemotor die komplette Zündung umgebaut, Vergaser und das Saugrohr, letztes Wochenende den Zylinderkopf mit den Zylindern 1+2. Keinerlei Unterschied im Laufverhalten.
Ein Kompressionstest ergab fast identische Werte.
Ich denke mal laut...
Es gibt drei logische Antworten auf diese Darstellung.
1.) Es gibt gar kein Problem.
2.) In den untereinander ausgetauschten Komponenten sind ein oder mehrere identische Fehler.
3.) Der Fehler liegt in den nicht ausgetauschten Komponenten oder Schemata.
Nr. 1.) dürfte auszuschließen sein.
Nr. 2.) Den Verteiler hast Du auch komplett gewechselt?
Nr. 3) wäre blöd, denn da ist ja kaum noch was übrig.
Die Nockenwelle fällt auch weg, denn dann müsste es die gegenüberliegenden Zylinder auch betreffen. Die Stößel? Die Funktion des Ventiltriebes wirst Du ja wohl auch besehen haben bei Deinen Bemühungen.
Der Sprit? Irgendwas Zündunwilliges?
Der Schaltplan? Wärest nicht der erste, der an falsch gesteckten Zündkabeln verzweifelt...
Was sagt denn die Nase? Wenn die Mechanik ordentlich funktioniert, die Elektrik aber nicht, müsste es auf der Seite der Zylinder 1 und 2 nach Sprit riechen, oder?
Merkwürdig finde ich aber auch, dass er überhaupt auf Drehzahl kommt. Im Leerlauf auf 2 Pötten, das geht ja so eben. Aber ich kenne es eigentlich so, dass man schon auf drei Zylindern kaum noch fahren kann. Sobald man Gas gibt, hustet sich der Motor zu Tode.
Tatsache ist auch, dass man im Leerlauf kaum unterscheiden kann, welcher Zylinder nicht zündet, durch Abziehen einzelner Stecker jedenfalls. Erst bei leicht erhöhter Drehzahl (so geschätzte 1500 rpm) merkt man einen deutlichen Abfall.
Ist also denkbar, dass sich das Problem auf Zündprobleme an einem Zylinder beschränken lässt, wobei noch nicht einmal gesagt ist, dass 3 und 4 perfekt laufen. Vielleicht zieht sich das über den ganzen Motor, nur dass 1 und 2 eben den schwächeren Eindruck machen.
Grüße,
Michael
Erst mal Danke für eure Antworten.
Noch mal zur Erklärung. Ich habe einen Reservemotor, der in einem andren Käfer verbaut ist. Ich habe nun immer schön ein Teil nach dem Nächsten abgebaut und an meinen drangebaut. Als Test dient mir immer das Absinken der Drehzahl durch einzelnes Abziehen der Kabel am Verteiler. Dabei kommt es eben zu einem deutlichen Abfall bei 3+4. Bei 1+2 tut sich nichts. Bei meinem Reservekäfer ist der Abfall bei allen Vieren gleichmäßig, allerdings nicht so stark, wie bei meinem 3.und4.
Den Verteiler habe ich komplett gewechselt, um Fehler durch Einzelteile auszuschließen.
Die Stößelstangen habe ich gewechselt, allerdings weiß ich nicht, wie es um die Tassenstößel bestellt ist. Kan man das ohne komplettes Zerlegen herausfinden?
Sprit? Glaube ich nicht, warum sollten dann nur 2 Zylinder betroffen sein.
Zündkabel falsch gesteckt- hane ich schon 300 mal kontrolliert. Ich denke ja auch immer an so dusselige Fehler.
Die Nase sagt übrigens unverbrannter Sprit und schlechter CO-Wert, was mich aber bei den beschriebenen Problemen auch nicht wundert.
Habe es auch mal mit Motorreinigung und Benzinzusatz zur Ventilreinigung versucht- kein Unterschied.
Insgesamt glaube ich ja auch eher an ne elektrische Ursache. Schlechte Masse oder so was.
Vielleicht sollte ich mal zum Bosch-Dienst fahren und ihn mal durchmessen lassen.
Aber die haben im Moment reichlich mit den ganzen Wassergekühlten zu tun.
Würde gerne weiter mit euch im Hespräch zu Problemlosungen bleiben.
Christoph
P.S. Anbei mal ein Foto des abgenommenen Zylinderkopfes
...ein erstaunliches Problem hast Du da! wenn alles ausgetauscht ist und es Trotzdem nicht besser wird...
Ich hätte da eigentlich nur noch folgende Ideen:
1.) Schmeiss ihn doch mal an, wenn er kalt ist. Ohne weiter Gas zu geben und schau, ob die Krümmer/Jrohre/Heizbirnen oder was immer du verbaut hast... gleichmäßig warm werden. Dann wisst Du ja, ob wirklich der Wagen nur auf zwei Töpfen läuft
2.) Vielleicht hast Du eine Undichtigkeit im Ansaugsystem zu Zylinder 1 und 2 und daran liegts?
3.) Wenn er doch auf allen Töpfen laufen sollte, dann könnte das von Dir beschriebene Problem im mittleren Drehzahlbereich durchaus von einer verstopften Vorwärmeleitung zum Vergaser kommen kommen. Das währe für das beschriebene Verhalten eigentlich typisch (hatte ich auch mal) Hirschgeweih ausbauen und einfach mit nem Draht durchstoßen um zu gucken ob es verstopft ist.
4. ganz banal: Hast Du die Zündkerzen gewechselt?
alles in allem würde ich am ehesten ne Kombination aus punkt 1 und 3 vermuten.
Viele Grüße, Jan
Zitat:
Original geschrieben von chris.schweicheln
Der Sprit? Irgendwas Zündunwilliges?
Der Schaltplan? Wärest nicht der erste, der an falsch gesteckten Zündkabeln verzweifelt...
Glaub nicht das die Kabel falsch gesteckt sind, wie sollte er sonst rund im hohen Drehzahlbereich laufen.
Das Kraftstoffluftgemisch ist auf beiden Seiten auch gleich, das wird es also auch nicht sein.
Tausch mal die Zündkerzen von rechts nach links.
Denke mal es wird an den Zündkabeln oder den Stecken liegen, der innere Widerstand wird wohl zu hoch sein.
Weiter laut denkend...
Okay, naheliegend also ein Elektrikproblem.
Logisch ist: die Zündanlage wurde komplett getauscht, und da es nicht besser wurde, muss es ausserhalb dessen liegen, was getauscht wurde.
Da die Zylinder "weiter weg", also die an den langen Kabeln, schlechter laufen, könnte man einen Zusammenhang vermuten. Ein schwacher Zündfunke? Allerdings spricht die Verbesserung bei Drehzahlerhöhung eher dagegen, denn die el. Energie aus der Zündspule sollte bei zunehmender Drehzahl eher kleiner werden. Andererseits könnte die Bordspannung im Leerlauf etwas geringer sein, so dass sich dieser Effekt ausgleicht.
Zusammen mit obiger logischer Bedingung ist es vielleicht sinnvoll, die Anschaltung/Versorgung der Zündspule unter die Lupe zu nehmen. Sitzt irgendwas in der Zuleitung vor Klemme 15? Manche Leute bauen sich da ja einen Vorwiderstand ein, um die Spule zu schonen, wenn man mit eingeschalteter Zündung herumsteht. Ich würde auch mal versuchsweise ein Stück Leitung direkt von der Batterie zur Zündspule führen und damit alles andere überbrücken.
Auch die Masseleitung am Getriebe wäre ein Kandidat zum Prüfen.
Jetzt fehlt mir eine grundsätzliche Information. Nach diesem Schaltplan ist die Sekundärwicklung des Zündtransformators auf einer Seite mit auf Klemme 15, was ich allerdings nicht ganz glaube. Einleuchtender wäre für mich der Anschluß am Zündspulengehäuse gegen Masse... man müsste das mal messen, aber die einzige Zündspule, die ich momentan in meiner Nähe habe, befindet sich in -7° kalter Umgebung... :( jedenfalls, wenn ich richtig läge, dann wäre es nötig, dass die Zündspule gehäuseseitig vernünftig nach Masse Verbindung hat. Schaden kann es jedenfalls nichts, und auch das (die Zündspulenbefestigung) wäre wohl eine der Komponenten, die nicht getauscht wurden.
Jo, mehr fällt mir erst mal wieder nicht ein.
Grüße,
Michael
Zitat:
Original geschrieben von Robomike
Weiter laut denkend...
Jetzt fehlt mir eine grundsätzliche Information. Nach diesem Schaltplan ist die Sekundärwicklung des Zündtransformators auf einer Seite mit auf Klemme 15, was ich allerdings nicht ganz glaube. Einleuchtender wäre für mich der Anschluß am Zündspulengehäuse gegen Masse... man müsste das mal messen, aber die einzige Zündspule, die ich momentan in meiner Nähe habe, befindet sich in -7° kalter Umgebung... :( jedenfalls, wenn ich richtig läge, dann wäre es nötig, dass die Zündspule gehäuseseitig vernünftig nach Masse Verbindung hat. Schaden kann es jedenfalls nichts, und auch das (die Zündspulenbefestigung) wäre wohl eine der Komponenten, die nicht getauscht wurden.
Michael
ne, ne, der Schaltplan stimmt!
Die eine Spule in der Zündspule schaltet über den Unterbrecher gegen Masse und die andere über die Zündkerze gegen Masse. Ein direkter Masseanschluss an der Zündspule hat da nix zu suchen!!!
Ich würde wirklich mal weiter unter die Lupe nehmen, ob er nicht doch auf allen 4 Zylindern läuft, nur eben insgesammt schlecht... Und das dadurch testen ob die Abgasanlage an den Zylindern im Leerlauf bei kaltem Motor gleichmäßig warm wird.
Ich tippe weiter darauf, dass es nicht an der Zündung liegt - is ja alles ausgetauscht -
sondern dass der miese Motorlauf im mittleren Drehzahlbereich woanders her rührt! verstopfte Vorwärmeleitung, Undichtigkeiten, o.ä....
Gruß Jan
Zitat:
Original geschrieben von chris.schweicheln
Erst mal Danke für eure Antworten.
Noch mal zur Erklärung. Ich habe einen Reservemotor, der in einem andren Käfer verbaut ist. Ich habe nun immer schön ein Teil nach dem Nächsten abgebaut und an meinen drangebaut. Als Test dient mir immer das Absinken der Drehzahl durch einzelnes Abziehen der Kabel am Verteiler. Dabei kommt es eben zu einem deutlichen Abfall bei 3+4. Bei 1+2 tut sich nichts. Bei meinem Reservekäfer ist der Abfall bei allen Vieren gleichmäßig, allerdings nicht so stark, wie bei meinem 3.und4.
Den Verteiler habe ich komplett gewechselt, um Fehler durch Einzelteile auszuschließen.
Die Stößelstangen habe ich gewechselt, allerdings weiß ich nicht, wie es um die Tassenstößel bestellt ist. Kan man das ohne komplettes Zerlegen herausfinden?
Sprit? Glaube ich nicht, warum sollten dann nur 2 Zylinder betroffen sein.
Zündkabel falsch gesteckt- hane ich schon 300 mal kontrolliert. Ich denke ja auch immer an so dusselige Fehler.
Die Nase sagt übrigens unverbrannter Sprit und schlechter CO-Wert, was mich aber bei den beschriebenen Problemen auch nicht wundert.
Habe es auch mal mit Motorreinigung und Benzinzusatz zur Ventilreinigung versucht- kein Unterschied.
Insgesamt glaube ich ja auch eher an ne elektrische Ursache. Schlechte Masse oder so was.
Vielleicht sollte ich mal zum Bosch-Dienst fahren und ihn mal durchmessen lassen.
Aber die haben im Moment reichlich mit den ganzen Wassergekühlten zu tun.
Würde gerne weiter mit euch im Hespräch zu Problemlosungen bleiben.
Christoph
P.S. Anbei mal ein Foto des abgenommenen Zylinderkopfes
Also teste erst mal RICHTIG ob er wirklich nur auf den linken (Zylinder 3+4) Töpfen läuft:
Zieh mal die Zündkabel von Zylinder 3+4 ab (wenn der Motor aus ist) und lass ihn dann an. wenn die Pötte 1+2 auch nur den Hauch eines Funkens haben, wirst Du ihn jetzt zum laufen bekommen. Umgekehrt müsste er dann problemlos gehen, wenn 1+2 abgesteckt sind.
Und wenn dann rauskommen sollte, dass er tatsächlich nur links läuft, dann stecke mal die Zündkabel um, zum Testen, ob der Verteiler Murks macht.
Hast Du ne Zündblitzpistole (ne günstige mit Induktionsmessung wäre perfekt), dann kannst Du mal alle 4 Kabel anblitzen, dann siehst Du auch ob Funken da ist, oder nicht.
Ich tipp immer noch auf defekte Zündkabel/Stecker :D Guck nach ob die okay sind, auch wenn Sie NEU waren, nachgucken kannst eigentlich nur, wenn Du die Kabel nochmal rausziehst. Die Silikondinger schmelzen Dir an der Vergaservowärmung ruck zuck weg. Hab ich selber erst erlebt.
Zitat:
Original geschrieben von janpeterstahl
ne, ne, der Schaltplan stimmt!
Die eine Spule in der Zündspule schaltet über den Unterbrecher gegen Masse und die andere über die Zündkerze gegen Masse. Ein direkter Masseanschluss an der Zündspule hat da nix zu suchen!!!
Nee, das ist unlogisch für mich als ollen Elektroniker.
Über die Beschaltung der Primärspule sind wir uns einig, da brauchen wir nix weiter zu zu sagen.
Die Sekundärspule erzeugt aber ein Potential gegen Masse. Der Zündfunke geht ja gegen Masse. Das heisst, wenn eine Seite der Wicklung das Potential zur Verfügung stellt, muss die andere mit Masse verbunden sein, sonst ergibt sich kein Stromkreis.
Wobei die Beschaltung gegen Plus des Bordnetzes für die Hochspannung kein wirkliches Hindernis darstellt, bei 3000 Volt oder so kommt es auf 12 mehr oder weniger nicht an. Allerdings sehe ich keinen vernünftigen Grund, Hochspannungspulse in die Bordspannungsversorgung zu jagen.
Grüße,
Michael
Zitat:
Original geschrieben von Robomike
Zitat:
Original geschrieben von janpeterstahl
ne, ne, der Schaltplan stimmt!
Die eine Spule in der Zündspule schaltet über den Unterbrecher gegen Masse und die andere über die Zündkerze gegen Masse. Ein direkter Masseanschluss an der Zündspule hat da nix zu suchen!!!
Nee, das ist unlogisch für mich als ollen Elektroniker.
Über die Beschaltung der Primärspule sind wir uns einig, da brauchen wir nix weiter zu zu sagen.
Die Sekundärspule erzeugt aber ein Potential gegen Masse. Der Zündfunke geht ja gegen Masse. Das heisst, wenn eine Seite der Wicklung das Potential zur Verfügung stellt, muss die andere mit Masse verbunden sein, sonst ergibt sich kein Stromkreis.
Wobei die Beschaltung gegen Plus des Bordnetzes für die Hochspannung kein wirkliches Hindernis darstellt, bei 3000 Volt oder so kommt es auf 12 mehr oder weniger nicht an. Allerdings sehe ich keinen vernünftigen Grund, Hochspannungspulse in die Bordspannungsversorgung zu jagen.
Grüße,
Michael
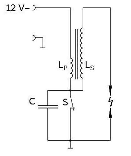
Hi Michael, ich glaub ich hab die Lösung unseres Zündproblems:
Wenn ich das richtig verstehe, dann ist die Sekundärspule der Zündspule über den Kondensator gegen Masse geschaltet. Habe da bei Wiki was gefunden s.Bild.
Aber Ich bleibe dabei: Eine Zündspule hat keine direkte Masseverbindung!
Die Dinger sind ja sogar teilweise in Kunststoff eingegossen z.B. die blaue von Bosch und hat so garantiert keine Masseverbindung über den Halter...
Unsere Diskussion hilft zwar dem Chris nicht weiter, is aber trotzdem interessant :-)
:D
Hatte gerade das selbe problem mit dem 2. zylinder.
mach mal das licht aus so dass es schön dunkel ist und lass ihn mal laufen,
ein wahres feuerwerk, der zündkabel
der 1+2 zylinder haben längere kabel und obwohl meine neu sind, darf man sie nicht zu sehr an der masse verlegen , weil sonst die ganze spannung flöten geht.
probiers mal wenn du die beiden kabel ohne massekontakt (am metall entlang) verlegst und ihn dann laufen lässt.
Mal doof gefragt: Ventile sind richtig eingestellt? Wenn ja, schau dir doch mal die Kipphebel und Stößelstangen
Eingelaufen, abgenutzt oder gar gebogen? Wär alles schon mal da gewesen.
Erstmal Danke!!! für die Tips. Werde morgen nochmal testen und melde mich dann mit dem Ergebnis.
Christoph
Zitat:
Original geschrieben von Robomike
Nee, das ist unlogisch für mich als ollen Elektroniker.
Über die Beschaltung der Primärspule sind wir uns einig, da brauchen wir nix weiter zu zu sagen.
Die Sekundärspule erzeugt aber ein Potential gegen Masse. Der Zündfunke geht ja gegen Masse. Das heisst, wenn eine Seite der Wicklung das Potential zur Verfügung stellt, muss die andere mit Masse verbunden sein, sonst ergibt sich kein Stromkreis.
Wobei die Beschaltung gegen Plus des Bordnetzes für die Hochspannung kein wirkliches Hindernis darstellt, bei 3000 Volt oder so kommt es auf 12 mehr oder weniger nicht an. Allerdings sehe ich keinen vernünftigen Grund, Hochspannungspulse in die Bordspannungsversorgung zu jagen.
Grüße,
Michael
Die Zündspule benötigt keine Verbindung zur Masse! Die kannst sogar in der Hand halten, der Motor läuft trotzdem.
Der Tipp die Temperatur der Abgasanlage nahe am Zylinderkopf zu prüfen ist wirklich gut. Da gibt dir sehr schnell eine Auskunft welche Zylinder leer mitlaufen. Dazu brauchst am besten noch zwei Personen, einer fässt an der anderen Seite die Abgasrohre an und der dritte startet den Motor. Da brauchst auch keine Angst haben vor Verbrennungen bis der so heiß wäre dauert das schon ein paar Sekunden. Wirst schon loslassen, bist ja nicht wie der Frosch im Kochtopf :)
