- Startseite
- Forum
- Auto
- Opel
- Omega & Senator
- Omega B V6 - Rätselhafter Kühlwasserverlußt Fahrerseite hinten
Omega B V6 - Rätselhafter Kühlwasserverlußt Fahrerseite hinten
Hi Ihr Lieben,
ich brauche dringend einen Rat von Euch, da wie ich gelesen habe, hier wohl die Fachmänner für Opel Omega b sind und mir wohl doch noch ein wenig Hoffnung machen könnten.
Ich habe einen Omega b 2,5L V6 Facelift, Bj. 2000 welcher ziemlich viel Wasser verliert.
Zuerst dachte ich, es läge an der Heizung bzw. am Heizungsventil, da nach mehrmaligen kontrollieren Dieses aber trocken war incl. der Schlauchanschlüsse, bin ich hergegangen und habe sämtliche Dichtungen erneuert. (Thermostat, Ölkühler, Brücke). Danach habe ich alles wieder zusammen gebaut, Motor auf Temperatur gebracht und siehe da es kam kein Wasser, selbst nach einer Probefahrt nicht.
Den Morgen drauf bin ich 3 Km zum Einkaufen gefahren und er verliert wieder genauso viel wie vorher.
und man kann nicht sehen wo es her kommt.
Definitiv, wenn man davor steht mehr auf der rechten Seite, zwischen Motor und Getriebe.
Habe es versucht mit einer Teleskopkamera zu lokalisieren, jedoch erfolglos.
Nun sehe ich unseren Heiligabend gestorben, da wir dadurch nicht weg kommen und unsere Enkel nicht besuchen können.
Ich hoffe sehr, das mir jemand helfen kann.
L G
Chris
Beste Antwort im Thema
ich glänze dann mal mit Kurt´s tollen Bildern zum wechsel des Wärmetauschers...
https://picasaweb.google.com/.../...tauscherWechselnEinfachGemacht?...
So hab ichs auch gemacht....die Wärmetauscher gibts ab 25 Euro...
Ähnliche Themen
302 Antworten
Dann würde ich das einmal Kontrollieren,meiner hatte da schon Wasser verloren.Der O-Ring kostet auch nur so 3 Euro.
Hinter dem Dis Modul ist nichts wo Wasser verlieren könnte.Da müßte schon der Kopf einen Riss haben..Da wäre dann aber schon eher die ZKD durch..
feet..
Die Dichtung ist genau in der Mitte vom Motor,mit viel Glück ist es die.
Aber ich würde auch einmal auf die ZKD tippen :(
Die Temperaturanzeige zeigt ganz normal Temperatur an, wahrscheinlich aber nur solange, wie noch genug Wasser im Kreislauf ist.
Sie geht bis ca 90 Grad und danach öffnet wohl das Thermostat, da die Anzeige bis auf ca 85 Grad herab fällt.
L G
Chris
Zitat:
Original geschrieben von Frank24v
Die Dichtung ist genau in der Mitte vom Motor,...
Hi,
Ich hab dir mal ein Bild mit angehängt ( grünes Rechteck )....soviel zur Mitte . :)
Chris für dich kommt auch noch ein Bild , muß es grad suchen .
Hi,
Ich weiß nicht obs dir hilft , aber hier das Bild ohne den ganzen Kladeradatsch hinten .
Lol feet.
Ich denke da haben wir aneinander vorbei geredet,ich meinte den Dichtring vom Kühlmittelrohr in der Mitte..
Aber der Zylinderkopf,hat hinten auch 2 ,,Blindstopfen,,
Nur keine Ahnung ob die auch Undicht werden können:confused::confused:
Aber die sind hinter dem DIS Modul
** Sorry von wegen da ist nichts mehr hinter dem DIS:( **
feet war schneller :D
Hi,
Ah jetzt ja . :)
Zitat:
Original geschrieben von Oldsam1
Wenn er undicht wäre, hätte er denn dann nicht Druckverlust haben müssen?
Das Verhalten ist als wenn irgend ein Ventil zur gegebenen Zeit öffnet und ein paar Minuten später wieder schließt.
L G
Chris
----------------
Das hatte doch schon einer geschrieben, spricht genau für das Kühlmittelabsperrventil ! Und da deiner das anscheinend schon länger hat, könnte auch immer nur Wasser aufgefüllt worden sein.
Im übrigen muß er Druckverlust haben, wenn er Kühlflüssigkeitverliert. Wenn vielleicht auch nur dann wenn das Kühlmittelabsperrventil öffnet.
Wenn er betriebswarm ist, das Kühlmittelabsperrventil mal ruhig 15 Minuten nach abstellen des Motors beobachten.
Werde ich morgen noch mal probieren.
Nur, man sieht eben an diesem Ventil nichts.
L G
Chris
Mir wäre es der Versuch wert, ich meine bevor ich beim V6 die ZKD wechseln muß.
Vom Händler oder Privat ?
Das Kühlmittelventil öffnet doch nur mit Unterdruck, d.h. wenn der Motor läuft. Wenn abgestellt wird geht doch das Ventil in eine Ruhestellung.
Was, wenn nur in der Stellung "offen" also bei laufendem Motor das Ventil undicht ist und nach Motorabstellen der Fehler nicht feststellbar ist.
Ich würde genau auf austretende Kühlflüssigkeit untersuchen - wenn nötig mit der "Geschmacksprobe" (Finger drauf und "kosten" ob süß).
Ja, ich habe das schon öfters gemacht und ich lebe immer noch :rolleyes::p
LG robert
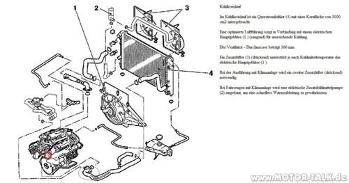
Hallo! was ist das eigentlich für ein Wasserschlauch im blauen Oval-roter Pfeil,unterhalb vom Heizungsregelventil ? sitzt ja gleich neben dem DIS-Modul! ist das der Füllschlauch vom Ausgleichbehälter!
außerdem ist dort ein Kühlmittelflansch,sieht man gut auf Feet seinem Bild(rotewr Hintergrund),
da ist sogar der Ölkühler im Motorblock durch das Loch zu erkennen!
mfg
Hi,
Rosi , das ist der Rücklaufschlauch vom Heizkörper im Innenraum .
Das ist richtig Feet,aber der Flansch wo dieser Schlauch draufsitzt!
schaue Dir die rot markierten Stellen an!
wenn es da rauskommt läuft es über die Getriebeglocke ab!
mfg
@rosi
kann es sein, dass das von von dir angesprochene Bild den Calibramotor zeigt?
Siehe .pdf
Der Schlauch mit dem grünen Punkt müßte der von dir markierte sein, das ist lt Teilekatalog Heizungsschlauch Vorlauf, und der so komisch gekrümmte (roter punkt - Verbindung Kühler an Motor Einlass) sieht im Teilekatalog auch ganz anders aus.
LG robert
Hi,
Ich weiß nicht , mit der Endoskopkamera muß das doch alles einfacher rauszufinden sein .
Wenn das Plastikgedöns unter der Scheibe weg ist , kommt man gut ran , der Rest macht der Schwanenhals und die Kamera .
Noch etwas grundsätzliches zum Absperrventil :
Das Absperrventil wird durch eine Feder in geöffneter Stellung gehalten .
Erst die Microschalter an der Klima geben ein Signal an das im Fahrerfußraum sitzende Magnetventil .
Dieses läßt den Unterdruck zum Absperrventil durch und zieht die Feder nach oben sodaß der Weg zum Heizkörper abgesperrt wird .
Jetzt läuft das heise Wasser über den Bypass in den Motor ohne den WT zu durchspülen .

