Ladedruck fehlt / 2.0 HDI
Hallo allerseits,
ich versuche mir selbst zu helfen nachdem ich schon wochenlang mit der Werkstatt rum eiere.
Bei meinem 2.0 JDT (HDI) Motor wurde der Turbolader getauscht, trotzdem fehlte immer noch die Turbo kraft.
Ich denke die Ladedruckregelung ist nicht in Ordnung.
Laut Werkstatt gibt es nur sehr oberflächliche Info´s zu dem Motor und speziell der Ladeluftregelung.
Wo kann ich Beschreibungen zu diesem Motor bekommen?
Wer kennst sich mit dieser Thematik sehr gut aus?
Vielen Dank im voraus
R. Hochhaus
Ähnliche Themen
30 Antworten
Hallo,
ich habe bei einem 307 SW 2.0 HDi Baujahr 05 ein Problem mit dem Turbolader, und zwar hat dieser keine Leistung mehr.
Ich habe mal den Fehler ausgelesen und dort wird der Fehler: P0299 - Turbolader- geringer Ladedruck angezeigt
Wenn ich Gas gebe, zieht sich vorne der Schlauch zusammen.
Bedeutet das, dass ich einen neuen Turbolader brauche oder gibt es noch eine andere und hoffentlich günstigere Möglichkeit das Problem zu beheben?
Bin für jeden Tipp dankbar.
MfG
Olli
[Von Motor-Talk aus dem Thema '307 SW HDI - Turbolader kaputt?' überführt.]
Hallo Olli,
es ist möglich, dass nur das sogenannte Druckwandler-Regelventil, dass die Stellung der variablen Turbo Geometrie VTG regelt, defekt ist. Ich würde dieses Ventil und auch seine Unterdruck Zu- und Ableitungen, sowie seine E-Leitung zum ECU (Motorsteuergerät) prüfen (lassen), bevor ich über einen neuen Turbolader nachdenken würde.
Gruß!
[Von Motor-Talk aus dem Thema '307 SW HDI - Turbolader kaputt?' überführt.]
Wo sitzt dieses Druckwandler-Regelventil und wie kann ich das testen? Habe schonmal geguckt, ob ich einen defekten/ porösen Schlauch sehe, aber habe nichts gefunden.
[Von Motor-Talk aus dem Thema '307 SW HDI - Turbolader kaputt?' überführt.]
Zitat:
Original geschrieben von Ollinho
Wo sitzt dieses Druckwandler-Regelventil und wie kann ich das testen? Habe schonmal geguckt, ob ich einen defekten/ porösen Schlauch sehe, aber habe nichts gefunden.
Zwischen Motor und Bordwand zum Fahrgastraum sitzt der Turbolader (im Abgasteil). Direkt am Turbolader sitzt einen kleine Unterdruckdose (mit einer Stange in den Turbolader hinein, zur VTG Steuerung) zu der ein E-Kabel des Rückmelders und ein kleiner Unterdruckschlauch führt. Zieh den Schlauch ab und starte den Motor. Der Unterdruck, der jetzt Luft in den Schlauch einsaugen sollte ("sollte", denn dort wird nur gesaugt, wenn das besagte Unterdruck-Regelventil geöffnet hat) ...sollte Deine Fingerkuppe spürbar ansaugen.
Falls da nix saugt ...verfolgst Du einfach den Unterdruckschlauch ...und findest das Unterdruck-Regelventil ;)
Gruß!
[Von Motor-Talk aus dem Thema '307 SW HDI - Turbolader kaputt?' überführt.]
Der Schlauch, der sich beim Gasgeben zusammenzieht ist ein ziemlich dicker?
Falls ja, den mal an einem Ende abmachen und kiecken was passiert, wenn du jetzt Gas gibst.
Wenn sich so ein dicker Schlauch zusammenzieht, fehlt doch irgendwo Luft, oder? Turbo kann dann normal nicht richtig laufen...
Was fuer ein 2l ist denn das? HDI 110, oder 138?
Der 110 haette der einen VTG lader?
[Von Motor-Talk aus dem Thema '307 SW HDI - Turbolader kaputt?' überführt.]
Ja, das ist der Schlauch, der vom Ladeluftkühler zur Ansaugbrücke geht.
Werde das mal morgen ausprobieren? Was sollte denn dann passieren? Müsste ein 2.0 Hdi 135 sein, wenn ich mich nicht irre.
[Von Motor-Talk aus dem Thema '307 SW HDI - Turbolader kaputt?' überführt.]
Zitat:
Original geschrieben von Ollinho
Was sollte denn dann passieren?
Dann sollte er zumindest genug Luft bekommen und wieder genug Leistung haben...
Zitat:
Original geschrieben von Ollinho
Müsste ein 2.0 Hdi 135 sein, wenn ich mich nicht irre.
OK, dann hat der einen VTG Lader..
[Von Motor-Talk aus dem Thema '307 SW HDI - Turbolader kaputt?' überführt.]
Ok. Ich werde morgen mal testen und später berichten.
[Von Motor-Talk aus dem Thema '307 SW HDI - Turbolader kaputt?' überführt.]
Ich habe keine weitere Verbesserung feststellen können und bei Peugeot meinten die auch, dass der Turbo defekt sei.
Hat jemand eine Anleitung für den Turboladerausbau und kann mir diese zukommen lassen?
[Von Motor-Talk aus dem Thema '307 SW HDI - Turbolader kaputt?' überführt.]
Hallo,
nach kurzer Suche habe ich was beim Peugeotboard gefunden:
http://www.peugeotboard.de/.../...urbolader-ausbauen-bzw-einbauen.html
Gruß, Tomasz
[Von Motor-Talk aus dem Thema '307 SW HDI - Turbolader kaputt?' überführt.]
Zitat:
Original geschrieben von Ollinho
Ich habe keine weitere Verbesserung feststellen können und bei Peugeot meinten die auch, dass der Turbo defekt sei.
Dann wirds vermutlich auch so sein...
Hat der auch erklaert, was da am Turbo defekt ist/sein koennte und warum sich da ein Schlauch zusammen zieht?
[Von Motor-Talk aus dem Thema '307 SW HDI - Turbolader kaputt?' überführt.]
Selber war ich mit dem Wagen nicht bei Peugeot, machen den für einen Bekannten fertig, der nicht viel Ahnung von Autos hat.
Aber ich wüßte auch nicht, was wir sonst noch probieren sollten.
[Von Motor-Talk aus dem Thema '307 SW HDI - Turbolader kaputt?' überführt.]
Zitat:
Original geschrieben von chrisjost
Der motor RHZ ist mit einem ladedruck von 0.9 -1.0 bar ab 2000 rpm ausgelegt. das wird vom steuerteil über magnetventile geregelt. sollte es dabei zum verwechseln von unterdruckschläuchen kommen kann es dabei logischer weise zu solchen unstimmigkeiten kommen.
dabei sollte man als erstes mal alle anschlüsse auf ihre sinnvolle anordnung kontriollieren.
eine drcukregelklappe befindet sich im abgaskrümmer welche durch ein Diafragma gesteuert wird , welches widerrum mit einen magnetventil verbunden ist . diese klappen haben in der regel ein regelbares gestänge. modifiziert man dieses kommt es zu einer veränderung des ladedrucks.
kontrolliere mal bitte ob sich diese klappe betätigen lässt.
chris
Hallo Chris !
Frage zum 206 HDI 2L 90PS ( bin bein einarbeiten in die HDI Technik)
Eine leichte erhöhung des LD + 0,2 -0,3bar also absolut 1,2 - 1,3bar ( über das Gestänge) sollte doch mehr Luftvolumen in den Brennraum drücken. Ich habe leider kein (Flowmap vom Lader ) aber der kleine Lader GT1546S wird diesen erhöhten Ladedruck , höchstwahrscheinlich nur im unteren Drehzahlbereich, also bis 3500 U/min bringen können. Was aber auch ausreicht. Die Frage ist nur ob auch im Einspritzkennfeld, Ansaugdrücke über 200kpa ( also bis 230kpa) im Steuerkastl "abgelegt" ist !? Denn sonst gibts ja nur mehr Luft , bei gleichbleibender Dieseleinspritzmenge, was leider zum abmagern führt. Andererseits müßte doch das Motormanagement , mit etwas tolernaz % ? , ausgelegt sein. Gibt es irgend eine andere Möglichkeit , ab einenem gewissen Ladedruck, Mehr Diesel in den Motor zu bekommen ???
Danke ! für Antwort
Zitat:
@rhochhaus schrieb am 16. September 2004 um 18:41:23 Uhr:
Bei meinem 2.0 JDT
es ist ein JTD :-)
Zitat:
@rhochhaus schrieb am 2. November 2004 um 21:48:11 Uhr:
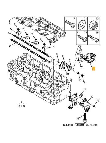
PS: wer weiß welche Funktion der angeführte Servo hat, bitte ich um Info.
"Meine" Werkstatt weiß es nämlich nicht!
Ist für die Drosselklappen, gib die OE-Nr. 9634885880 bei google ein und schaue dir die Bilder an.
Peugeot OE 0363.94 (kurz) und 0363.87 (lang)
LG
Zitat:
@Turboschlumpf5992 schrieb am 2. November 2004 um 21:48:11 Uhr:
Hurra Ladedruck und geregelt!!
PS: wer weiß welche Funktion der angeführte Servo hat, bitte ich um Info.
"Meine" Werkstatt weiß es nämlich nicht!
Diese Gestänge bedient Luftklappen im Ansaugkrümmer welche den Luftstrom regelt.
Wen das nicht regelt hast du unten oder obenrum weniger Leistung.
0363 94 DIAPHRAGME 37,50 € allerdings gibt es das nicht mehr
Versuche grad auch das Teil mit ner neuen Membran zu belegen
