- Startseite
- Forum
- Auto
- Traktoren & Landmaschinen
- Jinma 164 Y Kupplung klappert
Jinma 164 Y Kupplung klappert
Hallo,
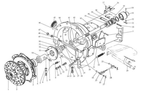
mein kleiner Traktor macht klappernde Geräusche im Kupplungsgehäuse. Die Kupplung funktioniert bisher ohne Probleme, aber wenn der Traktor einige Minuten genutzt wurde und das Kupplungspedal nicht getreten wird kommen die Klappergeräusche. Wird das Pedal gedrückt sind die Geräusche weg (siehe Video). Was kann das sein ? Ist das ein Mangel ? Schließlich habe ich noch Garantie auf den Traktor.
Gruß
landbastler
Ähnliche Themen
21 Antworten
Zitat:
@madin20VT schrieb am 28. September 2017 um 22:09:35 Uhr:
Ducati Motorräder sind bekannt für ihre klappernde trockenkupplung war mehr ein Spaß von ihm.
...Spaß ja und nein ! :D Wenn bei tausenden Ducatis das Kupplungsrasselklappern normal- und lauter als der "offene" Auspuff ist, dann wird das sanfte Säuseln der Kupplung am Traktor, eher ein Ohrenschmaus sein.
Wenn der TE aber die Antworten auf seine Frage nicht zur Kenntnis nimmt...könnte man sich so manches sparen.
Hallo madin20VT,
ich hatte dann mal die Antriebswelle vom Motor zum Getriebe in Verdacht, die hat auch Spiel. Im nachfolgenden Video ist das die Welle über dem ausgeschlagenen Kreuzgelenk. Der Händler wollte mir erklären das das Kreuzgelenk so völlig in Ordnung sei. Also das kleine Video
Gruß
landbastler
Das Kreuzgelenk ist Schrott. Die Bauart des Schiebestückes kann ich nach Foto nicht einschätzen, sieht aber nicht völlig ungeeignet aus. Falls Roland noch um die Ecke kommt, kann er dir das genau sagen.
Sieht eher so aus als hätte die Verzahnung luft, ist aber auch schwer zu sagen, weil ich das Video nicht in voller Qualität abspielen kann, ( aufm Land sind wir mit dem Internet noch nicht so weit ;) ) die Hintere welle die die am Schluss bewegst, für was ist die?
Ich denke es ist eben ein Unterschied ob man einen China Bulldog kauft, oder lieber ein Markenbulldog, aber eben gebraucht. Ich hab 5 Jahre Fendt´s reperiert. da hatten wir sowas evtl. nach 10 Jahren..
Wo Wohnst du eigentlich, wenn du in der Nähe bist, kann ich ja mal schauen.
Hallo madin20VT,
die obere Welle, die ich hin- und herschiebe, geht von der Kupplung ins Getriebe.
Zu dem "China-Bulldog". Wer lässt heute nicht in China fertigen ? Diese Traktoren werden in 60 Länder exportiert und davon große Mengen nach England und den USA. Der Motor soll ein Nachbau eines Kubotamotors sein. Ein Traktor mit dieser Ausstattung von Yanmar, Kubota oder Iseki hätte mindestens 5000 - 7000€ mehr gekostet. Ich verdiene damit kein Geld, sondern bin nur Hobbynutzer. Prinzipell finde ich den Traktor immer noch gut. Ich denke es ist ein "Montagstraktor", aber das gibt es auch bei jeder Firma.
Ich wohne auch auf dem flachen Land und habe eine 50 Mbit DSL - Leitung, wo auch durchschnittlich 44-46 Mbit durchkommen :D.
Gruß
landbastler
Zitat:
@landbastler schrieb am 22. Juni 2017 um 20:37:05 Uhr:
Hallo,
mein kleiner Traktor macht klappernde Geräusche im Kupplungsgehäuse. Die Kupplung funktioniert bisher ohne Probleme, aber wenn der Traktor einige Minuten genutzt wurde und das Kupplungspedal nicht getreten wird kommen die Klappergeräusche. Wird das Pedal gedrückt sind die Geräusche weg (siehe Video). Was kann das sein ? Ist das ein Mangel ? Schließlich habe ich noch Garantie auf den Traktor.
Gruß
landbastler
Hallo Landbastler,
Komme vielleicht ein paar Jahre zu spät ??, aber zur Erklärung vom hier geschilderten Geräusch. Ich gehe davon aus das dein Traktor eine Doppelkupplung hat, eine für den Fahrantrieb und eine für die Zapfwelle, beide werden über ein Gestänge vom Kupplungspedal aus angesteuert. Muss dazu sagen ich fahre einen Foton TE254 und bei dem ist das auch so aufgebaut. Das ist bei den China Traktoren so wie ich weiß meist so aufgebaut. Das Rasseln ist normal kommt vom trennen der Zapfwellen-Kupplung.
Vielleicht könnte ich hier jemand etwas Licht ins dunkle bringen.
VG Goldi
Hallo GoldiDD,
ja, jetzt ist die Garantie vorbei. Trotzdem danke für den Beitrag. Wenn man weiß, dass das Klappern kein Mangel ist dann stört es mich auch nicht weiter. Wie funktioniert so eine Doppelkupplung ? Von der Kupplung geht eine einzige Welle in das Getriebe und aus dem Getriebe kommt nur eine zweite Welle für den Allradantrieb.
Gruß
landbastler
