Relais
Guten morgen.
Hoffentlich kann mir hier jemand weiterhelfen
Ich faht nen Astra J ST (MJ 2015) 1,6CDTi und bin auf der Suche nach einer Relaisbelegung für den Sicherungskasten im Motorraum
Bin für jeden Hinweis dankbar
20 Antworten
die FahrzeugElektronik ist zu komplex für eine einfache Beschreibung.
Schreiben was genau gemacht werden soll oder wo das Problem liegt.
Das ist mir bewusst. Ich müßte nur wissen welches das Leiterplattenrelais für die FrontscheibenWASCHanlage im Sicherungskasten im Motorraum ist
In dem Deckel sollte eigentlich eine Belegung stehen :)
Als Piktogramm
über die steuergeräteintern leiterplattenmontierten gibt es keinerlei informationen.
Habe jetzt auch ein Problem bei unseren beiden Astra J.
Das Relais fürs Fernlicht ist ausgefallen.
Habe gedacht, es geht ganz einfach.
Aber falsch gedacht.
Es gibt fast keinerlei Unterlagen über den Sicherungskasten im Motorraum.
Habe dann unseren zweiten identischen Astra genommen, wo das Fernlicht noch geht, und das Relais
noch deutlich hörbar schaltet, aber man findet nicht heraus, welches Relais das ist und wo es genau sitzt.
Im Sicherungskasten oben habe alle Relais nacheinander gezogen, aber das Fernlicht geht weiterhin und man hört das Relais klicken.
Hat vielleicht Jemand eine Belegung der Relais von dem Sicherungskasten?
Das war bei meinem Omega aber alles besser beschriftet und es gab die ganzen Unterlagen frei zugänglich.
Nicht einmal in dem Buch "So wird es gemacht" gibt es Unterlagen dazu.
Finde diese Buchreihen habe auch gewaltig abgebaut.
Auch die Serie "Jetzt verzweifle ich (mir) selbst" bringt da nicht vernünftiges mit.
Würde mich über eine Antwort sehr freuen Otto
https://www.gme-infotech.com/info.html
Gibt es keine Angaben zu nur über die "normalen" Relais
https://www.drive2.ru/l/520370267197800846/
Da wurden die für NSW ausgetauscht.
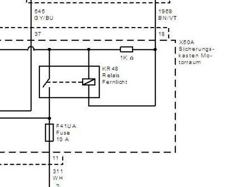
Relais KR48 ist für Fernlicht verantwortlich ud ist mit F41 (10A) abgesichert Rechts und F22 (10A) Links
Vielen Dank für die Info mit der russischen Seite.
Muss ich mal meinen Translater heute Abend bemühen.
Es scheint ja so zu sein, dass auf der Platine noch Bauteile und Relais direkt verlötet sind.
Jetzt müsste man nur wissen, welches ist das Relais KR 48 auf der Platine.!??
Kommt man an die Platine auch heran, wenn man nur den Deckel abbaut, der mit den 4 Schrauben gehalten wird??
Dann muss man nicht den gesamten Kasten zerlegen.
Denke die 3 großen Schrauben raus, die die großen Stecker sichern und die 4 kleinen Schrauben an den Ecken.
Vorher natürlich Fotos machen und alle Sicherungen und Relais entfernen.
Vielen Dank und viele Grüße Otto
Den musst du schnon komplet ausbauen und dann zerlegen, wie es ausschaut handelt es sich um eine auf PCB verlötetes Relais. Wo es sich befindet musst du schon selbst suchen.
So kompleziert soll das ja nicht sein, eben die kontakte verfolgen und durchklingeln. Es ist zwischen X50A pin 18 und 311WH Pin 11 was ja auch über F41UA geht. Es ist auch ein 1K Ohm wiederstand davor.
Den text braust du ja nicht übersetzen, da es sich da um eine Relais für Nebelscheinwerfer handelt was ausgetauscht wurde. Ist ja nur das du es halt bildlich dir anschauen kannst. insgesammt sind da 8 Relais.
Was ich auf dem Bild markiert habe ist nur eine vermutung. Eventuell Sichst du es auch so, wenn das bauteil verschmort ist.
Habe jetzt gelesen, der ganze Kasten nennt sich Lichtsteuermodul.
Muss bei Austausch erst zurückgesetzt werden und dann wieder angelernt werden.
Ich werde heute einmal schauen, ob ich mit meinem original OpCom da weiter komme.
Da kann dann ja auch noch etwas anderes defekt sein!
Sonst bestelle ich ein gebrauchtes Modul und tausche das einfach einmal aus.
Das alte kann man dann in Ruhe zerlegen und durch messen.
Wenn es dann das Relais ist kann man es tauschen und hat ein Modul in Reserve.
Bei zwei Astras kann sich das Weglegen schon lohnen.
Opel hat die Astras so perfekt gebaut, dass man immer gleich zwei Ersatzteile kaufen kann, da mit 100% Sicherheit die Teile erst bei dem einen (mit etwas mehr Kilometern) kaputt gehen und dann gleich anschließend bei dem Astra mit etwas weniger Kilometer, wenn der dann in den Kilometerbereich der Obsoleszenz kommt.
Hat dann immer den Vorteil, dass die Reparatur dann beim zweiten Mal schneller geht!
Liebe Grüße Otto
Relais für Fernlich soll das hier auf dem bild sein, wie ich es so gelesen habe. HFKC 012-HT (235)
Habe heute einmal das OpCom angeschlossen. Also die Box in unseren Astras hat keine ECU Verbaut.
Da antwortet nichts.
Habe dann die Stecker, die Durch die drei großen Schrauben gesichert werden ein wenig gelöst und heruntergedrückt,
so dass sich die Stecker ein wenig bewegten und plötzlich schaltete das Relais fürs Fernlicht wieder. Auch brennt die blaue Fernlichtlampe im Tacho wieder. An den Sicherungen liegt nun auch wieder 12 Volt Spannung an. Nur die Fernscheinwerfer brennen immer noch nicht. Ein Fehler im Check control wird aber nicht angezeigt. Die Birne sehen sonst von außen betrachtet auch OK aus. Morgen werde ich einmal direkt an den Birnen messen.
Gruß Otto
Ansonsten mal die Batterie kurz abklemmen. Habe gestern ein Türschloss am Meriva B gewechselt und selbst nach dem Löschen der FCs hat es noch im Instrument gebimmelt (Sicherheitsvorkehrung wegen nach hinten öffnenden Hintertüren). Nach dem Abklemmen war das Gebimmel auch weg.


