- Startseite
- Forum
- Auto
- Volkswagen
- Käfer, Beetle & New Beetle
- Käfer
- Neuvorstellung und Fragen
Neuvorstellung und Fragen
hi leute wollt mich mal vorstellen.
also ich bin der horst und normaler weise im t3 forum unterwegs.
hatte schon mehrmals hier gepostet aber nie wirklich nen käfer besessen um genaue frgen zu stellen aber nun is es soweit das ich mir am we einen 71er 1302s 1,6l zugelegt habe und auch gleich ein paar fragen habe.
bervor ich es vergesse ih habe mir einen in england zugelegt. also karosse is in einem recht guten zustand habe nur ein paar löcher soweit und ein riesen loch wo die batterie sitzt.
der wagen hat seit mehr als 15jahren gestanden und 12 davon in einer garage. motor dreht frei also nix fest, ich habe scheibenbremsen vorne.
so ich habe ihn versucht zu starten aber kommt ja wegen den relays nix.
habe dann nur an den starter strom gelegt und der strter hat gedreht aber er hat den motor nicht gedreht! warum? is der starter hin oder dieser ausdrucker;
ich habe keine relays am sicherungskasten und brauche daher mal die nummern welche das sind.
woher weiss ich ob es ein 12v oder 6v system ist?
aus welchem metall sollte ich bleche anfertigen um die einzuschweissen? also welche sind am besten geeignet?
gut das waren erstmal so meine fragen kommen aber sicherlich noch nen paar dazu.
gruss horst
Ähnliche Themen
16 Antworten
Also wenn Du den noch mal zum Laufen und durch den TÜV kriegst, dann Hut ab..... :rolleyes:
Zum Starten brauchst Du die Relais nicht. Aber bevor der einen Mucks sagt, hast Du viel Arbeit vor Dir.
Kommt am Zündungsplus 12V an, wenn Du den Schlüssel drehst?
Ist Verteiler, Unterbrecher Zündspule, Zündkabel und Kerzen ok?
Warum der Anlasser dreht aber ohne den Motor? Must den Anlasser ausbauen und gucken, ob er nach vorn rückt, wenn beide Plusanschlüsse mit einer Batterie verbunden sind.
1302 ist immer 12V.
Moin,
Bevor du den Motor starten willst mach erstmal das öl raus bevor da nur Wasser oder sonst was drin ist.
Weiter schau ob die Benzinpumpe Sprit fördert und dann prüft ob ein Zündfunke kommt. Wen beides vorhanden und neues öl drauf ist dann kannst versuchen mit startpilot oder ähnliches den Motor zu starten.
Viel Erfolg ;)
wenn der so lange stand, würde ich nicht einfach so versuchen, zu starten.
Hast Du auch schon mal Ventilspiel geprüft?
Oder den Zündzeitpunkt?
Wenn die Zündkabel auf dem Foto stimmen, dann könnte der Verteiler auch um 180° falsch rum drin sein.
Lichtmasch. Kohlen noch ok?
Keilriemen machste auch noch drauf vorher?
Zündkerzen angeschaut oder neu?
Ein bischen Öl in die Köpfe durchs Zündkerzenloch?
Auspuffweg geprüft, ob nicht was drin nistet:DHatten wir alles schon mal hier...
War der Vergaser die ganze Zeit so offen? Na dann kann da auch alles Mögliche drin sein...
Viel Spaß
Walter
also wenn ich den schlüssel rum drehe geht garnix
wenn ich dann strom am sicherungskasten messe kommen ganze 5volt an.
habe heute kerzen ,verteiler und und und besorgt auch den ölwechsel mache ich am we alles.
der vergaser war nich so offen den luftfilter habe ich abgenommen.
der anlasser rückt nicht raus also wird zum wochenender ein neuer besorgt.
und wegen tüv mache ich mir nicht weiter sorgen denn es ist ja nicht so das ich ihn von heute auf morgen zum tüv bringen will.
und dafür das er so lnge stand ist die karosse in einem echt guten zustand, klar der lack und nen paar rost blühten haste da aber es ist nix durch bis auf den boden wo die batterie stand und hinterm vordereifen wo die antenne gefehlt hat und das wasser da immer schön rein is und gefressen hat.
nochmal zu den relais, sind das nur 2 stück die ich brauche oder mehrere?
gruß horst
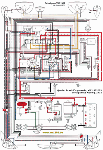
Hast Du Dir noch keinen Stromlaufplan besorgt?
Ja genau den habe ich auch. Aber iwie hilft mir der nicht weiter ohne die ganze legende.
Gruss horst
Wenn ich den so sehe, kann ich mir echt nicht vorstellen, dass der "nur" bei der Batterie durchgerostet ist. Das sieht mir nach sehr viel mehr an Arbeit aus. Zudem würde ich nie versuchen den nach so langer Standzeit einfach so zu starten.
Aber trotzdem viel Glück damit
Zitat:
Original geschrieben von einsatzleiter-horst
Ja genau den habe ich auch. Aber iwie hilft mir der nicht weiter ohne die ganze legende.
Gruss horst
Hier gibts den mit Legende:
hallo einsatzleiter, willkommen!
Verrate uns noch was du vorhast! Vollrestauration? Oder mit nötigem Aufwand wieder ans laufen bringen?
Und evtl verräts du noch was du kannst... Anfänger, erfahrener Schraube, Profi (z.b. Karosseriebauer oder sowat).
Aber schon mal viel Erfolg und auch Spass wünsche ich dir.
Zitat:
Original geschrieben von einsatzleiter-horst
kommen ganze 5volt an.
der anlasser rückt nicht raus
Mit 5V wird auch der neue nichts rausrücken.
Grüße,
Michael
Wieviel Volt sind denn an der Batterie zu messen, belastet und unbelastet?
Wie schon gesagt, die Relais sind hier das geringste Problem. Die sind nur fürs Licht und die Blinker und ggf. Heckscheidenheizung.
also ich bin kfzler und möchte ihn erstma wieder auf die strasse bringen als anfang weil ich mich nicht mehr mit dem fiesta rummschlagen will und ich leider nicht mehr auf meinen t3 zurückgreifen kann, weil wegen geklaut und dann weiter nach und nach wieder herstellen zum klassiker.
also wenn ich die batterie angeschlossen habe und ich vorne an den sicherungen messe aslo das dicke rote kabel kommen 5v an.
wenn ich aber am starter motor messe habe ich 13.4v und auch wenn ich an dem baustein unter der rücksitzbank messe kommen 13.4v an.
und den konnte auch nicht starten bzw. der starter hatte auch nicht gedreht oder überhaupt nix gemacht als ich den chlüssel gedreht habe.
nur direkt halt von der batterie.
Batterie ist aus meinem fiesta und voll geladen ist eine 12v 45ah
gruß horst
Hi
so ich habe die relais gefunden inna kiste.
Habe aber nen kabel gefunden was nirgens verbunden war und da einfach nut rumlag und ich hoffe das einer von euch mir sagen kann was das fuer eins ist.
Hmmm.....sieht mir aus wie der überflüssige Diagnosestecker aus dem Motorraum.




