- Startseite
- Forum
- Auto
- Volvo
- S60, S80, V70 2, XC70, XC90
- Volvo V70 2 Springt nicht an, klackt jedoch durch die Magnetkupplung des Klimakompressors
Volvo V70 2 Springt nicht an, klackt jedoch durch die Magnetkupplung des Klimakompressors
Guten Tag,
ich hoffe ihr könnt mir helfen. Ich besitze einen Volvo V70 2 (Baujahr 2002) Kombi mit dem 2.0T Benzin Motor, 280.000km Laufleistung, Manuell. Wie im Thementitel bereits steht, das Fahrzeug springt nicht an. Ich habe das Forum bereits durchforstet, bin aber nicht zu meiner Problematik fündig geworden.
Hier einmal ein Abriss der Diagnose/des Problems.
Das Problem ist, das Fahrzeug springt nicht an sondern klackt nur. Das Klacken kommt jedoch nicht vom Starter/Anlasser sondern dadurch das die Magnetkupplung des Klimakompressors anzieht.
Beim Fahrzeug ist ein neuer Anlasser (OEM), eine neue Batterie, ein neues Starter Relais verbaut.
Geprüft wurden Zündschlossschalter und der Antennenring. Der Anlasser dreht sofern man das Starter Relais überbrückt, die Batterie hat 12.7V, aus dem Zündschlossschalter kommen die passenden Signale laut Pin belegung. Der Antennenring sendet ebenfalls ein Signal heraus.
Anschließend habe ich das Motorsteuergerät prüfen lassen, dies soll laut Firma i.O. sein. Danach habe ich die Verkabelung zum CEM geprüft, hier liegt kein Kabelbruch vor o.ä. Beim auslesen des CEM's sind "0" Schlüssel hinterlegt.
Daraufhin habe ich mit Erich Franz in Holland in verbindung gesetzt. Dieser meinte man müsse ein "Virgin CEM" anlernen lassen beim freundlichen. Gut, das "Virgin CEM" (mit identischer Teilenummer) habe ich dann über Erich Franz bezogen und verbaut. Das Fahrzeug im Anschluss dann zum freundlichen gebracht. Dort wurde mir gesagt man kommt nicht einmal in den Programmiermodus hinein. Dadurch ist ein Anlernen der Schlüssel oder des CEMs nicht möglich. Ich wurde daraufhin gebeten das Originale CEM zum freundlichen zu bringen, da die CEMs bei dem Fahrzeugtypen nicht kaputt gehen. So, das originale CEM das zum Fahrzeug gehört wieder eingebaut, jedoch gleiches Fehlerbild.
Der freundliche hat mir daraufhin geraten ein neues CEM erst einmal einbauen zu lassen (Materialkosten 1300€ + Arbeitslohn) und danach wahrscheinlich mit dem ECM weiterzumachen. Das ist mir ehrlich gesagt zu teuer. Ich hoffe nun das ich von euch vielleicht noch Tipps oder ähnliches bekommen kann. Fehlercode oder ähnliches kann ich gerne nachliefern.
Danke schon mal :)
Ähnliche Themen
34 Antworten
Definitiv ein Masseproblem!
und nein die Magnetkupplung des Kompressors wird beim START Nicht aktiviert!!
@rfeba Moin. Mir zeigt er im display nicht an start verhindert. Was bei mir klackt ist die Magnetkupplung vom Klimakompressor. Wurde durch 4 unabhängige Mechaniker bestätigt. Habe 2 original Schlüssel dabei und beide ausprobiert. Fehler Bild bleibt identisch.
@Ambutilon Ja ich denke auch das ich ein Masse Problem habe. Die Frage ist nur woher das CEM das Signal für die geschaltet Masse bekommt. Ja die Magnetkupplung des Klimakompressors soll eigentlich nicht anziehen. Tut sie jedoch in meinem Fall. Aber da hatte @Sachsenelch ja auch schon eine Theorie zu und vor allem eine gute Erläuterungen ab wann der Klimakompressor anziehen soll.
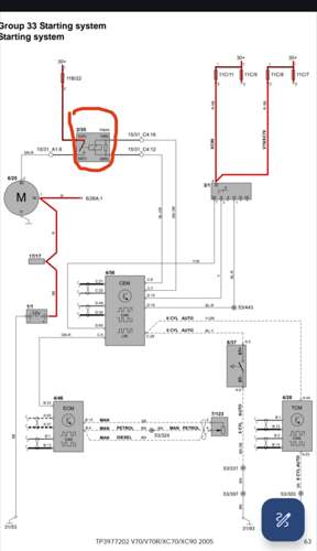
@KJ121 habe mal im Schaltplan nachgeschaut und es ist wirklich so das die Masse für PIN 85 im CEM verschwindet. Jetzt ist die ganz große Frage, kann man das umgehen oder woher kommt das Steuersignal dafür? (Rot eingekreist laut Legende das Starter Relais)
Vielleicht ist die Zuleitung zum CEM schon kaputt. Also die Masse Zuleitung
https://www.volvohowto.com/.../?...
Vielleicht findest du hier was
Moin.
Nach etwas längerer Krankheit habe ich mal wieder Jugend forscht gespielt. Zum einen habe ich den Klimakompressors abgeklemmt beim Start Vorgang, dies ergab keine Besserung. Im Anschluss haben wir es mit Anschleppen versucht, gleiches Fehlerbild. Zündung gesperrt. Alle Massebänder kontrolliert. Massekontakte sauber geschliffen und wieder verschraubt, ebenfalls keine Besserung. Die Masse Zuleitung zum CEM ist vorhanden, es liegt auch eine Massespannung an. Dies habe ich kontrolliert durch den Lichtschalter der auch über das CEM sein Signal hat.
So langsam stehe ich davor das Rätsel aufzugeben um ehrlich zu sein. Von Volvo habe ich einen Screenshot bekommen von der Fehlermeldung beim Programmieren.
Und wie ist der aktuelle Stand der Dinge? Konntest jetzt schon rausfinden, wo der Fehler liegt?
