- Startseite
- Forum
- Auto
- Volvo
- 850, S70, V70, V70 XC, C70
- Verkabelung Drosselklappe
Verkabelung Drosselklappe
Hi Elchfetischisten!
850 T5R 11/94
Ich habe eine Frage zur Verkabelung der Drosselklappe:
wohin gehen die drei Leitungen des DK Steckers?
Enden diese in der Anschlussklemme vom Motorstg oder Automatikstg, oder wo?
Wenn ja welche Pins?
Ich möchte die mal einzeln durchmessen.
Besten Dank :)
Ähnliche Themen
40 Antworten
?! Ich 'wage mal zu behaupten', dass ein 11/94er 850 keine DK-Verkabelung hat (a la E-Drosselklappe 99er ++) ;-) ... Du meinst sicher die Leitung/Adern des mechan. dort angekoppelten Potentionmeters ?
... muss mal blättern ... kann dauern ;-)
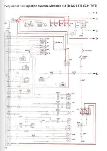
drei Adern vom Poti ; laut MJ95er Schaltplan ->
bei einem B5204T od. B5234 T/T5 -->
Poti Pin2 gelban STG PIN A15 (= Motor-STG-Ausgang)
Poti Pin1 braun-schwarz an Motor-STG PIN A18 (= 'Masse' (geht auch an NWS- + Kühlw.-Temp.-Sensor-'Masse)
Poti Pin3 orange-weiss an Motor-STG PIN A16 (= STG-Eingang)
Ja na klar geht das zum Motorsteuergerät!
Wohin sonst - zum Autoradio? :p
--------
...ah, das Gesuchte steht ja schon oben
Zitat:
@tdi14 schrieb am 28. September 2022 um 16:35:49 Uhr:
Ja na klar geht das zum Motorsteuergerät!
Wohin sonst - zum Autoradio? :p
--------
...ah, das Gesuchte steht ja schon oben
Vielen Dank!
Wärest Du so gut und gibst mir büdde das gesamte Bild des Schaltplanes und nicht nur den Bildausschnitt. Das wäre ganz großartig.
und ganz fantastisch wäre es wenn Du mir auch noch die Tabelle Signalbeschreibungen des Motorsteuergeräts geben könntest :))
Ich hänge mal analog die Tabelle fürs Automatikstg an damit klar ist was ich meine ;)
Zitat:
@Zug_Spitzer schrieb am 28. September 2022 um 16:15:15 Uhr:
?! Ich 'wage mal zu behaupten', dass ein 11/94er 850 keine DK-Verkabelung hat (a la E-Drosselklappe 99er ++) ;-) ... Du meinst sicher die Leitung/Adern des mechan. dort angekoppelten Potentionmeters ?
... muss mal blättern ... kann dauern ;-)
drei Adern vom Poti ; laut MJ95er Schaltplan ->
bei einem B5204T od. B5234 T/T5 -->
Poti Pin2 gelban STG PIN A15 (= Motor-STG-Ausgang)
Poti Pin1 braun-schwarz an Motor-STG PIN A18 (= 'Masse' (geht auch an NWS- + Kühlw.-Temp.-Sensor-'Masse)
Poti Pin3 orange-weiss an Motor-STG PIN A16 (= STG-Eingang)
Besten Dank!
"Poti Pin1 braun-schwarz an Motor-STG PIN A18 (= 'Masse' (geht auch an NWS- + Kühlw.-Temp.-Sensor-'Masse)"
Über welchen Massepunkt läuft die Masseklemme bzw. PIN A18?
ich nehme mal an 31/33?
Ist die Klemme A17 auch eine Masseklemme?
Welches ist Masse allg. und welches die Signalmasse?
So da erschließen sich mir gleich weitere Dinge:
der DK Poti 7/54 ist also direkt am Motorstg "angeschlossen" und NICHT am Getriebestg.
Mich hat nämlich folgendes stutzig gemacht:
Im Handbuch fürs Automatikstg oder im Handbuch fürs Automatikgetriebe steht nämlich bzgl. Fehlercode 2-2-3 dass das Signal zuerst am Getriebestg ankäme und dann ans Motostg ginge. Das hat mich etwas verwirrt da ich annahm - und so ist das ja auch-, dass der DK Poti am Motorstg "angeschlossen" ist.
Wieso will ich das wissen?
Nun zunächst mal will ich jetzt die drei Leitungen bis zu den Klemmen in der Anschlussklamme fürs Motorstg durchmessen.
Denn meine Volvowerkstatt sagte, dass das Signal zwar am Motorstg ankäme aber nicht am Getriebestg weshalb sie mich fragten, ob ich noch n anderes Getriebestg hätte bzw. für 600€ n neues kaufen soll.
Neu? Ich bin ja nicht irre, da mir klar war dass das nicht am STg liegt.
Daher kaufte ich hier neulich eins von T5-Power zum Testen/Ausschließen.
Allerdings erhielt ich dann Fehler 2-4-5, Drehmomentbegrenzer defekt/Kurzschluss, und das egal, ob ich jetzt mein Automatikgetriebestg drin habe, oder das von T5Power. Btw habe ich sogar noch eins (916 .. ..)
Getriebestg getauscht - nüscht iss,
Motorstg ist eh längst getauscht.
Das schreit ja sehr noch Elektrikfehler^^
@sfw750 schrieb am 28. September 2022 um 17:12:40 Uhr:
Zitat:
Wärest Du so gut und gibst mir büdde das gesamte Bild des Schaltplanes und nicht nur den Bildausschnitt. Das wäre ganz großartig.
Hier - do-it-yourself! :p
https://www.yumpu.com/.../volvo-850-1996-wiring-diagrams
Den 850er habe ich leider nicht als PDF - bin eher beim V70 'beheimatet'
Zitat:
Zitat:
@tdi14 schrieb am 28. September 2022 um 17:39:01 Uhr:
Zitat:
Wärest Du so gut und gibst mir büdde das gesamte Bild des Schaltplanes und nicht nur den Bildausschnitt. Das wäre ganz großartig.
Hier - do-it-yourself! :p
https://www.yumpu.com/.../volvo-850-1996-wiring-diagrams
Den 850er habe ich leider nicht als PDF - bin eher beim V70 'beheimatet'
Ja meine Äuglein sind altersswach und ich habe ne fiese Hornhautverkrümmung davon ab habe ich schon erfolgbefreit hier gesucht
https://www.yumpu.com/.../volvo-850-1994-wiring-diagrams
es scheint wohl ich bin kompetenzavers :/
Dein Link ist viel toller da in Farbe :D
Also müsste das der Plan sein, richtig?
Jetzt wäre nur noch die Tabelle mit den Signalbeschreibungen mega gut :)
PS habe ich gefunden
Zitat:
@sfw750 schrieb am 28. September 2022 um 17:15:34 Uhr:
Zitat:
@Zug_Spitzer schrieb am 28. September 2022 um 16:15:15 Uhr:
?! Ich 'wage mal zu behaupten', dass ein 11/94er 850 keine DK-Verkabelung hat (a la E-Drosselklappe 99er ++) ;-) ... Du meinst sicher die Leitung/Adern des mechan. dort angekoppelten Potentionmeters ?
... muss mal blättern ... kann dauern ;-)
drei Adern vom Poti ; laut MJ95er Schaltplan ->
bei einem B5204T od. B5234 T/T5 -->
Poti Pin2 gelban STG PIN A15 (= Motor-STG-Ausgang)
Poti Pin1 braun-schwarz an Motor-STG PIN A18 (= 'Masse' (geht auch an NWS- + Kühlw.-Temp.-Sensor-'Masse)
Poti Pin3 orange-weiss an Motor-STG PIN A16 (= STG-Eingang)
Besten Dank!
"Poti Pin1 braun-schwarz an Motor-STG PIN A18 (= 'Masse' (geht auch an NWS- + Kühlw.-Temp.-Sensor-'Masse)"
Über welchen Massepunkt läuft die Masseklemme bzw. PIN A18?
ich nehme mal an 31/33?
Ist die Klemme A17 auch eine Masseklemme?
Welches ist Masse allg. und welches die Signalmasse?
Masse "allgemein" ist A42 - - - und richtig erkannt --> A18 ist eine "Signalmasse" für eben nur die 3 Dinge , wie oben angegeben. Deren (Signal-)Masse-Sammelpunkt ist klar 23/8 ;-) .
Wie sich die Konstrukteure evtl. Verbindung(en) zw. A42 und A18 (und sonstigen 'Signal-Massen') ausgedacht hatten, wissen wir nicht ;-) .
Ah, sehe eben gerade erst deine Automatikg.-Tabelle - von welchem Modelljahr soll die sein ?
ist der 23/8 ein eigener Massepunkt oder (Zwischen-)Sammelmassepunkt, der die drei Signalmassen auf dem Weg zum Motormassepunkt 31/33 verbindet?
wo ist der 23/8 im Fahrzeug?
Liegt der im Steuergerätekasten?
Das sieht auf diesem Bild nämlich so aus *confused*
;-)) 23/8 --- > " Motorkabelbaum, im Steurmodulkasten " ... braun-Schwarz
Ah, sehe eben gerade erst deine Automatikg.-Tabelle - von welchem Modelljahr soll die sein ?
Aus Handbuch AW50-42
Servicehandbuch-Automatikgetriebe 09/1994 Seite-242-247
Zitat:
@Zug_Spitzer schrieb am 28. September 2022 um 19:47:08 Uhr:
;-)) 23/8 --- > " Motorkabelbaum, im Steurmodulkasten "
ok,
ich hatte das ganze Bauteil mit den Anschlussklemmen A und B schon zerlegt d.h., dass da drei Pins auf eine Massepin gecrimpt sein müssten *grübel*
letztlich müssten die dann doch alle auf den Massepunkt 31/33 laufen oder nicht
UND
"Wie sich die Konstrukteure evtl. Verbindung(en) zw. A42 und A18 (und sonstigen 'Signal-Massen') ausgedacht hatten, wissen wir nicht ;-) ."
denke die laufen dann auf Massepunkt 32/33
Zitat:
@sfw750 schrieb am 28. September 2022 um 19:47:40 Uhr:
Ah, sehe eben gerade erst deine Automatikg.-Tabelle - von welchem Modelljahr soll die sein ?
[/quote
Aus
Handbuch AW50-42Servicehandbuch-Automatikgetriebe 09/1994 Seite-242-247
....
"...letzlich müssten die dann doch alle auf den Massepunkt 31/33 laufen oder nicht ..."
Ich sagte doch - das wissen die Entwickler von damals ;-) !
Man könnte das natürlich mit Ohmmeter messen ;-) .
Evtl. ist 31/33 ja ein (Mass-)Punkt der Karosse, und nicht irgendwo ein Pin / eine Klemme ;-))
Zitat:
@Zug_Spitzer schrieb am 28. September 2022 um 19:52:40 Uhr:
Zitat:
@sfw750 schrieb am 28. September 2022 um 19:47:40 Uhr:
Ah, sehe eben gerade erst deine Automatikg.-Tabelle - von welchem Modelljahr soll die sein ?
[/quote
Aus
Handbuch AW50-42Servicehandbuch-Automatikgetriebe 09/1994 Seite-242-247
sei bitte so gut schau in die pdf mit Buchdeckel und Inhaltsvz , die ich extra für Dich angehängt habe.
da steht ab 1992 Stand 9/1994






