- Startseite
- Forum
- Auto
- Volvo
- 850, S70, V70, V70 XC, C70
- SUCHE den Schaltplan für das Sitzsteuergerät 9475458
SUCHE den Schaltplan für das Sitzsteuergerät 9475458
Moin Gemeinde,
ich bin auf der Suche nach dem Schaltplan für das o. g. Steuergerät.
Ich habe hier 2 defekte Geräte. Oder einen der diese Geräte reparieren kann.
Danke und Gruß
Roman
Ähnliche Themen
6 Antworten
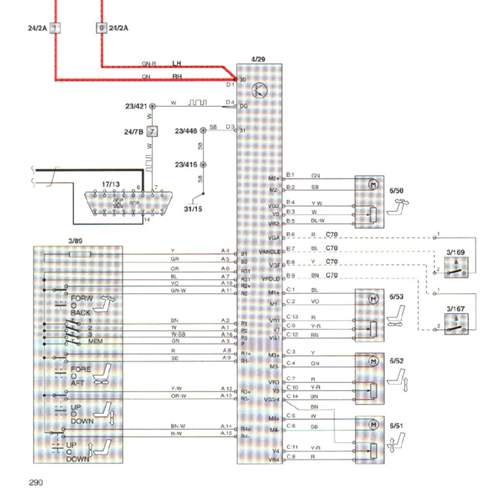
Hi Roman, nur sowas sieht man in die Schaltpläne, "tiefer" kommt man nicht.
Gruß
Cristian
Hallo Christian,
Danke für den Plan. Den habe ich gestern auch gefunden.
Das wäre jetzt der Hit, "tiefer" in das Steuergrät zu schauen.
Danke und Gruß
Roman
Moin ich schau gleich Mal was ich liegen habe
Was bei C70 Powersitze eine Besonderheit ist: da die Sitze umklappbar sind, gibt es pro Sitz Microschalter. Wenn dort ein Defekt vorliegt, dann denkt das Steuergerät der Sitz sei umgeklappt und er ist "tot". Würde das mal vorher ausschließen bevor ich ins Steuergerät "reinschaue".
Gruß
Cristian
Moin Christian,
Danke für Deinen Hinweis. Ich habe beide Sitze komplett demontiert. Beim Fahrersitz ging ja nix mehr. :mad: Bowdenzug gerissen
Beide Schalter aufnahmen im Knickgelenk gebrochen, beide Federn natürlich weg.
Beim :) die Ersatzteile rausgesucht und zur Lieferzeit wurde geantwortet: vielleicht.
Also, alles selbst gefixt auch mit neuen Schaltern von RS.
Ich konnte dann aus den Kleinanzeigen ein Funktionsfähiges Steuergerät ergattern,
und nun funktionieren beide Sitze wieder.:D
Jetzt habe ich 2 Stück Steuergeräte hier, die nur halb bis garnicht funzen.
@Luzifer will ja mal schauen was geht:):)
Wie gesagt, der innere Plan wäre super.
Gruß
Roman
Ja das ist kompliziert finde leider auch nicht mehr zum erklären wäre aber kompetente genug dir die zu reparieren wenn du bisschen Zeit hast
