Standheizung qualmt extrem...
Hallo,
wenn ich meine Standheizung starte, dann qualmt und raucht es nach kurzer Zeit vorne aus der Front, daß meine Nachbarn denken, mein Auto hätte Feuer gefangen.
Nach einigen Minuten hört die Qualmerei dann auf.
Ist das normal? Tritt dieser Zustand bei anderen A6 auch auf?
Ähnliche Themen
48 Antworten
Zitat:
Original geschrieben von Duck
Sorry, hatte erst nicht gedacht das du das Ernst meinst.
Wenn du keine Fernbedienung bekommen hast, würde ich das mal reklamieren. Im günstigen Fall haben die das einfach vergessen, im ungünstigsten Fall hast du keine Standheizung.
"Setup" an der Klima, da sollte ein Punkt Standheizung sein. Ist der da nicht, dann hast du keine.
Die Standheizung sitzt vorne links (Fahrerseite) und ist nicht viel mehr als ein senkrechtes Rohr.
Bei Zweifeln sollte dir jede Werkstatt das in unter 5 Minuten sagen können.
Alles da. Doch nix vergessen worden. War durch das fehlendes Bedienteil irritiert und die Fernbedienung habe ich als solche erst gar nicht erkannt. Dachte, es ist Ersatzschlüssel und in der Bedienungsanleitung konnte ich nicht nachlesen, da ich diese schon am ersten Tag verlegt habe.
Das Teil kann man aber in der Tiefgarage unmöglich benutzen. Da ist garantiert ratz-fratz die Feuerwehr da oder die Menschen fallen vergiftet tot um. Qualmt wie Sau, wobei ich der Sau bestimmt Unrecht tue.
Um ein Vergleich ziehen zu können habe ich heute Morgen beide parallel laufen lassen. Die Standheizung im 4B qualmt deutlich weniger und wurde auch schneller warm. (abgeschaltet) Es war aber auch nicht richtig kalt heute Nacht, dafür aber nass und neblig.
Dafür ist die Hz. im F4 richtig schön laut. Denke, dass auch die Nachbarn dieses turbinenartiges Gepfiffe lieben werden. Ich liebe es jetzt schon und werde es demnächst, mit Digicam bewaffnet, bei Karstadt im Parkhaus testen. Vielleicht kann ich die Spots an TV Sender verkaufen. (Versteckte Kamera oder so)
Gruss_Franz.
PS. Habe eben auf die FB gedrückt um die Passanten bisschen zu erschrecken und es qualmt und pfeift überhaupt nicht. (die Hz. läuft aber) Ist allerdings 18 C° warm draussen
in der tiefgarage sind Standheizungen eh verboten zu betreiben....
Zitat:
Original geschrieben von vagtuning
in der tiefgarage sind Standheizungen eh verboten zu betreiben....
Was normalerweise auch nicht so schlimm ist, da man sie dort nicht braucht. Zumindest was eine freie Sicht angeht.
Zitat:
Original geschrieben von Nilrem
PS. Habe eben auf die FB gedrückt um die Passanten bisschen zu erschrecken und es qualmt und pfeift überhaupt nicht. (die Hz. läuft aber) Ist allerdings 18 C° warm draussen
LOL - Da hast Du ja ein klasse Hobby gefunden.
Ich habe zu Schulzeiten mal eine Party vorbereitet und an einem offenen Fenster mit der Nebelmaschine rumgespielt. Nach geschätzten 45 Sekunden stand der Hausmeister mit einem Feuerlöscher im Raum.
ja ich bins Leid die Standheizung vom 4F. Ich hatte Wagen neu gekauft und von Anfang an das Qualmproblem. Immer wieder zu Audi, dann zum Schluss letzes Jahr im sog. Audi Kompetentzzentrum. Die haben dann die komplette Standheizung getauscht alles neu. Und wieder selbiges Problem. Letzens beim Diskounter lief eine Frau rein, schnell schnell auf dem Parkplatz brenn ein Audi A6 sagen sie mal schnell die Nummer durch. Ich habs satt. Die von Audi kriegens definitiv nich hin. Und beim Bosch Dienst die wollen nicht, da angeblich Audi eine eigene Software im Standheizungsgerät entworfen und eingepflantz hat. Dann ist es nicht mal möglich zuerst Motorvorwärmung und dann Innenraum, ganz schlau?? Ich hab nach 4 Jahren Dauerstress mit der Heizung endgültig die Nase voll. Die nächste wird vom Bosch Dienst mit original Webasto SW eingebaut, da gibst keine Probleme. Hatte ich beim Vorgänger so, und lief einwandfrei. Ja sorry den Vorsprung haben die Herrn Ings bei der Standheizung bei mir wohl verpasst.
Bei mein audi a8 3.0 tdi heute auch das gleiche. War geschockt! Mal gucken was die anderen hier sagen!
Zitat:
@Marselk schrieb am 9. November 2023 um 20:29:15 Uhr:
Mal gucken was die anderen hier sagen!
Welche anderen ?
Bei meinem selten genutzten A6 2.7 qualmte die Heizung von Beginn an. Mit 100.000 habe ich ihn übernommen. Bei jedem Start der Standheizung raucht er ein wenig unterhalb der vorderen Stoßstange raus. Nach ca. 1-2 min hört das auf.
Sein Vorgänger qualmte nicht, hatte aber auch weniger Kilometer drauf.
Eigentlich wärmt die Standheizung auch nur die Innenluft auf. Das Kühlwasser selbst wird nicht relevant aufgeheizt. Bei meinem Kodiaq ist das viel besser.
Zitat:
@ptrolle schrieb am 9. November 2023 um 21:12:04 Uhr:
Eigentlich wärmt die Standheizung auch nur die Innenluft auf. Das Kühlwasser selbst wird nicht relevant aufgeheizt. Bei meinem Kodiaq ist das viel besser.
Da hast du dich schlecht informiert!
Es gibt zwei Arten von Standheizungen!
1. SH die das Kühlmittel aufheizen(ist hier der Fall)
2. SH die nur die durchströmende Luft aufheizen.
1. Werden in Fahrzeugen verbaut die das Kühlmittel, damit den Motor vorwärmen und über den Wärmetauscher die Warme Luft in den Innenraum blasen. Diese laufen max. 1h .
2. Diese werden in Camper, LKW, BUS usw. verbaut da diese Stundenlang betrieben werden können.
Zitat:
@patru schrieb am 10. November 2023 um 09:19:27 Uhr:
Zitat:
@ptrolle schrieb am 9. November 2023 um 21:12:04 Uhr:
Eigentlich wärmt die Standheizung auch nur die Innenluft auf. Das Kühlwasser selbst wird nicht relevant aufgeheizt. Bei meinem Kodiaq ist das viel besser.
Da hast du dich schlecht informiert!
Es gibt zwei Arten von Standheizungen!
1. SH die das Kühlmittel aufheizen(ist hier der Fall)
2. SH die nur die durchströmende Luft aufheizen.
1. Werden in Fahrzeugen verbaut die das Kühlmittel, damit den Motor vorwärmen und über den Wärmetauscher die Warme Luft in den Innenraum blasen. Diese laufen max. 1h .
2. Diese werden in Camper, LKW, BUS usw. verbaut da diese Stundenlang betrieben werden können.
Das ist leider auch unvollstaendig.
Es gibt beim 4f eine Version die den Fahrgastraum und Motor waermt und auch die Version, die nur den Inneraum waermt und den Motor im Prinzip garnicht. Konnte man bei der einen Version auch im MMI direkt beeinflussen.
Ventil N279 ist der Schluessel.
Wurde u.a hier im Forum mal angesprochen.
Bei meinem Wagen wurde auch nur der Innenraum erwaermt und im MMI nichts waehlbar, bis ich das V279 als nicht verbaut codiert hatte und seit dem der Motor mit erwaermt wird.
Zitat:
@Neevok schrieb am 10. November 2023 um 09:19:27 Uhr:
Das ist leider auch unvollstaendig.
Es gibt beim 4f eine Version die den Fahrgastraum und Motor waermt und auch die Version, die nur den Inneraum waermt und den Motor im Prinzip garnicht. Konnte man bei der einen Version auch im MMI direkt beeinflussen.
Ventil N279 ist der Schluessel.
Wurde u.a hier im Forum mal angesprochen.
Bei meinem Wagen wurde auch nur der Innenraum erwaermt und im MMI nichts waehlbar, bis ich das V279 als nicht verbaut codiert hatte und seit dem der Motor mit erwaermt wird.
Es ging um die zwei Varianten der SH, da "ptrolle" geschrieben hatte dass das Kühlmittel nur bedingt aufgeheizt wird.
Das stimmt so nicht!
Die Wärme wird wie in punkt 1 beschrieben dem aufgeheizten Kühlmittel entnommen. Dieses wird auf bis zu 80°C aufgeheizt.
Manche Fahrzeuge haben ein umschaltventil (nicht nur der 4F)das einen kleinen(SH, Wärmetauscher) bzw großen kühlmittelkreislauf(SH, Wärmetauscher, Motor) zuschaltet!
Der Zweck des Ventiles ist in dem kleinen Kühlmittelkreislauf das Kühlmittel schnell aufzuheizen und den Innenraum schnell aufzuwärmen(bei Fahrzeugen mit größerem Innenraum)
Wer lieber einen warmen Motor hat und nicht so einen warmen Innenraum bzw. die SH länger laufen lassen will/ muss um die Scheiben zu enteisen oder entsprechend warmen Innenraum haben will, muss dieses Ventil dementsprechend Codieren bzw. ausschalten.
Allerdings muss man dabei bedenken der Batterie dadurch mehr Energie entnommen wird.
Zitat:
@patru schrieb am 10. November 2023 um 14:15:43 Uhr:
Zitat:
@Neevok schrieb am 10. November 2023 um 09:19:27 Uhr:
Das ist leider auch unvollstaendig.
Es gibt beim 4f eine Version die den Fahrgastraum und Motor waermt und auch die Version, die nur den Inneraum waermt und den Motor im Prinzip garnicht. Konnte man bei der einen Version auch im MMI direkt beeinflussen.
Ventil N279 ist der Schluessel.
Wurde u.a hier im Forum mal angesprochen.
Bei meinem Wagen wurde auch nur der Innenraum erwaermt und im MMI nichts waehlbar, bis ich das V279 als nicht verbaut codiert hatte und seit dem der Motor mit erwaermt wird.
Es ging um die zwei Varianten der SH, da "ptrolle" geschrieben hatte dass das Kühlmittel nur bedingt aufgeheizt wird.
Das stimmt so nicht!
Die Wärme wird wie in punkt 1 beschrieben dem aufgeheizten Kühlmittel entnommen. Dieses wird auf bis zu 80°C aufgeheizt.
Manche Fahrzeuge haben ein umschaltventil (nicht nur der 4F)das einen kleinen(SH, Wärmetauscher) bzw großen kühlmittelkreislauf(SH, Wärmetauscher, Motor) zuschaltet!
Der Zweck des Ventiles ist in dem kleinen Kühlmittelkreislauf das Kühlmittel schnell aufzuheizen und den Innenraum schnell aufzuwärmen(bei Fahrzeugen mit größerem Innenraum)
Wer lieber einen warmen Motor hat und nicht so einen warmen Innenraum bzw. die SH länger laufen lassen will/ muss um die Scheiben zu enteisen oder entsprechend warmen Innenraum haben will, muss dieses Ventil dementsprechend Codieren bzw. ausschalten.
Allerdings muss man dabei bedenken der Batterie dadurch mehr Energie entnommen wird.
Sorry, du liegst falsch! Der Kreislauf der Standheizung hat nicht direkt etwas mit dem kleinen Kreislauf des Motors zu tun!
Warum Zitierst du einen Beitrag wenn du auf diesen direkt antwortest, das macht das Forum unübersichtlich?
Zu deinem Kommentar @Neevok!
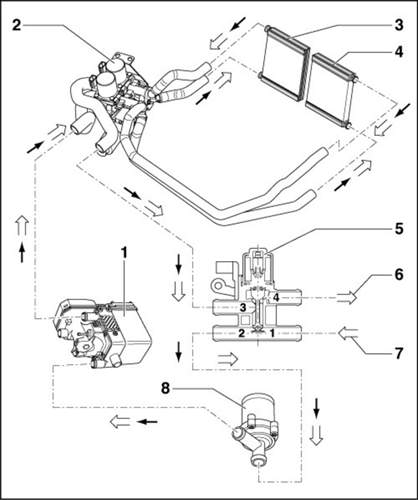
Ich habe ein Bild mit der Einbindung der SH in den Kühlmittelkreislauf angehängt.
Position 1 ist die SH
Position 2 Ventileinheit
Position 3+4 rechter und linker WT
Position 5 Absperrventil
Position 6 ist der Rücklauf zum Motor!
Position 7 ist der Vorlauf von dem Motor!
Position 8 Umwälzpumpe
Nun erklär mir bitte wie der Kühlmittelkreislauf der SH nichts bzw nicht direkt mit dem Kühlmittelkreislauf vom Motor zu tun haben soll!
edit, weil nochmal nachgedacht!
Gute Entscheidung!
Hast mich zwar nicht als Dumm bezeichnet, aber angedeutet und zum Schluss hast du es doch so beschreiben wie ich es versucht habe zu erklären wie die SH im Kühlmittelkreislauf mit dem Umschaltventil V279 eingebunden ist!
