- Startseite
- Forum
- Auto
- Audi
- A5
- A5 8T & 8F
- Side Assist nachrüsten
Side Assist nachrüsten
Hallo,
Mich würde interessieren wie aufwendig das nachrüsten des Spurwechselassistent ist.
Spiegelkappen
Steuergeräte li/re
Hat hier schon jemand Erfahrungen mit dem nachrüsten ?
Beste Antwort im Thema
sofern belegt - parallel drauf!
sofern du kein ACC / Lean Assist / Fernlichtassi hast
sind die Steckplätze frei
Ähnliche Themen
438 Antworten
Ah ok. Danke dir für die Infos.
Werd mal dann des machen lassen.
Ach ja der Button an der Tür geht seit dem tausch.
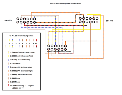
Moin, ist zwar nicht mehr sooo gefragt, aber ich hatte mir für die Nachrüstung mal eine kleine Übersicht gebastelt, um den Kabelbaum zu fertigen. Vielleicht hilft es noch wem. Gruß
den kabelbaum kann man eh am besten direkt bei audi kaufen
der endscheidende ist der Zentralkabelbaum von innen nach vorne
Hab alles da. Bei interesse PN. Verlinken darf ich ja nicht mehr. :/
kann ich bestätigen die Kabelsätze sind gut und vor allem richtig gepinnt und passend (länge) ^
hab sie auch mehrfach schon verbaut
Hallo,
kann ich folgende Steuergeräte in einem A5 VFL Bj.2010 verwenden?
8T0907566A / 8T0907568A
Oder müssen es welche ohne Endung sein?
Vielen Dank
Gruß
Carsten
Cabrio hat meines Wissens andere
Adresse 3C: Spurwechsel Labeldatei: MFT\4L0-910-566.lbl
Teilenummer SW: 8K0 907 566 B HW: 4L0 907 566 B
Bauteil: J0769_SWA_MasterH01 0070
Diese habe ich in meinem A5 MJ 2008 Coupe verbaut (seit mehreren Jahren ohne Probleme)
Zitat:
@Scotty18 schrieb am 11. Dezember 2016 um 10:20:30 Uhr:
Cabrio hat meines Wissens andere
Hallo,
kannst du mir dann vielleicht sagen welche beim Cabrio verbaut werden müssten?
Vielen Dank
Gruß
Carsten
die hab ich gerade gefunden
SW: 8K0 907 566 F HW: 4L0 907 566 B
ich müsste sogar davon noch welche da haben. ; kann morgen mal schauen
waren auch im vor FL drin ^
Zitat:
@Scotty18 schrieb am 11. Dezember 2016 um 15:30:33 Uhr:
die hab ich gerade gefunden
SW: 8K0 907 566 F HW: 4L0 907 566 B
ich müsste sogar davon noch welche da haben. ; kann morgen mal schauen
waren auch im vor FL drin ^
Hi,
vielen Dank.
Wenn du da das Paar da hättest würde ich mich freuen wenn Du Dich mal per PN bei mir meldest.
Gruß
Carsten
ich schau morgen mal nach was ich da habe
Zitat:
@Scotty18 schrieb am 11. Dezember 2016 um 17:38:07 Uhr:
ich schau morgen mal nach was ich da habe
Hi,
hast Du etwas gefunden?
Gruß
Touri674
sorry noch nicht dazu gekommen
was ich 100% da habe sind Facelift Steuergeräte; die laufen aber nicht im vor Facelift


