- Startseite
- Forum
- Auto
- Peugeot
- 3er
- peugeot 306 wird immer so schnell warm
peugeot 306 wird immer so schnell warm
Ich fahre seit einigen Monaten einen Peugeot 306 (meinen ersten Peugeot) und musste am Anfang schon feststellen das er immer wenn er im Berufsverkehr gefahren und danach geparkt wurde, sehr lange "geblasen" hat.Soll heissen der Lüfter lief mindestens 3 Minuten nachdem das Auto geparkt wurde. Ist das normal?
Und seit kurzem wird er auch sehr heiß bei nur ein paar Metern fahren,obwohl genug Kühlwasser vorhanden ist ?
Wer kann mir helfen?
Ähnliche Themen
25 Antworten
ja das reicht ich schau gleich nach dauert ca.15min
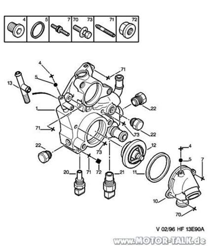
Also das Thermostat sollte wenn du in den Motorraum schaust rechts am Motorblock sitzten.
Ich hab dir mal ne skitze von dem Gehäuse mit Thermostat reingestellt und da solltest du das Teil wiedererkennen.
Wenn nicht sag bescheid dann muss ich nochmal nachschauen.
MFG FRANK
Beim S16 ist das alles ziemlich verbaut, hier sieht man mal mit demontiertem Kopf, wo das Thermostatgehäuse ist, und zwar genau in der Mitte vom Bild ;)
Wenn alles eingebaut ist, sieht man so gut wie gar nix.
Ich seh schon, da brauch ich Schrauberhilfe :D
Aber danke!
Blöde Frage nebenbei: Der dünnere Schlauch der vom "öldeckel" wegführt, sollt schon angemacht sein oder?
Öldeckel...dünner Schlauch...angemacht? :confused:
meinst du den Schlauch, der vom Kühlerdeckel weggeht?
Ich weiss auch nicht wovon du redest, lern mal deutsch :D
Wenn du mit "angemacht" sowas wie "befestigt" meinst, dann sollte er das natürlich sein, wohin er führt habe ich allerdings vergessen, dieser Motor ist voll mit verbauten Schläuchen und Leitungen...
War wohl etwas unglücklich ausgedrückt^^
In der Mitte des zweiten Bildes, der Deckel mit dem Ölfläschchen drauf. (Beim besten Willen, der richtige Begriff will mir nicht einfallen ) Da gehen von vorne gesehen 2 Schläuche weg, der Dicke ist befestigt. Der Dünne nicht.
Meine Frage war nun ob das so sein soll?^^
Die sind alle befestigt, das sieht man aber auf dem Bild nicht ;)
Meiner eben nicht, der is nur aufgesteckt >.<
Na, dann wird das mal fixe nachgeholt :D
Ach so, dachte der hängt nur rum... das wäre natürlich unvorteilhaft :D
Viele Leitungen sind einfach nur aufgesteckt und halten, Rohrschellen sind da überflüssig, aber ich gucke bei Gelegenheit nochmal nach, wo welche dran sein müssen.
Ok, vielen Dank.
Naja und ansonsten lieber einmal zuviel befestigt als einmal zu wenig :)
