- Startseite
- Forum
- Auto
- Volkswagen
- Caddy
- Caddy 3 & 4
- Klimakompressor Arbeitet nicht mehr Verdacht Magnetkupplung
Klimakompressor Arbeitet nicht mehr Verdacht Magnetkupplung
Hallo als ich von der Tankstelle losgefahren bin habe ich gemerkt das Meine Klimaanlage nicht mehr funktioniert.
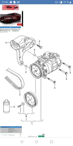
Ich schaute mir den Klimakompressor an und sah das an der Zahnscheibe die Plastik Abdeckung offen ist ich tippe auf Magnetkupplung oder ein Problem von der Seite .
Da der Deckel jetzt offen ist kann man das auch gut sehen wenn der rimen die Scheibe antreibt.
Wie ich jetzt gesehen habe kann man 2 Varianten von Magnetkupplung Bestellen und ich weiß leider nicht welche ich nehmen soll .
Ähnliche Themen
6 Antworten
Auf deinem Typenschild vom Kompressor sollte es draufstehen....entweder D oder F
https://volkswagen.7zap.com/de/rdw/caddy/ca/2009-652/2/260-260020/
Ich würde erstmal prüfen ob es die Magnetkupplung wirklich ist, kurz 12V anlegen dann hört man ob die Magnetkupplung klackt und anzieht. Wenn diese noch Arbeitet eventuell eine Druckprüfung der Klima machen lassen. Wenn diese nicht mehr genug gefüllt ist schaltet die Magnetkupplung zum Schutz des Kompressors auch nicht mehr.
Bei einem Caddy von 2008 kann das Kühlmittel sich schon mal soweit verflüchtigen, dass die Klima nicht mehr arbeitet. Auch eine Undichtigkeit am Kondensator oder Trockner können nach der Zeit nicht ausgeschlossen werden. Das sollte man vorher prüfen lassen.
Es wäre übrigens als TE immer noch vorteilhaft, wenn man seine Fahrzeugdaten im Profil oder Signatur hinterlegen würde.
Ah okay ja es Handelt sich um ein VW Caddy Ecofuel BJ nov. 2008 also Modell Variante 2009
320Tkm Aktuell
Ich werde Mal die Plastik kappe komplett entfernen die da zum Schutz außen Drauf ist vielleicht kann man ja schon was sehen
Kühlmittel Wechsel hatte ich letztes Jahr gemacht .
Davor 4 Jahre nicht
Es geht nicht um Wechsel, es geht um Undichtigkeit. Das solltest du vorher gucken.
Der Kompressor hat doch überhaupt keine Magnetkupplung, der ist doch über ein Regelventil elektronisch geregelt.


