- Startseite
- Forum
- Auto
- Volkswagen
- Passat
- Passat B3 & B4
- Fotos von euren Passat´s
Fotos von euren Passat´s
Mich intressiert es warnsinnig wie eure Autos ausehen,deshalb bitte ich euch macht mal 1 oder auch mehrere Fotos von Euren Autos zu machen.
Ich fange mal an,würde ja gerne Aktuelle machen aber es Rwegnet wie aus Eimern gerade bei uns.
Gruss
Lars
Beste Antwort im Thema
Habt Ihr mal den Treadtitel gelesen ?
So langsam gehts mir auf den Keks ... macht nen Fred auf für eure BE Geschichten ... :mad:
Ähnliche Themen
10215 Antworten
Wasn das fürn Zeug an der Haube? Kenn ich garnicht, wenn Rainer das sieht, will der das sicher gleich haben! :D:D:D
Ok, dann bin ich mal gespannt, wer uns hier aufklärt.
Also das war definitiv dran. Hab nix gemacht. Bin unschudig:D
Ich kann ja noch mal zum Auto und schauen, ob da ne Teilenummer drauf steht. Vielleicht hilft das was.
Wenn Rainer das haben möchte, kann er es gerne haben. Bring ich auf jeden Fall zum Treffen mit ;)
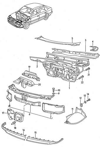
So. Und weiter gehts. Hab ne Teilenummer gefunden: 357 805 985
Und die passende Zeichnung dazu hab ich auch bei google gefunden.
Hab aber immer noch keine Ahnung, was das soll.
Ansaugluftführung Schlossträger wird es benannt.
War im Nasenbär verbaut. Bei den Syncros auch im Facelift.
Auf deinem Bild ist es die Nr. 19
Und die Nr. 20 ist dann das Gegenstück. Wäre aber auch ne alternative den Luftansaugtrakt umzubauen.
Jetzt brauche ich nur noch die Nummer davon. Ob es das überhaupt noch irgendwo gibt?
nummer 20 hast du doch im Foto dargestellt nummern bekommst du bei VAGCAT.com im online Etka
Die 20 ist Ansaugluftführung Luftfilter.
357 805 987 A
Zitat:
Original geschrieben von Nuddel88
Die 20 ist Ansaugluftführung Luftfilter.
357 805 987 A
Danke. Dann fang ich mal an zu suchen und schau, ob man das Ding noch bekommt.
Zitat:
Original geschrieben von Nuddel88
Ansaugluftführung Schlossträger wird es benannt.
War im Nasenbär verbaut. Bei den Syncros auch im Facelift.
Auf deinem Bild ist es die Nr. 19
bei den facelift syncros und auch beim Frontkratzer ist im VAGcat aber eh ein falsches bild der frontpartie inclu falschen schloßträger der würde garnicht mit der haube passen und falsche teile
da hat der sogar noch ein nasenloch :confused:
www.vagcat.com/epc/cat/vw/PA/1995/147/56/1537631/
dat kann garnicht sein
man man man, hier sind Vermutungen, nun mal zur Info :)
Das ist die Ansaugluftführung für Fahrzeuge mit Klimaanlage und beim 16V war diese auch oft ab Werk so verbaut. Besteht aus 4 Teilen.
Oben die Haubenführung (wird seitlich eingeclipst) dann die Kunstoffluftführung auf dem Schlossträger (wird befestigt mit dem Haubengestängeclip) dann das das abgewinkelte Rohr zum Filter inklusive einer Gummidichtung die ich mal einzeln aufführe. Wird das ganze bestellt, ist die Gummidichtung schon dabei.
Am G60 original, da Klima
Am 16 V orignal schon dran gewesen
Am ABT nachgerüstet, wegen Frontmaske
Am Projekt original wegen Klima
Und ist noch zu bekommen, so als Info...
Gruß Wester
bei den Syngros im Face und beim G60 ist da noch auf der anderen Seite eine Luftführung für Kat und beim G60 für das Lager. Das ist aber am Lüftergehäuse mit dran und hat nichts mit der Geschichte zu tun Nuddel88... ist zwar auch ne Luftführung, aber dient nem ganz anderen Zweck.
Also war ich doch richtig informiert....
wie auf deinem Bild einfach Nr 19 und 20 bestellen, dann ist alles dabie, der Bogen gehört zum Unterteil... beim unteren rohr darauf achten, es warm zu machen bevor es auf den Luffi gesteckt wird, das reist gerne bis es drüber ist :)
Die 19 ist aber entfallen :confused:
Wenn da mal jemand die ganzen Teile günstig abzugeben hat, dann einfach melden :p
