- Startseite
- Forum
- Auto
- Volvo
- 850, S70, V70, V70 XC, C70
- Die lästige Motorkontrollleuchte (ECM-6400)
Die lästige Motorkontrollleuchte (ECM-6400)
Hallo liebe Volvo-Gemeinde,
ich habe seit einiger Zeit, naja eigentlich schon seit einigen Jahren ein kleines Problem mit meinem Volvo V70i (140PS, 20 Ventiler, elektrische Drosselklappe, BJ1999).
Vor einigen Jahren fing es an, dass die Motorkontrollleuchte (MKL) während der Fahrt an ging. Angehalten, damals noch Laienhaft den Ölstand gecheckt um das schon mal auszuschließen. Weitergefahren da sich der Motorlauf oder ähnliches in keinster Weise verändert hat. Am Tag darauf zur Werkstatt (Freie Werkstatt) und Auslesen. Fehler Magnetschalter Nockenwellenversteller (das ganze war vor, ich schätze zwei Jahren). Fehler gelöscht, Fehler kam wieder.
Weitergefahren (da der Werkstattmeister sagte, dass wenn ich keine negative Veränderung merken würde man weiterfahren könne) und so im Laufe der Zeit ging die Leuchte mal wieder an, dann mal wieder aus. Wie bei einem Wackelkontakt. Ich konnte aber nichts feststellen wo ich dachte oh, dadurch wird der Fehler reproduzieren.
Nunja, etwas später blieb die Leuchte dann aber dauerhaft an und ich beschäftigte mich nochmal etwas genau mit dem Thema des Magnetschalter Nockenwellenversteller. Der ADAC war auch nochmal da zum Auslesen, da kam das selbe bei heraus.
Nunja, mein Wissen zu meinem Auto wurde etwas größer und ich hatte den besagten Magnetschalter schon lokalisiert und in einigen Foren und Berichten gelesen, dass eine Reinigung helfen kann. Gesagt getan, das erste mal gereinigt (mit neuer Dichtung) keine Besserung. Fehler blieb bestehen. Dann kaufte ich mir einen gebrauchten Versteller von eBay. Eingebaut, natürlich mit neuer Dichtung, brachte Erfolg! Leider nur kurzzeitig. Dann ging die Leuchte wieder an.
Mein Auto musste zum TÜV und die Leuchte war noch an (ich wusste nicht, dass man mit brennender MKL nicht durch den TÜV kommt, Abgaswerte waren in Ordnung). Nunja, nachdem mir der TÜVler dies mitteilte bin ich zum Bosch Dienst gefahren und die haben es nochmal ausgelesen.
Ich bekam mein Auto wieder und mir wurde wieder der selbe Fehler genannt und dass dieser NICHT gelöscht werden konnte.
Ich war das Auto an. Leuchte aus! Obwohl der Fehler angeblich nicht gelöscht werden konnte. Ich ab zum TÜV zur Nachuntersuchung und die Plakette geholt!
Irgendwann ging dann die Leuchte wieder an.
Noch etwas später ringte ich mich dazu durch mir ein Neuteil liefern zu lassen (aus den Niederlanden), ist das selbe wie bei Skandix (http://www.skandix.de/.../?bi=c6be945d55b6f0d76cab6127297d615b). Hierfür musste ein neuer Stecker drauf somit neu und auch richtig verkabelt gemeinsam mit einem Freund zusammen (ehemaliger KFZler). So, getauscht und nach 10 Starts und ein paar km Leuchte aus! Super! Läuft!
Einige Zeit später... Leuchte wieder an. Das kann doch nicht wahr sein!!! Ich, Kabel nochmal überprüft. Sahen gut aus. Eine Stelle fand ich, die sah etwas eingedrückt aus von der Abdeckung der Zündspulen. Defektes Kabelstück (ca. 3 cm) herausgeschnitten und neu verlötet. Selbiges Spiel. Diesmal nach ,ich meine 7 Starts und ein paar km Leuchte aus!
Astrein.
Auch dies hielt nur von kurzer Dauer. Von einem Bekannten hatte ich mir nochmal einen alten (originalen) Versteller zuschicken lassen. Somit Kabel (und Stecker) wieder auf "alt" geändert und verbaut. Nischt änderte sich.
Nun um die Weihnachtszeit rum habe ich nochmal mit meinem Bekannten nur geschaut ob überhaupt 12V an dem Kollegen ankommen. Das tun sie. Er sagte aber auch bevor wir jetzt den ganzen Kabelbaum rausreißen geh nochmal zu Volvo und lass den Koffer auslesen. Ich also zu Volvo und Auslesen. Fehler ECM-6400 Magnetschalter Nockenwellenversteller, Signal zu niedrig. Was noch hinzu kam waren die Fehler ECM-3200, Zündspule, fehlerhaftes Signal. Und zwar bei ALLEN 5 Zündspulen! Ich sach das kann nicht sein. Der Motor läuft einwandfrei und schnurrt. Wenn alle 5 Zündspulen einen weg haben, das würde man merken :D außerdem sind die Zündspulen max. 2 Jahre alt ca. Die letzten beiden alten hatte ich ein paar Tage zuvor gegen neue ausgetauscht.
Ich habe noch weiter in ein paar Foren recherchiert und festgestellt dass dieser Fehler auftreten kann, wenn die Massebänder beschädigt oder veraltet sind. Deshalb habe ich mir neue bestellt und ich bin gerade dabei die beiden Massebänder am Zylinderkopf zu wechseln. Am oberen Motorlager ist das ja fix gemacht, an der linken Seite konnte ich den unteren Massepunkt noch nicht erreichen.
Das ist momentan so meine einzige und letzte Hoffnung, dass durch die Erneuerung des Massebandes der Fehler mit den Zündspulen verschwindet (der auch nur auf dem Papier existiert, wie gesagt Motorlauf 1a) und meine Hoffnung ist, dass der Fehler des Nockenwellenversteller damit auch verschwindet, da die Kabel der Zündspulen als auch des Nockenwellenversteller den selben Weg gehen.
Was mich immer wieder stutzig gemacht hat, ist dass meistens wenn man etwas am Versteller verändert hatte, sprich die Kabel bewegt, berührt, neu verlötet oder sonst was getan hat dann meistens der Fehler verschwand. Ich kann mir nicht vorstellen, dass alle Nockenwellenversteller, als auch der Neue defekt sind!
Einigen Berichten nach kann es noch zu Problemen führen, wenn das Wellrohr, welches die Kabel der Zündspulen und des Versteller schützt nicht mehr intakt ist, da die Kabel durch das bloße Aufliegen auf dem Motorblock zu heiß werden und somit dort alles nicht mehr so gut funktioniert, was und ob da was dran ist weis ich aber auch nicht. Meine Wellrohr ist aufjedenfall schon ordentlich weggebröselt.
Vielleicht fällt einem von euch ja noch etwas ein, was ich übersehen haben könnte oder hat noch Ideen, Tipps, Hinweise oder Anregungen!
Zur Zeit mache ich meine Ausbildung in Hamburg, bin auch dort wohnhaft und bin nur beschränkt fähig mit meinem Mitteln in der Wohnung größere Reparaturen durchzuführen (Knarrenkasten, Schraubendreher und Akkuschrauber sind vorhanden).
Ich Danke Euch für Eure Unterstützung, muss mich in diesem Zuge nochmal für meine Inaktivität des letzten Jahres entschuldigen (Auslandsjahr, neue Wohnung, neue Ausbild, etc) und Hoffe auf eine gemeinsame Lösung :))
Beste Grüße
Lukas
Beste Antwort im Thema
ERFOLG! ERFOLG! ERFOLG!
Heute habe ich mich nochmal mit @easygo76 getroffen und wir haben zusammen am Auto gebastelt! Bei meinem Auto war der letzte Stand der Fehler folgender:
Nockenwellenversteller, Heizung hintere Lambda, das Spülventil für die Tankentlüftung und alle Zündspulen.
So. @easygo76 und ich haben und nochmal dran gemacht. Steuergerät raus, alle Stecker der Zündspulen und des Nockenwellenverstellers ab und durchgemessen mit dem Multimeter. Alles ok soweit! Es kam auch überall 12v an. An alles 5 Spulen.
Dann haben wir den Nockenwellenversteller nochmal durchgemessen, ob da 12 Volt ankamen. Zündung an, nichts. Keine 12 Volt! Einfach nichts.
Kann nicht sein! Kabel defekt?
Sicherungen nachgeschaut. Normaler Sicherungskasten alles ok. Hauptsicherungen... Siehe da Sicherung durchgebrannt (Emissionen controll, oder so)!
ZACK neue rein, Motor starten, ausgelesen und:
Fehler Heizung weg und Fehler vom Spülventil weg! Mega! Aber Nockenwellenversteller läuft immer noch nicht. Versteller abgeschraubt, Widerstand gemessen, nichts vorhanden (laut Vida 3,7 Ohm). Ich hatte noch das teure Neuteil, was schon mal verbaut war und keinen Erfolg bracht im Kofferraum. Widerstand gemessen, siehe das. Der Wert kommt Ran! Zack neu eingebaut, Motor starten und...:
Fehler Nockenwellenversteller weg!
Nur noch die Fehler der Zündspulen blieben. Alle Zündspulen von @easygo76 bei mir rein. Motor starten, MKL aus!!! Ausgelesen und keine Fehler!
Dann haben wir nach und nach seine Spulen gegen meine von PolarParts ersetzt! Im Endeffekt lief es darauf hinaus, dass 3 von 5 PolarParts Spulen defekt gewesen sind!
Das interessante dabei war, dass das MSG immer nur den Zylinder nicht als Fehler geschmissen hat, wo der Fehler wirklich war!
Als Beispiel 4 Zündspulen von @easygo76 drin, auf Zylinder 1 meine Defekte PolarParts und das MSG listet alle Zündspulen auf, außer von Zylinder 1, die aber eigentlich wirklich defekt ist!
Nunja drei PolarParts Spulen reingeschmissen, zwei davon drinnen gelassen (werden ersetzt), zwei alte von mir aus dem Kofferraum wieder verbaut und eine hatte @easygo76 mir noch spendiert (hatte er auch noch dabei). Nun denne. Keine MKl und nichts im Fehlerspeicher! 1a. Letztesmal hatte @easygo76 nur 4 Zündspulen dabei und wir hatten nicht direkt gegen seine aus dem Block getauscht, deshalb blieb der Fehler bestehen.
Somit endet hier das Kapitel der lästigen MKL nach ich glaube 23 Seiten.
Hierbei möchte ich mich bei allen von euch bedanken! Für Euren Zuspruch (@43iger ), Eure Ideen (@Peak_t ), für Eure Bereitschaft Werkzeug auszuleihen (@volvowandales ), für Schaltpläne (@scutyde , @sachsenelch ) und einfach für dieses super Forum mit ganz vielen klugen Köpfen, die sehr viel Hilfsbereitschaft anbieten!
Ganz großer Dank natürlich auch an @easygo76 ohne ihn ich das glaube ich nicht geschafft hätte!!!



Ähnliche Themen
342 Antworten
Es bleibt weiter spannend! Mir persönlich hätte ja die Geschichte mit der Leistungsmasse am besten gefallen, irgend ne Versparkte Ringöse an der Karosserie!
Hätte die zündspulen und den VVT erklärt!
Aber die Werte passen! Nen Kurzschluss nach Masse ist bei der Steuerleitung wohl nicht der Fall, würde mit Zündaussetzter einhergehen!
Die Spannungsversorgung könnte noch nen Thema sein, sowohl bei den Spulen als auch beim VVT!
Die Kontrollleitung der Spulen wäre denkbar, die teilt dem STg ja nur mit ob die Spule ausgelöst hat, wobei die 5 Leitungen am Steuergerät nur an einem Pin enden!
Würde aber nicht das VVT erklären!
Wie gesagt, es bleibt spannend
Achso, hier noch mal der Fehlerspeicher!
Vielleicht hat ja noch wer nen Denkanstoß!
Immobilizer Communicacion wär auch eine Möglichkeit.
Das war es bei meinem.
Tut mir leid Leute! Ich hatte gerade noch n Kampf mit meinem Fahrrad, aber hab gewonnen!
Ich melde mich da morgen ausführlich zu. Danke für Euren Einsatz, Gedankengänge und Unterstützungen. Gerne weiter!
Nur kurz. Die drei Werte die ich rausgehauen habe bezüglich Pin 53, 54 und 62. Da waren Ohm-Werte von 0,04. Das waren die Leistungsmassen vom Steuergerät. Info kam von @easygo76
Alles weitere Morgen.
DANKE, DANKE FÜR EURE HILFE!!!
ECM 6400 steht ja auch noch an... macht der Nockenwellenversteller bei defekt was an der Zündung... z.B. Zündzeitpunkt oder Leistung der Zündspulen... :confused:
So, jetzt nochmal ein paar Rückmeldungen. @Peak_t der eigentliche Fehler war ECM 6400. Deshalb habe ich den Post hier eröffnet und das war auch das Problem von meinen Bock. Immer beim Auslesen kam nur dieser eine Fehler. Mittlerweile kamen eben die 5 Zündspulen auch mit bei raus (und n bisschen Kleinkram).
Edit: das mit der Sicherung ist nochmal n guter Tipp.
Jetzt nochmal chronologisch. An @Zug_Spitzer die drei Werte, die Pins 53, 54 und 62 waren die Lastmassen vom MSG, welche ich gestern durchgemessen habe und welche 0,04 Ohm aufwiesen.
@volvowandales komme ich gerne darauf zurück, danke dir! Klingt alles gut nur Kraftstoffpumpe kann ich glaube ich nicht selber einbauen :)
Danke dir dafür
@43iger danke für den Lesestoff, das hatte ich auch schon gesehen aber die Leitungen sind alle okay auf Sichtprüfung und ich habe ja auch auf deinen Rat hin neue Wellrohre drumgemanteln :)
@volvowandales die Immobilizer Communication war glaube ich nur weil ich mit @easygo76 einmal den Fehlerspeicher gelöscht hatte und dann wieder neu gestartet, das kommt ja immer einmal. Genauso wie wenn man den Fehlerspeicher löscht, dass beim 1 mal wieder starten der Motor ausgeht, bei 2 mal ganz normal wieder läuft :)
Zitat:
@43iger schrieb am 3. Februar 2020 um 20:03:40 Uhr:
Wenn diese Folgerung richtig ist, dann können die Spulen und die Kerzen ausgeschlossen werden. Dann hätte man einen anderen Fehlercode, nämlich die einzelnen Zylinder.
Für die elektrische Seite würde mir die Masseverbindung (schon geprüft) und die Spannungsversorgung einfallen. Besonders die Frage wie hoch denn die Versorgungsspannung der Zündspulen (+) tatsächlich ist.
Für die nichtelektrische Seite bleibt die Gemischbildung.
Tritt der Fehler eigentlich während der Fahrt auf oder kurz nach dem Startvorgang?
Grüße
Thomas
Zur Gemischbildung kann ich nur sagen, dass die Kerzen gut aussehen :)
Also wenn ich den Fehlerspeicher lösche, oder das MSG ausgebaut habe und wieder rein gesteckt habe und die Karte starte kommt nach ca. 1 bis 2 Sekunden die MKL- Leuchte wieder.
Wenn ich den Fehler gelöscht habe im Standgas zum Beispiel und dann direkt im Standgas auslese kommt nur noch p0350 (also einmal die Meldung, dass alle Spulen betroffen sind) aber nicht, eine Aufzählung aller Spulen! Das passiert erst, wenn ich n bisschen Gas geben, nochmal auslese und dann schmeißt er p0350 und alle weiteren einzeln aufgelistet.
Zumindest mit OBD II Stecker.
Ich glaube mit Vida direkt wurden sofort alle gelistet :)
Moin, also irgendwie verstehe ich die Welt nicht (mehr).
Man hat 5 ZSpulen, die jeweils 4 Pins haben, ergo 5 x 4 = 20 theoretische "Drähte" dorthin. Also rein theoretisch(!), wa ? ;-)
Die high-tech bunte-Bildchen-Diagnose-Hilfe sagt -> miss doch mal vom MSG-Sockel die 5 Leitungen zu jeweils Pin1 (der 4 od. 3poligen) Stecker für die ZSpulen auf "Durchgang = O.K." .
Also 5 der evtl. 20 Leitungen ge-check-t.
Dann überprüft man noch, ob das liebe MSG noch gefälligst Masse-Leitungen nach Masse hat, deren es wohl 3 "Drähte" gibt.
Das war's.
Wie wär's denn mal, zu testen, ob die restlichen Kontakte in den Steckern auch Verbindung/Durchgang zu den Punkten haben, wo sie auch hingehen sollten ;-) .
Könnte ja wohl einer der bisher ungetesteten Stecker-Pins evtl. nach Masse gehen - oder - fällt mir gerade ein: nach Plus (wenn die ZSpule an "Plus" hängt und via Pin1 durch das MSG nach 'Masse' geschaltet wird.
Also Pin-x jeden Steckers nach Masse/Plus testen, sind dann weitere 5 Kabel gecheckt.
Wohin die verbleibenden Stecker-Pins gehen wissen die Götter, solange man keinen Schaltplan hat.
<Käse ! Ich muss schon wieder los :mad:; Arbeit verdirbt das (Privat-)Leben :D>
... also... ich sach ja immer von nix kommt nix und hatte oft recht!
Ursprünglich war der Nockenwellenversteller das Problem und die Zündspulen haben sich nicht gemeldet!
So... nun wurde da was unternommen um den Fehler 6400 zu beseitigen... was genau weiß ich nicht... jedenfalls kamen nach Reparaturversuch plötzlich die Zündspulen dazu. Schon die räumliche Nähe könnte da einen Zusammenhang vermuten lassen... sei es bei den Arbeiten Kabel beschädigt oder neu verbaute Komponenten führen plötzlich zu anderen Fehlern... denn von nix kommt nix... :D
Richtig ist auch das ohne Schaltplan alles unendlich schwierig wird da nur sporadisch an diversen Stellen nach Tips von anderen irgendwas gemessen wird... SUBOPTIMAL... ohne verständismäßig zusammenhängende Fehlersuche mit Plan kann das nur einen Zufallstreffer ergeben... ohne Pläne haben wir am Flugzeug erst gar nicht angefangen zu suchen weil hoffnungslos und Funktionen nicht zu verstehen!
Da nun das stochern in der Erbsensuppe keine Wurst zum vorschein gebracht hat ist wohl etwas professionalität gefragt und erst mal muss ein Schaltplan her... ! ;)
@Zug_Spitzer
Also sieht zwar reichhaltig Kompliziert aus die Sache mit den Einzelspulen, reichhaltig Kabel etc Pp, wenn man sich das genau anschaut, sind es aber vom Prinzip 5 Konventionelle Kontakt Zündung!
Sprich ich schalte die Zündung an, an Pin 4 der Spule liegt dauerhaft 15 an, kommt auch nicht aus dem Steuergerät oder der gleichen! Jetzt starte ich den Motor, das Steuergerät taktet zum jeweiligen Zeitpunkt die Masse der einzelnen Spulen, das war’s schon im Großen und Ganzen! Dann kommt noch eine Leitung dazu, diese Leitung wird von 5 Spulen auf eine Leitung gelegt, welche zum Steuergerät geht! Und sagt dem Steuergerät, eine von den 5 Spulen hat ausgelöst!
1 Pin an der Spule ist Frei, sind also 15 Kabel, wovon 6 zum Steuergerät gehen!
Wenn die Klemme 15, sprich Klemme 4 von den Spulen auf Masse liegen würde, würde an den Spulen nix mehr ankommen, ergo würde der Motor nicht mehr laufen! Wenn es nur gelegentlich Masse Kontakt haben würde, würde es mit Sicherheit zu zündaussetztern kommen!
Genau so beim Kabelbruch!
Bleibt jetzt noch das Diagnose Signal! Dort könnte es ein Kabelproblem sein, könnte sogar eine Spule sein! Weil alle 5 Diagnosesignale auf eine Leitung gehen, kann eine Defekte Spule, bzw ein Kurzschluss auf Masse, alle Spulen als Defekt zuordnen! Und der Motor würde normal rund weiter laufen!
Das muss man jetzt Ausklabüstern, aber ist halt schwierig so per WA zwischen Tür und Angel immer!
Ist ja auch was anderes wenn du jemanden sagst, prüf mal das und das per Nachricht, oder ob man selbst davor steht! Dann noch mit bescheidenen Mitteln!
Bleiben aber noch die Anderen Fehler, die auch vornehmlich über Masse geschaltet werden, deswegen meinte Ich prüf mal die Leistungsmasse und nicht das bunte Programm!
@lukasquindt Klemme mal VVT steller ab, und schau ob die Spulen immer noch rausgeworfen werden, schließlich fing alles damit an, wer weiß
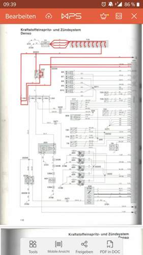
Zu beidem. Ich hab einen Schaltplan bekommen. Von Scutyde. Nochmal danke dafür und von FT Albert auch nochmal. Hatte parallel gefragt.
Zu @Peak_t : Der Fehler des Nockenwellenversteller sollte behoben werden. Altes Teil getauscht, gereinigt, neue Dichtung verbaut, neuen Versteller verbaut. Alles versucht brachte keinen Erfolg. Es kam immer der Fehler des Nockenwellenversteller. Dann schaute ich mir mit einem Kollegen nur nochmal die Kabel von dem Ding an, ohne etwas zu ändern, er sagte geh nochmal zum Auslesen. Nochmal ausgelesen und da habe ich erst gemerkt, dass die 5 Zündspulen n Fehler schmeißen. Das war vorher nie so!
Zu @Zug_Spitzer : Genau es gibt 5 Zündspulen á 4 Leitungen. Die Masseleitungen habe ich von Steuergerätsockel zum Zündspulenstecker (Pin 1 des Steckers) auf Durchgang geprüft. Das ist okay. Wie du schon sagst die Masse des MSG habe ich gestern geprüft.
Wie erwähnt werde ich heute die Spannung an Pin 4 des Zündspulenstecker messen bei allen 5 Spulen ob die selbe Volt Zahl, wie bei der Batterie anliegt.
Damit wären dann 10 der 20 Leitungen geprüft.
Ich kann leider nicht 24/7 am Auto arbeiten, sorry :/
Beste Grüße und Danke für Eure Hilfe!!
Zitat:
@lukasquindt schrieb am 4. Februar 2020 um 09:47:35 Uhr:
Zu beidem. Ich hab einen Schaltplan bekommen. Von Scutyde. Nochmal danke dafür und von FT Albert auch nochmal. Hatte parallel gefragt.
Zu @Peak_t : Der Fehler des Nockenwellenversteller sollte behoben werden. Altes Teil getauscht, gereinigt, neue Dichtung verbaut, neuen Versteller verbaut. Alles versucht brachte keinen Erfolg. Es kam immer der Fehler des Nockenwellenversteller. Dann schaute ich mir mit einem Kollegen nur nochmal die Kabel von dem Ding an, ohne etwas zu ändern, er sagte geh nochmal zum Auslesen. Nochmal ausgelesen und da habe ich erst gemerkt, dass die 5 Zündspulen n Fehler schmeißen. Das war vorher nie so!
Zu @Zug_Spitzer : Genau es gibt 5 Zündspulen á 4 Leitungen. Die Masseleitungen habe ich von Steuergerätsockel zum Zündspulenstecker (Pin 1 des Steckers) auf Durchgang geprüft. Das ist okay. Wie du schon sagst die Masse des MSG habe ich gestern geprüft.
Wie erwähnt werde ich heute die Spannung an Pin 4 des Zündspulenstecker messen bei allen 5 Spulen ob die selbe Volt Zahl, wie bei der Batterie anliegt.
Damit wären dann 10 der 20 Leitungen geprüft.
Ich kann leider nicht 24/7 am Auto arbeiten, sorry :/
Beste Grüße und Danke für Eure Hilfe!!
... ebend... Nackend... :D
und genau da, wie oben beschrieben... vermute ich einen Zusammenhang... beim rumgefummel an den Kabeln... von nix kommt nix... ;)
Ich würde auch prüfen ob nicht ein Kurzschluss zur Masse oder Versorgung vorliegt bei Pin 2 der Spule. Also Rot gegen gelb und gegen schwarz messen.
Zitat:
@scutyde schrieb am 4. Februar 2020 um 10:05:57 Uhr:
Ich würde auch prüfen ob nicht ein Kurzschluss zur Masse oder Versorgung vorliegt bei Pin 2 der Spule. Also Rot gegen gelb und gegen schwarz messen.
Ja genau, bei jeweils Abgezogenen Spulen und StG






