- Startseite
- Forum
- Auto
- Mitsubishi
- Colt, Lancer & Space Star (Mirage)
- Colt Z30: Drehmomente Achsmutter und CO.
Colt Z30: Drehmomente Achsmutter und CO.
2 AntwortenNeuester Beitrag am 8. August 2023 um 15:10
Mitsubishi Colt
Themenstarteram 8. August 2023 um 5:04
Hallo Gemeinde,
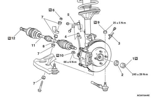
benötige das Drehmoment von der Achsmutter vorn.
Wenn es möglich wäre auch die der anderen Verschraubungen der VA.
Z30 BJ 2009, 95HP
Ähnliche Themen
2 Antworten
Such dir aus was du brauchst. :D
Themenstarteram 8. August 2023 um 15:10
Zitat:
@Rotzirotz schrieb am 8. August 2023 um 16:28:39 Uhr:
Such dir aus was du brauchst. :D
DANKE!

