CanBus LED TFL blinkt /check
Hallo Zusammen,
habe in meinen A6 4F -> Bj 2007 diese LED´s verbaut:
http://cgi.ebay.de/ws/eBayISAPI.dll?ViewItem&item=140504755513
Funktionieren super keine Fehlermeldung im FIS. Jedoch schalte ich die TFL im MMI aus blinken diese bei eingeschalteter Zündung alle 30s kurz auf. Kann man den Kontrollcheck der Lampen (TFL) irgenwie deaktivieren oder müsste ich einen verzögerungswidestand einbauen? Danke....
Ähnliche Themen
66 Antworten
http://www.motor-talk.de/.../p1030355-i205226533.html
Im Beitrag steht mehr dazu...
Den auf dem von Senti verlinkten Bild angezeigten Widerstand mit seinem Wert von 39 Ohm würde ich nicht nehmen. Der zieht ja ganz alleine schon über 300 mA. Soweit ich die Debatte von damals verstanden habe, sollte der Scanimpuls abgefangen werden, indem eine Diode direkt an die jeweilige 12V-Leitung angeschlossen wird, und diese Diode führt zu einer Parallelschaltung aus Kondensator und Widerstand. Der K ist der eigentliche Impuls-Killer und der R soll lediglich den K bis zum Eintreffen des nächsten Impulses wieder entladen. Dafür reichen dann aber wie in dem Fred beschrieben Rs mit größerem Widerstand.
Gruß, lippe1audi
Es freut mich das so schnell ne Antwort da ist was für ne Größe des Widerstandes würdest du empfehlen ich würde so um die 50 Ohm gedacht oder noch größer
Lg
Hab' jetzt den ganzen von Senti verlinkten Beitrag durchgelesen. Da fällt mir als Erstes der Kommentar ein, dass die Jungs allesamt recht unsicher in ihren Bemühungen waren. Einer hatte da so eine angeblich funktionierende Lösung mit 10 Stück 2.200 µF Kondensatoten parallel geschaltet: voll der Horror!:mad: Mag sein, dass das wirklich funktioniert hat, aber da sträuben sich mir die Nackenhaare, das ist elektronisch hilflos.
Es gab auch Hinweise, dass es mit einem einzigen Kondensator von einigen Tausend MicroFarad reichen würde. Also würde ich einen mit 4.700 µF nehmen. Als Entladewiderstand dann 220 Ohm/ 2 Watt oder besser was höheres, also z.B. 330 Ohm/ 1 Watt (nicht weniger Watt, der wird warm). Dann die vorgeschlagene Grundschaltung mit einer Diode und dann dem C und dem R in Parallelschaltung. Du solltest dir aber im klaren sein, dass dies genau wie die vielen divergierenden Vorschläge in 2011 experimenteller Art ist. Will sagen, ggf. müssen oder könnten auch andere Werte zum Erfolg führen.
Bei der Gelegenheit: Ich hatte schon mal begonnen, an einer ganz anderen Lösung für den Kaltscan zu arbeiten, die um einiges "elektronischer", will sagen, eleganter wäre als z.B. das Konglomerat aus 10 Stück Elkos. Da ich aber immer noch Glühobst in meinem Dicken haben und noch nichts mit LED nachgerüstet habe, blieb das Projekt erst mal liegen. Die Grundschaltung habe ich noch, aber ob ich da mangels eigenen Bedarfes noch mal dran gehe, ist fraglich.
Gruß, lippe1audi
Nachtrag: Eigentlich hätte diese Debatte in dem von Senti verlinkten Fred fortgeführt werden sollen. So haben wir mal wieder was Paralleles.:mad:
Also noch mal zusammengefasst
1x Widerstand 330Ohm/1 Watt oder mehr Watt
1x Kondensator 4.700 µF/16V
1x Diode 12V/5Watt
@lippe1audi
Die Beiträge sind auch vo 2012... sicher gibt es schon andere Lösungen...das war das beste was ich dazu in der Sufu gefunden habe um hier einen Denkanstoss zu liefern... ;)
Hoffe ihr kommt zu einer Lösung (für alle) :)
mfg Senti
@ Senti: Nach meinem Geschmack hätte dieser Fred, bzw. sein Beiträge komplett verschoben werden können, in den von dir Verlinkten, weil es exakt der gleiche Inhalt und sinngemäß auch die Überschrift ist: "LED TFL". Aber gut........wahrscheinlich werde ich mich im Laufe des Tages in diesem anderen Fred melden, um dort eine rege Diskussion mit mir selbst zu führen.....:D. Vermute, dass es heute nur noch wenige User gibt, für die das ein Thema ist. Schade eigentlich, ich bedauere, dunnemals noch nicht dabei gewesen zu sein.
Zitat:
@Fragman89 schrieb am 1. Mai 2015 um 11:48:26 Uhr:
Also noch mal zusammengefasst
1x Widerstand 330Ohm/1 Watt oder mehr Watt
1x Kondensator 4.700 µF/16V
1x Diode 12V/5Watt
Nix, vergiss es. Damit meine ich vornehmlich das letztgenannte Bauteil: die Diode. Die techn. Daten für die sind nicht von besonderer Bedeutung, da könnte man so'n Universal-Dingsbums wie eine 1N4001 nehmen. Die D sollte im Dauerbetrieb 1 Ampere können, und damit sie fast nichts kostet, reicht die geringstmögliche Spannungsfestigkeit. Das fängt evtl. bei 20 Volt an, aber solche für 60 oder mehr Volt kosten auch nur 0,02 Cent mehr.
Hinsichtlich des Entladungswiderstandes bin ich inzwischen zu einer anderen Überzeugung gelangt. Wenn der wirklich nur den C entladen soll, wofür er fast eine halbe Minute Zeit hat, dann reicht absolut einer von 1 kOhm aus. Der kann dann auch übliche Belastungswerte haben von 1/4 Watt, kleiner aber bitte nicht. Also 1 kO/ 0,25 oder 0,5 Watt.
Ich schreibe im Laufe des Tages mal was in den anderen Fred rein, den von Senti verlinkten.
Jetzt ist für mich eine etwas unglückliche Situation entstanden. In diesem Fred:
http://www.motor-talk.de/.../...mruesten-schon-erfahrung-t1802340.html
wurde lange ausführlich über die Problematik debattiert, das Aufblitzen von LED-Lampen während des Scanimpulses zu verhindern. Nun haben wir hier den neuen Beitrag von "Fragmann89" mit fast gleichem Anliegen, nur dass es diesmal um TFL geht und nicht um Blinker wie im anderen Fred. Wo also das „Blitz-Thema“ sinnvoll fortführen? Wie man's macht.... Also nehme ich den Faden der Blitz-Unterdrückung doch hier auf. Zumindest einen theoretischen Lösungsansatz kann ich anbieten – s.u..
Zunächst eine Manöverkritik der bisherigen Vorschläge im anderen Fred. Ausgerechnet denjenigen, welcher angeblich funktionieren soll, den mit den 10 Stück parallel geschalteten Elkos von jeweils 2.200 µF, lehne ich ab. Es gibt so Dinge, die macht man einfach nicht, und der gehört in diese Kathegorie. Rein sachlich: Den halte ich für völlig falsch dimensioniert, vor allem der Widerstand ist für seine eigentliche Funktion fehldimensioniert. Der Gegenentwurf, bzw. die Idee dazu, stammt von unserem Altvorderen „kbankett“ - hier leider höchstens noch als nicht aktiver Mitleser vertreten. Der hatte einen Microcontroller ins Gedankenspiel gebracht. Das aber wäre für mich wie der berühmte Ferrari, eigens zum Brötchenkauf angeschafft. Räusper....für uns natürlich ein R8!:D
Das Hauptproblem ist es, dass niemand Präzises über den „Kaltscan“ weiß. :( Das ist alles so schwammig: ein Impuls mit erhöhter Spannung, genannt wurde mal „mehr als 14 Volt“. Schon bei der Wiederholfrequenz scheiden sich die Geister, meist heißt es: 30 Sekunden. Es werden aber auch "alle 20 s" genannt. Über die Länge des Impulses ist gar nichts bekannt. Und das Wichtigste fehlt komplett: Wie energetisch ist der Impuls? Hat der die volle Power....oder ist der strombegrenzt? Wenn ja, in welchem Maße....etwa angepaßt an den jeweiligen „Lampen-Verbraucher“? Das zu wissen, wäre elementar nötig.
Seit einiger Zeit habe ich eine Vorstellung von einer Schaltung, die allerdings nicht umgesetzt wurde, weil bei meinem Dicken bis aufs Bremslicht alles als Glühobst läuft, und weil das Forschen nach dem „echten“ Impuls nicht so mal eben zu machen ist. Also:
Ein OP (Operations-Verstärker) überwacht den Pegel der Spannung „vor“ der zu kontrollierenden Lampe, in unserem Beispiel eine Tageslicht-LED-Lampe (TLL). Sobald der Überwachungs-Impuls erkannt wird, schaltet der OP einen Timer-OP (z.B. den LM555) für die Dauer des Impulses ein und der wiederum über einen Leistungs-MOSFet einen Lastwiderstand (LR) parallel zur TLL. Dieser R ist im einfachsten Fall so bemessen, dass der fließenden Gesamtstrom aus TLL und LR dem Strom des ersetzten Glühobstes entspricht.
Das ist aber nur der Start-Punkt für Testversuche. Solange die Energiemenge, bzw. Belastbarkeit des Impulses nicht bekannt ist, kann nur experimentiert werden. Wahrscheinlich muss der Widerstand noch verkleinert werden. Es soll ja erreicht werden, dass die Spannungserhöhung des Impulses eben gerade nicht stattfindet. Also muss eine kräftige Belastung her.
Der Charme dieser Lösung wäre es, dass nur für den sehr kurzen Bruchteil der Länge des Impulses ein kräftiger Stromfluss stattfindet, vermutlich also etwa 2 Sekunden lang. In den restlichen – sagen wir mal – 28 Sekunden, wird „Strom gespart“. Deswegen könnte auch auf so fette Last-Rs von 25 Watt verzichtet werden. Ein R von eins bis zwei Watt würde ausreichen. Die Schaltung bestünde ausschließlich aus absoluten Standard-Bausteinen, die jeder örtliche Elektronik-Händler vorrätig haben muss und die in jeder Elektroniker-Bastelkiste liegen. Der Material-Preis würde 5 Euro nicht überschreiten, und jeder, der überhaupt mal eine kleine E-Schaltung zum Laufen verlötete, könnte das nachbauen. Das fürs Erste.
Ach ne, doch nicht: Falls jemand Detailinformationen über die Daten des Impulses haben sollte....her damit!:mad:
Gruß, lippe1audi
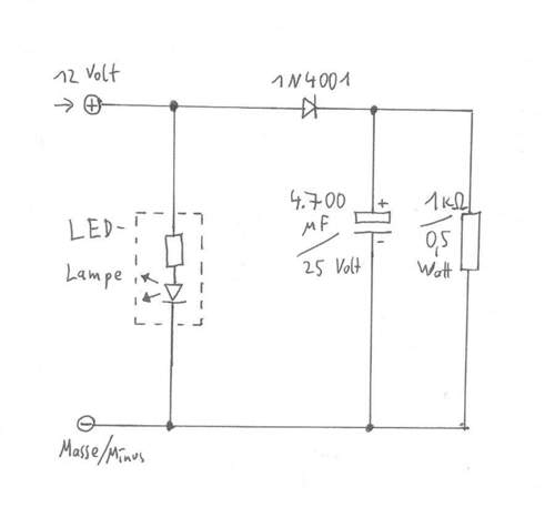
Als schnelle Hilfe noch mal die schon in früheren Beiträgen anderer User vorgestellte Schaltung, welche mit allereinfachsten Mitteln versuchen soll, den Scan-Impuls und damit das 30-sec-Aufblitzen von LED-Lampen zu verhindern. Die Werte der Bauteile habe ich mal nach meinen Vorstellungen überarbeitet. Das führt zunächst beim Elko dazu, dass ich empfehle, keine 16-Volt-Spannungsfestigkeit zu nehmen, sondern 25 Volt. Jeder weiß, dass im Bordnetz durchaus mal deutlich mehr als 12 Volt auftreten können, und solch große Elkos leben eh nicht so ewig, also hier bitte die 25 Volt-Ausführungen nehmen.
Beim Widerstand sehe ich völlig andere Werte als die der früheren Protagonisten. Die haben da wohl immer irgendwie noch an die Funktion eines Widerstandes gedacht, welcher die Fehlermeldung - defekte Lampe - verhindern soll, die auftritt, wenn man Glühobst nur durch LED-Lampe ersetzt, ohne für zusätzlichen Strom zu sorgen. Also......so geringe Werte wie dunnemals dargestellt z.B. 33 Ohm sind Unfug, wenn es nur um das geht, was wir jetzt hier thematisieren: Das 30-sec-Aufblitzen zu verhindern. Hier soll der Widerstand lediglich den Elko entladen, mehr nicht. Dazu habe ich eben eine Messreihe mit dem 4700 µF Elko gestartet. Die so ermittelten Werte von 1000 Ohm [ 1 kO ] und 0,5 Watt sind schon sehr reichlich dimensioniert. Kleinere Widerstandswerte sind völlig unsinnig, genauso wie höhere Watt-Belastbarkeit.
Für die Diode reicht irgendein Standard-Typ wie der sehr preiswerte Typ 1N4001 (oder ein anderer aus der 1N400X-Serie). Teueres ist nicht besser! Schaltplan im Anhang.
Gruß, lippe1audi
Hi Zusammen,
ich hab mich auch mal an einer Schaltung versucht um das LED-blitzen zu vermeiden.
Ende vom Lied: Läuft!
Zum Impuls: der ist weder Strombegrenzt, noch hat er eine andere Spannung. Länge < 10ms
(das bezieht sich allerdings nur auf das Rückfahrlicht; ich denke aber dass der Impuls einheitlich für das ganze Glühobst im Dicken ist; gibt zumindest keinen Grund warum das nicht so sein sollte)
Die Idee ist ein RC-Glied erst volllaufen zu lassen, welches verzögert einen Transistor durchschaltet.
Die Schaltung ist so dimensioniert, dass sie ca. 100ms braucht, bevor die LEDs befeuert werden.
--> damit länger als der Impuls lang ist --> kein Blitzen mehr
Der Vorwiderstand muss dann nur noch klein genug sein, damit genug Strom fließt und das Bordnetz nicht meckert.
Grüße
Schön, dass sich mal ein Praktiker gemeldet hat. Da mein Dicker voller Glühobst hängt, kann ich die Situationen evtl. nicht richtig einschätzen. Deshalb mal Fragen zum Grundstatz, Voraussetzung jedes Mal, jemand hat von Glühobst auf LED-Lampe umgerüstet und ärgert sich nun über "Blitzen".
1) Licht ist aus:
Die Zündung ist an, bzw. der Motor läuft, das Licht - egal welches - ist aus, und eine (mehrere) Lampe (n) blitzt(en) ca. alle 30 sec auf.
2) Licht ist an:
Blitzt es auch in diesem Zustand alle 30 sec an der normal leuchtenden LED-Lampe?
3) Hat jemand Spannungsmessungen, evtl. mit einem Oszilloscop gemacht über die Impulse oder gar technische Unterlagen darüber?
Zu deiner Schaltung,"Moikus", komme ich nachher.
Grüße, lippe1audi
@ Moikus. Schade, hatte gewartet, dass du dich noch mal meldest. Nun zu deiner Schaltung: Sieht auf den ersten Blick bestechend aus. Aber.......aber leider funktioniert deine Schaltung auch nur, wenn wieder dieser sehr niederohmige Belastungswiderstand drin ist (der ganz linke in der Zeichnung), und den braucht man häufig nicht mehr, z.B., wenn er in den LED-Lampen bereits verbaut ist. So ist das auch bei der L-Lampe von "Fragmann89". Da 2 solcher Rs unsinnig sind, müßte die o.g. Schaltung modifiziert werden.
Leider hast du Diverses vergessen. Dass die leitenden Verbindungen an den Abzweigungen nicht kenntlich gemacht sind, könnte als Versehen durchgehen. Aber die Bautteilewerte nicht alle in der Größe anzugeben, bzw. den Typennamen zu nennen (Trst.), verhindert schlicht den Gebrauch.
Die Einfachheit deiner Schaltung bedingt wohl auch den Einsatz eines Silizium-Transistors. Der hat einen Durchlass-Verlust von 0,6 Volt bis 0,7 Volt, also sind dahinter statt z.B. 12 V nur 11,4 V. Das klingt nach geringem Verlust, aber immerhin. Zudem muss der Trs. auch gekühlt werden.....alles so einfach für Ungeübte nicht.
Gruß, lippe1audi
Warum funktioniert sie denn nicht ohne Lastwiderstand?
Der ist optional und braucht man nur wenn die nachstehende LED nicht genug Strom zieht.
In der Schaltung steht sonst nichts weiter drin, weil es nur als Beispiel dient. Je nachdem welches Glühobst man ersetzt muss das RC-Glied und der Transistor andere Belastungen aushalten.
Die Frage war ja vor allem: "Wie bekommt man das blitzen weg"
Du darfst auch gern einen FET anstatt NPN nehmen, dann brauchst du aber einen 10x so großen Kondensator, weil der FET sonst zu schnell durchschaltet. :-)
Außerdem ist es Latte ob hinten raus 11,4 oder 12V anliegen, wenn danach die LEDs vernünftig angesteuert sind (und nicht mit Vorwiderstand^^)
Der Transistor wird quasi nie gekühlt werden müssen. Bis 0,8A kannst du immer noch ein TO-92 Gehäuse nehmen. Danach einfach TO-220
Deine Frage '2' versteh ich nicht ganz. Warum sollte es blitzen wenn es an ist?
Zu '3'. die Stg messen den Strom. (zu viel --> Fehlermeldung Kurzschluss; zu wenig --> Fm. Unterbrechnung)
Grüße, Moikus
Jetzt wundere ich mich aber doch, warum dir nicht auffällt, aus welchem Grund deine Schaltung ohne diesen Last-R nicht funktioniert. Ein Blick auf die "alte" Schaltungsversion, deren Idee von mir wiederbelebt wurde, hätte das gezeigt: Jeder Impuls lädt den Kondensator auf, und bei einem Mini-Ohm-Wert von 100 Ohm ist der in Millisekunden voll, die Lampe leuchtet, bzw. blitzt, da ja nichts da ist, was den Kondensator wieder entladen würde. Habe deine Schaltung mal fix aufgebaut, übrigens mit einem MBD507 von Motorola: Klare Sache, nix Blitzunterdrückung, aber sichtbares Leuchten, bzw. Blitzen.
Den Spannungsverlust durch einen Silizium-Transistor würde ich nicht so einfach weglächeln wollen. Dafür gibt es ja Mosfets, damit sowas weitestgehend vermieden wird. Bei einem Vorwiderstand von nur 100 Ohm wie in deinem Beispiel ist es fast Wurst, wie groß der Basisstrom des Transistors ist. Will sagen, der Basisstrom ist hier nicht maßgebend für das mehr oder weniger schnelle Aufladen des Elkos.
0,8 Ampere mal 0,6 Volt ergeben 0,48 Watt. Klingt nach wenig, aber wer mal seine Finger an einen eher kleinen (Belastbarkeit) Widerstand gehalten und mal probiert hat, ob 1 Watt nun was ausmacht oder nicht, und wer zudem weiß, wie thermisch kritisch es in Autoscheinwerfern zugehen kann, und - auch das noch - wer schon mal einen Scheinwerfer - egal ob hinten oder vorne - komplett zerlegt hat, der überlegt es sich genau, ob man nicht doch einen kleinen Kühlkörper spendieren sollte, damit das länger lebt.
Meine Frage 2 - Blitzen bei Licht an - hat sich durch deine Antworten über die Art des Scanimpulses (SI) erübrigt. Du hattest ja gesagt, dass der Strom kontrolliert wird. Da bin ich sehr froh, dass nun endlich mal jemand aufgetaucht ist, der etwas mehr über diesen SI zu wissen scheint. Bislang stand von dunnemals die Behauptung im Raum, der SI bestünde aus einem Impuls von 14 Volt und die Spannung würde überwacht.
Ich freue mich, "Moikus", dass du dich in die Debatte um den SI eingebracht hast. Jetzt wissen wir hoffentlich etwas mehr über dieses bislang unbekannte Wesen des SI. Dessen ungeachtet halte ich die alte Schaltung mit den von mir aktualisierten Bauteilewerten für geeignet, das Blitzen zu unterbinden.
Gruß, lippe1audi
Zitat:
Jetzt wundere ich mich aber doch, warum dir nicht auffällt, aus welchem Grund deine Schaltung ohne diesen Last-R nicht funktioniert
... so wie ichs geschrieben habe:
Zitat:
Der ist optional und braucht man nur wenn die nachstehende LED nicht genug Strom zieht.
--> die nachstehende Schaltung im LED-Modul entläd den Kondensator.
Zitat:
Jeder Impuls lädt den Kondensator auf, und bei einem Mini-Ohm-Wert von 100 Ohm ist der in Millisekunden voll
... natürlich tut er das, das ist auch der Sinn^^ Aber wie lange dauert es? Bitte nochmal nachrechnen! Denn das ist der entscheidende Punkt!
Zitat:
Habe deine Schaltung mal fix aufgebaut, übrigens mit einem MBD507 von Motorola: Klare Sache, nix Blitzunterdrückung, aber sichtbares Leuchten, bzw. Blitzen.
... Nimm doch mal nen Transistor, kein Diodenarray (zumindest find ich unter der Bezeichnung nichts anderes...)
Und weil du es mir vorhälst unpräzise zu sein: Welche Bauteile waren exakt wie verschalten, wie lang war dein Impuls? Und was für ein Leuchtmittel war dahinter?
Zitat:
Den Spannungsverlust durch einen Silizium-Transistor würde ich nicht so einfach weglächeln wollen.
... macht ja auch niemand^^ Ich sag nur, dass es die Spec von einem TO-92 hergibt. Ganz einfach.
Zitat:
0,8 Ampere mal 0,6 Volt ergeben 0,48 Watt.
... richtig Sherlock. Was du aber nicht bedenkst zur thermischen Belastung ist, dass du dir das Glühobst sparst und somit auch jede Menge Verlustleistung.
Ob dein Aufbau jetzt funktioniert hat oder nicht, meine Schaltung funktioniert und ist in dieser Auslegung +75 Ohm Vorwiderstand (wie bereits angedeutet) bei mir im Rückfahrlicht im Einsatz.
Kein Blitzen, keine Warnung!
Darfst gern vorbeikommen und es dir anschauen.

