- Startseite
- Forum
- Auto
- Mitsubishi
- Colt, Lancer & Space Star (Mirage)
- Bremsendrehmomente Space Star bj22
Bremsendrehmomente Space Star bj22
Mitsubishi Space Star 2 (AOO)
Themenstarteram 7. August 2023 um 19:03
Servus,
Muss meine Bremsen an der Vorderachse erneuern.
Deshalb wollte ich hier mal fragen ob jemand für mich die passenden anzugsdrehmomente für die Bremsen hat.
Würde mich sehr freuen
Liebe Grüße
Ähnliche Themen
3 Antworten
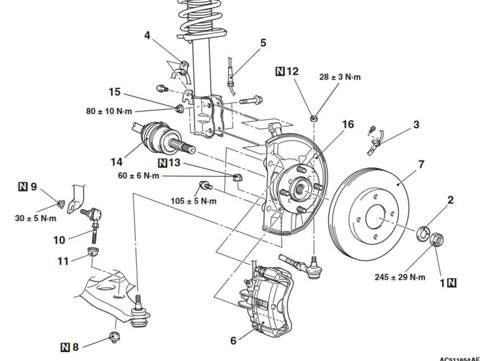
Is zwar vom Colt, allerdings dürfte da nicht viel anders sein.
Bremssattelbolzen selber 44 NM. Halter 105 NM.
Fest.....:-)
Zitat:
@Rotzirotz schrieb am 8. August 2023 um 16:32:55 Uhr:
Is zwar vom Colt, allerdings dürfte da nicht viel anders sein.
Bremssattelbolzen selber 44 NM. Halter 105 NM.
Schaff zwar seit 2 Jahren nicht mehr da, aber es müsste fast stimmen, warn meines wissens 45Nm für den Bolzen (14er Kopf) und der Halter mit 100 (17er Kopf), jeweils so +/-5 :D
