a6 4f kann man einen Schlüssel per vcds an lernen???
Hallo liebe Gemeinde.
Ich hoffe dieser Thread nervt nicht aber ich habe viel gegoogelt und leider bin ich mir nun nicht sicher was Sache ist. Ich habe mir einen neuen Schlüssel für meinen a6 4f bf 2011 beim freundlichen bestellt. Wollte eigentlich einen gebrauchten Schlüssel aber das geht ja nicht so einfach da der Schlüssel auf fahrgestellnummer programmiert wird. Deshalb direkt zum freundlichen und einen Schlüssel für rund 186 bestellt. Nun nach 5 Wochen ist der Schlüssel da und die möchten für das anlernen ca.40 € haben. Da ich vcds besitze und auch einiges schon damit gemacht habe wollte ich das eigentlich selber machen. Im netzt finde ich aber nur Anleitungen und Berichte über die alten Autos bis a6 4b. Nun meine Frage kann ich den neuen Schlüssel mit vcds anlernen? Den login habe ich auch nicht aber den würde ich mir bei Audi Anfragen.
Würde mich sehr freuen über eure Tipps.
Gruß Sergej
Ähnliche Themen
62 Antworten
Dann bitte ich doch mal hier um stichaltige Nachweise, was rechtswidrig ian den VAG Richtlinien ist und was nicht!
Der Komposchutz inkl. auch der WFS sind Bestandteile der Sicherheit.
Ich kann entegder Deiner Erkenntnis zB mit meiner FIN zu meinem Händler gehen und sehe alles, was in und an meinem Auto je gemacht wurde.
Umgehung auf nicht legalen Wegen, copieren oder was auch immer mag in einem Forum (wo auch immer dieses ist) vorhanden sein, aber hier ist ein legales Forum aktiv, welches dieses nicht unterstützt.
Ich bin Forenpate, ich liebe meine 4F und bin so froh, dass es eben genau diese Mechanismen gibt, das Eigentum zu schützen.
Wenn Du was kopieren und das Wissen, Meinung oder was auch immer dazu sharen möchtest, kann Dir keiner verbieten - jedoch haben wir hier Regeln, welche das Wissen über die Umgehung oder Verfielfältigung dieser Sicherheitsfunktion nicht erlauben.
Zitat:
@4F-Devil schrieb am 16. August 2021 um 21:43:32 Uhr:
Dann bitte ich doch mal hier um stichaltige Nachweise, was rechtswidrig ian den VAG Richtlinien ist und was nicht!
Der Komposchutz inkl. auch der WFS sind Bestandteile der Sicherheit.
Ich kann entegder Deiner Erkenntnis zB mit meiner FIN zu meinem Händler gehen und sehe alles, was in und an meinem Auto je gemacht wurde.
Umgehung auf nicht legalen Wegen, copieren oder was auch immer mag in einem Forum (wo auch immer dieses ist) vorhanden sein, aber hier ist ein legales Forum aktiv, welches dieses nicht unterstützt.
Ich bin Forenpate, ich liebe meine 4F und bin so froh, dass es eben genau diese Mechanismen gibt, das Eigentum zu schützen.
Wenn Du was kopieren und das Wissen, Meinung oder was auch immer dazu sharen möchtest, kann Dir keiner verbieten - jedoch haben wir hier Regeln, welche das Wissen über die Umgehung oder Verfielfältigung dieser Sicherheitsfunktion nicht erlauben.
Es ist z.B. das Recht an meinem Eigentum.
Meinen eigenen F4 muss ich doch nicht gegen mich selbst schuetzen.
Und seit Jahren ist es Gesetz, meine Werkstatt frei zu waehlen, auch Ersatzteile
sind davon nicht ausgenommen. Auch haben laut Gesetz die Hersteller die techn.
Unterlagen zur Verfuegung zu stellen. Die Bindung an Vertragswerkstaetten ist
laut Gesetz laengst entfallen, das sollte bekannt sein.
Und wenn ich mein Fahrzeug wie ich selbst repariere muessen die techn Unterlagen
auch fuer mich zugaenglich sein, auch wenn ich sie kaeuflich erwerben muss.
Und das Forum sollte eher die Rechte der Mitglieder schuetzen statt das
Unrecht der Hersteller.
Wo das hinfuehrt haben wir ja im Diesel-Skandal gesehen.
Wenn dir beim 3er oder 4er Golf das Zünschloß eingegangen hat man sich von Verwerter ein gebrauchtes Schloß mit Schlüssel geholt!Transponder von Orginalschlüssel eingesetzt und fertig! wo ist da der Unterschied ausser das ich hier einen Lötkolben brauche? Ich habe mit keinen Wort gefragt wie ich einen Schlüssel klone/erstelle oder welches Chinatool ich dazu benötige
meine Frage hat sich alleine auf den Transpondertyp bezogen und mehr nicht
WFS: Ganze ist ein heikles Thema und ein hat einen schmalen Grad zwischen was ist erlaub und was nicht
da bin ich ganz bei dir :)
Zitat:
@Kasperl 145 schrieb am 16. August 2021 um 23:18:04 Uhr:
Wenn dir beim 3er oder 4er Golf das Zünschloß eingegangen hat man sich von Verwerter ein gebrauchtes Schloß mit Schlüssel geholt!Transponder von Orginalschlüssel eingesetzt und fertig! wo ist da der Unterschied ausser das ich hier einen Lötkolben brauche? Ich habe mit keinen Wort gefragt wie ich einen Schlüssel klone/erstelle oder welches Chinatool ich dazu benötige
meine Frage hat sich alleine auf den Transpondertyp bezogen und mehr nicht
WFS: Ganze ist ein heikles Thema und ein hat einen schmalen Grad zwischen was ist erlaub und was nicht
da bin ich ganz bei dir :)
Hier evtl. eine weitere Entscheidungs-Hilfe: (868 MHz ist die richtige Frequenz)
https://www.autoschluessel-online.de/.../...6-haa-schluesselschaft?...
Auszug:
Service finden: (Ich suche z.B. bereits mehrere Jahre)
2. Machen Sie nun einen Termin bei einer der folgenden Programmiermöglichkeiten, um den Transponder und den Funk auf Ihr Auto codieren zu lassen (Kosten abhängig vom Fahrzeugtyp, Anfrage beim Schlüsseldienst / Werkstatt)
Wer kann diesen Schlüssel codieren:
Vertragswerkstatt......................................nein
freie Werkstatt..........................................nein
Autoschlüsselspezialist...............................ja
auf Autos spezialisierte Schlüsseldienste......ja
Premium Partner........................................ja
Vorkodierung via EEPROM:
Der Schlüssel muss vor der eigentlichen Programmierung noch auf Ihre Fahrzeugidentifikationsnummer (FIN) vorprogrammiert werden. Unser Autoschlüssel ist noch nicht auf die FIN vorkodiert. Dies muss vorab noch gemacht werden.
Vertragswerkstätten können das leider nicht machen. Bitte informieren Sie sich bevor Sie den Autoschlüssel programmieren lassen. (Meine Anmerung: ...und kaufen!!)
3. Ihr Schlüssel ist nun fertig. Allzeit gute Fahrt.
Zitat:
@Kasperl 145 schrieb am 16. August 2021 um 23:18:04 Uhr:
Und noch etwas zu China, man kann dazu stehen wie man will:
https://de.aliexpress.com/.../33034637096.html?...
https://de.aliexpress.com/.../33028408643.html?...
Von diesen beiden Flachschluesseln habe ich 2 gekauft, 1x fuer meinen Golf 4,
den anderen fuer meinen 4F. Beide mit Beleuchtung.
Parallel zur Bestellung fuer beide Schluessel Fotos der entspr. Klingen per
email zum Verkaufer versendet.
Beide Schluessel erhielt ich incl. Batterien und excellent gefraest und jeder mit
dem Glas-Transponder ID48 ueber DHL an meine Packstation.
(Fuer den Audi hatte ich vorher 4 Glastransponder ID8E gekauft (leer, jungfraeulich)
10,99 € incl. Versand)
Was habe ich nun bezahlt:
2....Schluessel wie beschrieben..3,48 €
2x...Fraesen Golf u. Audi...........6,69 €
gesamt also knapp ueber........10,17 €
Incl aller Nebenkosten Versand etc.
Damit kann ich beide Fahrzeuge schliessen, aber noch nicht starten.
Entweder finde ich nun bald einen Schluesseldienst oder ich muss mir
zumindest fuer die Flachschluessel die Programmiergeraete kaufen
Zitat:
@Kasperl 145 schrieb am 16. August 2021 um 23:18:04 Uhr:
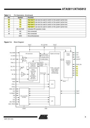
Hallo,
hier ersteinmal 4 Seiten als Auszug der fast 100-seitigen Techn-Daten
des Transceivers Atmel ATA8511, der dem Transponder ID8E / EM4078
auf der Platine gegenueberliegt.
Dann noch ein Bild des Chip IC, der auf der Platine dazwischen liegt.
Dessen Beschriftung und damit auch Funktion habe ich noch nicht
herausgefunden.
Und das Bild der Original-Platine des 4F0837220D bzw.R mit dem Hinweis
auf den ID8E bzw. EM4078.
Von dem IC in der Mitte und dem EM4078 habe ich noch keine Unterlagen.
MfG
Zitat:
@labuhnwer schrieb am 22. August 2021 um 05:35:46 Uhr:
Zitat:
@Kasperl 145 schrieb am 16. August 2021 um 23:18:04 Uhr:
Hallo,
hier ersteinmal 4 Seiten als Auszug der fast 100-seitigen Techn-Daten
des Transceivers Atmel ATA8511, der dem Transponder ID8E / EM4078
auf der Platine gegenueberliegt.
Dann noch ein Bild des Chip IC, der auf der Platine dazwischen liegt.
Dessen Beschriftung und damit auch Funktion habe ich noch nicht
herausgefunden.
Und das Bild der Original-Platine des 4F0837220D bzw.R mit dem Hinweis
auf den ID8E bzw. EM4078.
Von dem IC in der Mitte und dem EM4078 habe ich noch keine Unterlagen.
MfG
Den IC in der Mitte habe ich nun auch gefunden.
Er ist von "Microchip" und hat die Bezeichnung: (oberste Zeile)
567 942 011
56040
Logo "M" 050917S
Kein Datenblatt gefunden, auch sonst sehr wenig Info zu diesem Chip.
Ich versuche mal ueber die Anschluesse und Verbindungen der Chips
untereinander der Funktion einigermassen auf die Spur zu kommen.
Bei der Gelegenheit:
Der Metallbuegel / Schluesselanhaenger hat vermutlich die Zusatzfunktion,
die auf der Platine befindlichen Leiterbahn = Sendespule fuer die Fernbedienung
zu unterstuetzen, der Metallbuegel verlaeuft naemlich parallel zur Leiterbahn
und hat evtl. dazu sogar eine metallische Verbindung.
MfG
Werner Labuhn
Dann hänge ich hier noch die Bilder von 4F0837220K (Keyless Go) an
Ohne versucht zu haben, nach Datenblättern zu forschen: Der "Chip in der Mitte" könnte gut ein EEPROM sein, um halt Daten, Tabellen oder Programmteile dauerhaft zu speichern.
Grüße, lippe1audi
Danke hier für die Infos, dachte bisher dass der Transponder weiterhin als Glasröhre beim 4f vergossen ist und ich nur die Plantine tauschen bzw anlernen muss für die defekte funkeinheit. Leider nicht so.
2014 war der Schlüsselpreis noch 130€, 2022 liegen wir nun bei 249€ brutto ohne anlernen. Hätte ich damals bloß bestellt, könnte kotzen.
geht auch billiger
https://de.aliexpress.com/.../4001201210715.html?...
allerdings muß der Schlüssel mit VVDI2 oder FVDI konfiguriert werden
..mit Odis bekommst du die teile nicht angepasst
jedenfalls nicht auf den offiziellen Wege... hatte ich mehrfach solche für den 4g hier; ab in die Tonne danach
von ODIS war keine Rede!
Mit VVDI2 kann man einen "Händlerschlüssel" erstellen und ab da könnte man sogar mit VCDS den Schlüssel anlernen
aber ohne Gundkonfiguration geht selbst mit ODIS nix
Es wird nur ein Bruchteil VDI2 haben …
Erledigt, er hat 2 neue Schlüssel bekommen. Inkl fräsen und anlernen!





