Sun Apr 12 13:09:24 CEST 2020
|
Dynamix
|
Kommentare (15)
| Stichworte:
4, Caprice, Chevrolet, Sheriff;
Da wir beim Sheriff in Sachen Vorderachse jetzt einmal den Rundumschlag gemacht haben, werfen wir bei der Gelegenheit gleich mal einen tieferen Blick in die Fahrwerkstechnik. Immerhin wird den Amerikanern ja immer vorgeworfen Fahrwerke zu bauen die entweder völlig antiquiert, viel zu weich, zu schwammig, zu schaukelig sind oder erst gar nicht funktionieren. Dieser Artikel soll dieses Klischee etwas gerade rücken und einen tieferen Blick in den amerikanischen Fahrwerksbau geben. Soviel sei schon verraten: So schlimm wie behauptet ist es gar nicht! Aber dazu mehr später im Text
Da selbst verschiedenste Fahrwerkskonstruktionen am Ende des Tages auf den mehr oder weniger gleichen Prinzipien beruhen ist der Artikel auch für nicht US-Car Fahrer interessant. Denn grundsätzlich haben europäische oder asiatische Fahrwerke die selben Schwachstellen wie die aus dem Land der unbegrenzten Möglichkeiten.
Fangen wir mal mit dem fiesen Part an und gehen auf die typischen Defekte ein. So ein Fahrwerk kann schon nach 100.000km und weniger bzw. ein paar Jahren anfangen ernste Verschleißerscheinungen zu zeigen. Ja, dies kann auch durchaus moderne bzw. relativ neue Autos betreffen und das durch alle Hersteller hindurch wie man dem jährlichen TÜV-Bericht entnehmen kann.
Typische Anzeichen für Defekte
Der Klassiker unter den defekten Fahrwerksteilen sind die Gummilager die an vielen Stellen eines Fahrwerks zu finden sind. Zusammengesunkene, spröde oder gerissene Gummilager erkennt man gut an ihrem zusammengequetschtem, rissigen Look. Man kann es auch erfühlen, da die Risse daher rühren das die Gummilager schlicht ausgetrocknet sind. Dadurch fehlt die nötige Elastizität welche die Gummilager ja gewährleisten sollen. Die Folge: Die Fahrwerksgummis werden rissig, bewegen sich aus Ihrer Buchse heraus oder reißen im schlimmsten Falle gleich aus. Die Folge: Es entsteht Spiel im Fahrwerk oder schlimmeres.
Ein weiterer typischer Defekt sind ausgeschlagene Lager oder Gelenke. Ausgeschlagene Lager erkennt man unter anderem an Geräuschen welche die Achse oder die Lenkung unter bestimmten Belastungen machen. Ausgeschlagene Gelenke erkennt man beim Caprice, neben massivem Lenkspiel, an dem typischen knacken der Lenkung bei Volleinschlag. Das wäre dann der typische Spurstangendefekt. Für eine ordentliche Diagnose schadet es nicht den Wagen mal auf die Bühne zu fahren und mal kräftig an den Gelenken zu wackeln. Kann sich das Gelenk in seiner Pfanne hin und her bewegen sind Sie fällig für den Tausch. Ebenso sollten die Gelenke in der Lenkung und im Fahrwerk grundsätzlich straff sein und sich nicht so einfach bewegen lassen. Lassen sich die Gelenke mit so gut wie keinem Kraftaufwand bewegen sind diese platt und gehören erneuert!
Auch immer gerne genommen, sind ausgelutschte Stoßdämpfer die zum Teil schon undicht oder gleich ganz platt sind und damit dem Wagen ein sehr schaukeliges Fahrverhalten bescheren. Wir haben das beim Wagon eines Kumpels gehabt dessen hintere Stoßdämpfer brutal am Ende waren. Die Hinterachse hat bei der kleinsten Bodenunebenheit nachgeschaukelt wie verrückt. Ausgelutschte Stoßdämpfer sind dann nicht selten auch für das Schaukelklischee verantwortlich das Amerikanern gerne nachgesagt wird. Klar schaukeln Amerikaner, vor allem wenn man noch Stoßdämpfer von Aftermarketherstellern verbaut hat die in den 70ern schon pleite gegangen sind, Stoßfämpfer einbaut die neu schon nichts taugen weil schlicht billiger Schrott oder gleich das 60 Jahre alte Originalteil noch Dienst schieben muss
Der Unterschied zwischen Billig- und Markendämpfern konnte beim Sheriff in Lichtjahren gemessen werden. Die Dämpfer waren DEUTLICH härter und haben die Seitenneigung fast auf null reduziert. Der Punkt mit den Uraltteilen tritt gerne mal auf wenn sich die Besitzer nie drum kümmern, auch wenn ein neuer Satz Dämpfer beim Caprice wirklich nicht die Welt kostet und auch der Aus- und Einbau im schlimmsten Fall 3 Stunden dauert wenn die Schrauben festgegammelt sind. Ohne gammelige Schrauben hat ein erfahrener Schrauber alle 4 in weniger als einer Stunde getauscht. Auf dem Bild weiter oben sieht man rechts den einen Dämpfer der, bei der Demonstration des Unterschiedes zwischen billig und teuer, einfach mal stecken geblieben ist. Das Teil war bestenfalls 2-3 Jahre alt bevor jemand auf den Trichter kommt der Dämpfer wäre uralt gewesen
All diese Punkte haben dramatische Auswirkungen auf das Fahrverhalten! Das berühmt berüchtigte Lenkspiel und das damit einhergehende indirekte Fahrverhalten bei Amerikanern rührt fast immer von ausgeschlagenen Gelenken, rissigen Gummis bis hin zu einem kaputten Lenkgetriebe her und nicht davon das die Amerikaner keine Autos bauen können. Man darf nie vergessen das die beliebtesten Amerikaner in Deutschland fast immer Oldtimer sind die locker zwischen 30 und 60 Jahren alt sind und um die sich vorher nie jemand so gekümmert hat. Amerikaner die sowas in den Export geben schon gar nicht! Hier muss man auch immer bedenken das die Amerikaner die wirklich guten Autos mittlerweile gar nicht erst rausgehen lassen und die Importeure ihre Autos nicht selten von Privatpersonen holen welche diese, nicht ohne Grund, zu einem niedrigen Kurs abgeben. Da Amerikaner gerne auch mal selber Hand anlegen, kommt dabei in nicht seltenen Fällen gefährliches Gebastel heraus. Nicht jeder Amerikaner ist ein begnadeter Schrauber oder eine Customizinglegende
Da der typische US-Car Fan dann auch eher in die Kategorie Schnäppchenjäger und Bastler fällt holen die Importeure dann entsprechend günstige Autos aus den USA. Mal so als Beispiel zum verdeutlichen:
Einen Crown Victoria bekommt man dank langer Bauzeit und massenhafter Produktion für den Flottendienst in den USA schon problemlos für um die 1000$. Bis der Wagen dann mit Überführung, Verzollung, Steuer, Vollabnahme, Zulassung und Gewinnmarge beim Händler auf dem Hof steht kostet der Wagen dann schnell mal 8000-10.000€. An diesen Autos gibt es meistens auch schon genug zutun. Autos die kurz vor Ausmusterung bzw. Verkauf noch einmal ordentlich durchrepariert wurden findet man in dem Budgetbereich eher selten. Das ist aber genau der Budgetbereich in dem der typische US-Car Anfänger gerne sucht da keiner bereit ist mal eben 20.000€ und mehr für einen guten US-Klassiker auszugeben. Da muss der Wagen schon zur Kategorie "über alle Maßen begehrenswert" gehören, sprich Muscle Cars wie ein 68er Charger R/T oder eine alte Big Block Stingray Corvette.
Jetzt überlege man sich mal wie gut ein 30-50 jähriger US-Klassiker sein kann wenn er für unter 10.000€ auf dem Hof der einschlägigen Händler/Importeure steht Genau diese fehlende Erfahrung ist es dann auch worauf sich viele der gängigen Klischees zurückführen lassen. Das Beispiel habe ich ja selbst vor der Tür stehen. Ich bin in der glücklichen Lage das bei meinem eigenen Caprice das Fahrwerk noch in Ordnung ist und ich hier die defekten Teile schon habe ersetzen lassen. Der Lohn: Kein Lenkspiel, für das Alter wenig Wankneigung und ein stabiles Fahrverhalten. Man darf auch nicht den Fehler machen und die Abstimmung eines 30 Jahre oder älteren Autos mit denen von modernen Autos zu vergleichen. Viele Hersteller trimmen Ihre Fahrwerke auf die typischen Autozeitungstestkriterien hin. Komfort wird immer unwichtiger, solange der Wagen dann im Slalomtest 1-2 km/h flotter fährt. Besonders deutlich wird das bei den Bremsentests wo den Testern immer öfter auffällt das die Hersteller ziemlich sportliche Reifen aufziehen um bei den Bremsentests auch noch ein paar cm mehr rauszuholen. Wohin das führt durfte ich letztens bei der AMS wieder sehen. Da waren dann Kompaktwagen dabei die für den Bremstest gerade mal 33-34 Meter gebraucht haben. Das wären vor 10 Jahren noch Werte gewesen die eines Porsche würdig gewesen wären.
Aber ich schweife ab, also zurück zum Thema
Wenn Ihr euch also für einen Amerikaner interessiert, versucht einen Spezialisten zu organisieren oder gleich eine Begutachtung in einer qualifizierten Werkstatt. Das erspart in erster Linie viel Aufwand, auch in finanzieller Hinsicht, sowie Ärger. Zudem wisst ihr von vornherein was euch alles erwartet und könnt entsprechend planen. Vor allem sollte die Überlegung im Vordergrund stehen ob man sich auf die ganzen Reparaturen einlassen will oder ob man lieber gleich etwas mehr Geld in die Hand nimmt und was besseres sucht. Nicht selten sind Suchvorhaben schon krachend an unrealistischen Vorstellungen gescheitert weil überall erzählt wird das man gute Amerikaner für einen Appel und eine Ei bekommt und die Realität dann oftmals doch anders aussieht. Diese Wahrnehmung führt auch nicht selten dazu das sich Leute ein vermeintlich gutes Auto zu einem Schnapperpreis andrehen lassen welches sich dann in einer Werkstatt oder bei der Vollabnahme als gefährliches Wrack herausstellt. Da wurde aus dem mit 1+ bewertetem Klassiker auf so mancher Hebebühne dann plötzlich ein Note 6 Auto welche ohne erheblichen finanziellen Aufwand nicht mehr verkehrstauglich gemacht werden kann.
Wer ansonsten das Thema einmal richtig angeht, defekte Teile entsprechend tauscht und danach regelmäßig und vernünftig wartet wird nie Probleme mit einer indirekten Lenkung oder schwabbeligem Fahrverhalten haben! Gerade das abschmieren kann bei so manchem alten Auto die Lebensdauer der Fahrwerksteile massiv verlängern.
Allgemeines
Um das ganze Fahrwerksprinzip jetzt etwas besser zu verstehen und mit ein bisschen Wissen zu unterfüttern, gehen wir auf die Achskonstruktion des Caprice ein. So wird dann auch einigermaßen klar wo man die oben genannten Punkte findet und worauf man alles achten sollte.
Meint man immer das Amerikaner in Sachen Fahrwerk so rückständig wären, so ist dem doch nicht immer so. Viele Konstruktionen sind mehr als solide und stehen europäischen Fahrwerken aus Ihrer Zeit in nichts nach. Die Europäer haben oftmals sogar amerikanische Konstruktionen wie die MacPherson Achse übernommen und verbauen diese heute noch in Massen. Dafür haben sich die Amerikaner an anderer Stelle bei den Europäern bedient aber dazu später mehr
Gerade der Caprice verblüfft mit einer Achskonstruktion die nach heutigen Maßstäben eher aufwändig als billig ist. Während viele europäische und asiatische Hersteller seit den 70ern vermehrt auf den günstigen und kompakten Frontantrieb und damit auf die günstige und platzsparende McPherson Achse gesetzt haben (und immer noch setzen), so besitzt der Caprice ab Werk eine sogenannte SLA (Short-long Arm) Aufhängung oder auch Double-Wishbone Suspension genannt. Bei uns kennt man das Prinzip besser als Doppelquerlenker Achse und die ist gar nicht mal so schlecht wen man Sie sich mal im Detail ansieht.
Doppelquerlenkeraufhängungen gibt es grundsätzlich schon sehr lange und waren lange Zeit der Standard bei den allermeisten Fahrzeugen bis runter in die kompakteren Fahrzeugklassen. Erst die weite Verbreitung des Frontantriebs und der immer höhere Kostendruck auf die Hersteller hat die Doppelquerlenkerachse zugunsten der MacPherson Aufhängung, benannt nach Ihrem Entwickler Earle S. MacPherson der diese Achse Ende der 40er für GM entwickelt hat, aus den meisten modernen Autos verbannt. Bei einer Doppelquerlenkerachse verbinden Stoßdämpfer und Feder den oberen und unteren Querlenker miteinander. Die oberen Querlenker sind dabei mit dem Rahmen verbunden während die unteren Elemente mit der Lenkung verbunden sind. Diese Konstruktion kam besonders gerne bei Body on Frame Autos zum Einsatz, unter anderem weil Sie deutlich stabiler ist als eine MacPherson Aufhängung und dazu noch den Vorteil hat das sich der Radsturz durch Kurvenfahrten oder Bodenunebenheiten so gut wie nicht ändert. Früher mehr oder weniger der Standard für Vorderachsaufhängungen, kommt diese Konstruktion heutzutage hauptsächlich bei schweren Fahrzeugen oder Sportwagen zum Einsatz.
Vorteile
In Sachen Handling hat die Achse durchaus ihre Vorteile! Durch die hohe Stabilität, bedingt durch die Doppelquerlenker, wird eine sehr gute Radführung erreicht. Ein weiterer Vorteil ist die kinematisch größtmögliche Freizügigkeit welche diese Konstruktion bietet, wodurch man das Handling stärker beeinflussen kann als bei einer McPherson Aufhängung. Die Amerikaner haben, neben der hohen Fahrstabilität, auch wegen der grundsätzlichen Haltbarkeit dieser Achsen gerne auf Sie zurückgegriffen. Gerade auf langen Strecken ist Fahrstabilität wünschenswert und die Solidität ist ein netter Nebeneffekt da die Bevölkerungsdichte in den USA je nach Ecke nicht die höchste ist und Werkstätten somit schon mal Mangelware sind und Zuverlässigkeit somit ein hohes Gut ist.
Schaut man sich alleine die Querlenker des Caprice an und vergleicht diese mit den üblichen Querlenkern die in kleineren Autos verbaut werden sieht man schon das diese locker 3-4 mal dicker sind als ihre Pendants. Das macht die Teile zwar groß und schwer, dafür aber auch wie erwähnt extrem stabil und haltbar. Es gab den berühmten Bordsteintest den der Caprice für den Polizeieinsatz bestehen musste. Dieser bestand darin das der Wagen mehrmals mit einem bestimmten Tempo gegen einen Bordstein gefahren wurde. Diese Tortur musste die Vorderachse über 50 mal überstehen. Brach ein Achsteil vorher so hat man es einfach noch massiver ausgelegt. So hat GM es getan, so hat es Amerika immer schon gemacht
Ich könnte da jetzt aus dem Nähkästchen plaudern wie stabil allein die Spurstangen sind aber das ist eine ganz andere Geschichte
Nachteile
Wo es Licht gibt, gibt es natürlich auch Schatten! Der für die Autoindustrie größte Nachteil an Doppelquerlenkerachsen war zum einen ihre höhere Komplexität, verglichen mit der MacPherson Aufhängung. Durch das Plus an beweglichen Teilen sind Doppelquerlenkerachsen komplexer als MacPherson Aufhängungen da schlicht mehr Teile vorhanden sind und das Potenzial für einen Defekt entsprechend höher ist. Die höhere Komplexität führt dazu das nur ein Teil kaputt gehen muss, damit der Wagen nicht mehr so fährt wie er soll. Auf den Punkt gehen wir aber später noch im Detail ein wenn wir kurz die Komponenten von Achse und Lenkung des Caprice durchgehen. Das wirkt sich natürlich auch auf die Wartungsfreundlichkeit aus. Wie heißt es so schön: Je mehr dran ist, desto mehr kann kaputt gehen!
Ein weiterer Nachteil für die Hersteller liegt in der Produktion. Durch die höhere Komplexität müssen nicht nur mehr Teile sondern auch mehr Zeit für die Montage aufgewendet werden. Das hat natürlich Nachteile bei den Montagekosten und der Kosten für die Bauteile was die Gesamtkosten natürlich in die Höhe treibt und die Marge entsprechend schmälert. In einer Branche in der schon 2-3 Cent Differenz pro Bauteil einen riesigen Unterschied machen ein nicht zu unterschätzender Faktor!
Ein weiterer Nachteil bei der Achse liegt in dem höheren Gewicht und den damit verbundenen höheren ungefederten Massen begründet. Da Platz bei einem massiven, 5,5 Meter langen Fahrzeug allerdings kein wirkliches Problem darstellt bestand kein Grund für eine platzsparende Konstruktion. Die wirklichen Nachteile bei der Fahrdynamik kann man im Falle des Caprice getrost vernachlässigen, da die Autos weder klein, noch leicht sind und auch nicht sein sollten. Somit überwiegen beim Caprice die Vorteile der Doppelquerlenkerachse wie Fahrstabilität und Haltbarkeit.
Die Konstruktion kommt auch heute noch gerne in großen und schweren Fahrzeugen zum Einsatz
Audi setzt im Q7 auf eine Doppelquerlenkervorderachse da eine Vorderachse in einem SUV dieses Kalibers einiges aushalten muss. SUV in der Größenklasse bringen heutzutage gut und gerne 2 Tonnen und mehr auf die Waage! Allein der Q7 schwankt zwischen 2 und 2,5 Tonnen Leergewicht.
Wie der sportliche Anwendungsbereich einer solchen Achse aussieht kann man, ebenso bei Audi, am R8 sehen. Klar sind die Achsen hier nicht 100% identisch mit der des Q7 oder des Caprice, aber wie schon gesagt, dass Prinzip ist ähnlich
Schauen wir uns im Vergleich dazu die beliebte MacPherson Aufhängung einmal genauer an:
Bei der MacPherson Aufhängung entfällt der obere Querlenker und die Feder-/Dämpfereinheit ist tragender Teil der Achse. Während der untere Teil im Querlenker sitzt, wird der obere über die Domlager mit der Karosserie verbunden. Dies macht die Konstruktion, wie bereits gesagt, sehr kompakt, günstig und hat dazu noch den Vorteil das es über weniger ungedämpfte Massen verfügt als andere Aufhängungen. Außerdem kann man Sie in der Produktion wunderbar "am Stück" montieren was auch wieder Zeit und somit Geld bei der Montage spart. Da verwundert es nicht das viele Hersteller Ihre Autos seit Jahrzehnten nach diesem Strickmuster bauen. Für die Anforderungen der meisten Kunden reicht es ja auch völlig aus!
Allerdings hat diese Konstruktion auch handfeste Nachteile! MacPherson Achsen heben den Schwerpunkt des Autos an, was es schwieriger macht den Schwerpunkt nach unten zu verschieben. Ebenso ändert sich der Winkel des Radsturzes durch die Konstruktion bei jeder Bewegung der Aufhängung. Dies macht es schwierig dafür zu sorgen das bei Kurvenfahrten alle 4 Räder den bestmöglichen Kontakt zur Straße halten, was ja unter anderem der Sinn und Zweck einer Aufhängung ist. Es gibt zwar mittlerweile MacPherson Aufhängungen die soweit entwickelt sind das einige der handfesten Nachteile abgemildert werden aber dies ist auch nur mit massivem Einsatz möglich was die ganze Sache natürlich wieder deutlich komplexer macht als ursprünglich mal vorgesehen.
Beim Focus RS MK II hat Ford beispielsweise die Lenkung soweit wie möglich vom Fahrwerk abgetrennt um das verhasste Leistungsuntersteuern von starken Fronttrieblern zu verhindern bzw. um die Lenkeinflüsse auf das Fahrwerk zu reduzieren. Das Ganze hat Ford Revo Nuckle genannt während GM ein sehr ähnliches Prinzip unter dem Namen Hi-Per Strut auf den Markt gebracht hat. Die Trennung wird durch ein spezielles Federbein erreicht. Normale Federbeine bei einer McPherson Aufhängung haben eine Aufnahme für die Feder/Dämpfereinheit und für den unteren Querlenker. Bei der Hi-Per Strut Aufhängung sind am Federbein 3 Aufnahmepunkte, eine für die Feder Dämpfereinheit und zwei für den seperaten Achsschenkel an dessen Unterseite der Querlenker hängt. Man sieht den Unterschied auf dem Vergleichsbild ganz gut. Dadurch wird die Lenkung stärker vom Antrieb entkoppelt. Wie gesagt, die Hersteller versuchen aus der McPherson Aufhängung für die Topmodelle noch einiges rauszukitzeln.
Natürlich gibt es heute noch bessere Aufhängungen als die Doppelquerlenkerachse wie zum Beispiel die Mehrlenkerachse aber das würden den Rahmen hier endgültig sprengen. Stellt euch einfach alle Vor- und Nachteile der Doppelquerlenkerachse im Quadrat vor und Ihr habt eine grobe Ahnung was moderne Mehrlenkerachsen können und was Sie nicht können
Die Hinterachse des Caprice ist starr ausgeführt ist somit nicht unabhängig wie an der VA. Trotzdem hat die HA jeweils 2 Lenker pro Achse womit Sie streng genommen eine 4-Lenkerachse ist welche auch heute noch Anwendung im Automobilbau findet. Damals waren 4-Lenker- sowie Starrachsen noch völlig normal (wie schon gesagt waren 5-Lenker Achsen wie die Raumlenkerachse damals noch eine teure Spielerei und längst nicht der Standard!) wobei Sie heute meist nur noch bei Fahrzeugen verwendet werden die günstig in der Produktion sein sollen. Mein Mii hatte beispielsweise noch so einen Hybrid aus Starrachse und Einzelradaufhängung. Wird im Volksmund auch gerne Halbstarrachse genannt. Die Dinger kommen wie gesagt heute noch gerne zum Einsatz, eben überall da wo es günstiger zugeht. Diese Achsen findet man heute für gewöhnlich hauptsächlich noch ab Kompaktklasse abwärts.
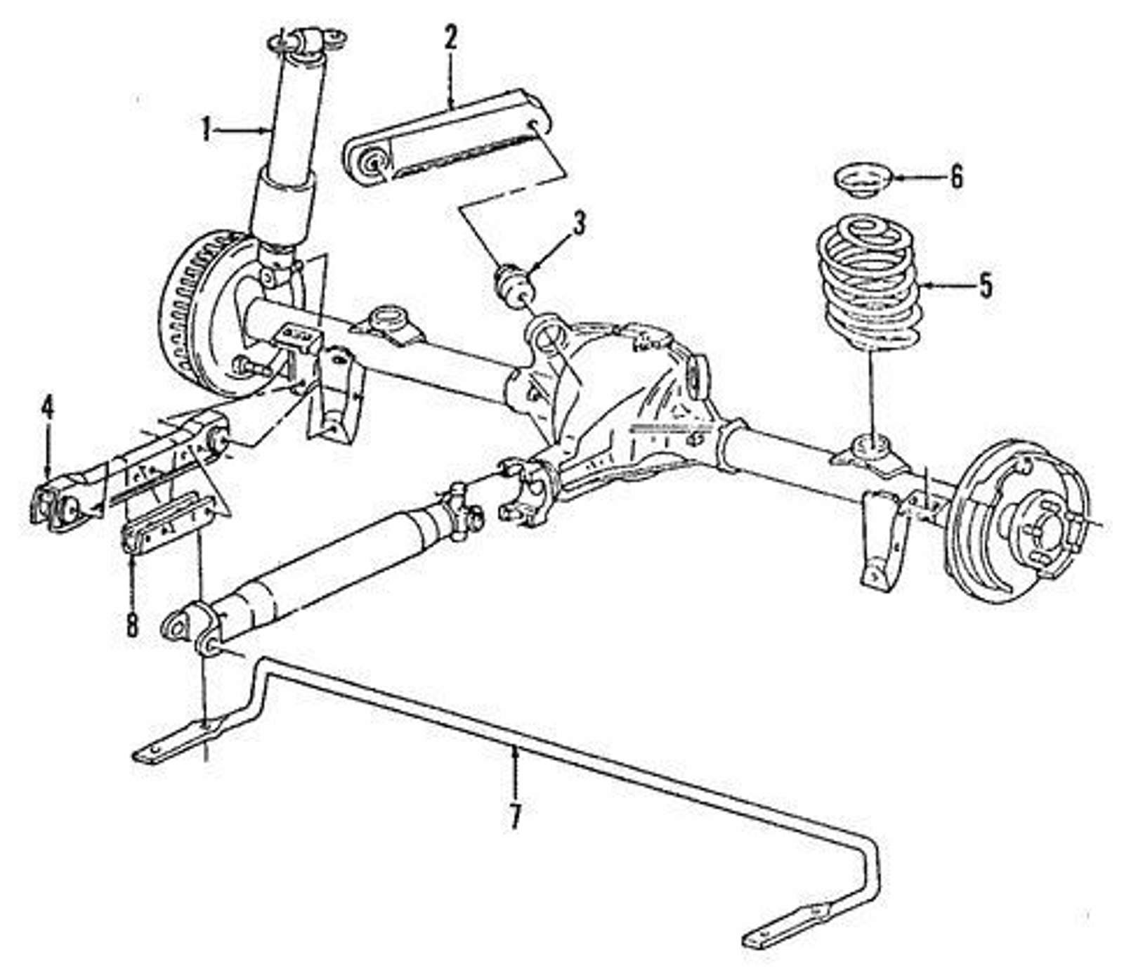
Bei den schwächer motorisierten Golf Versionen spart man sich beispielsweise die 5-Lenkerachse ein und verbaut die günstigere 4-Lenkerachse. Auf dem Bild wird hoffentlich einigermaßen deutlich wie das Ganze beim Caprice funktioniert. Der dicke Eisenbrocken mit den zwei Rohren an der Seite ist die berühmte Salisbury Starrachse. Die Achse bildet mit dem Differentialgehäuse eine Einheit. Die Antriebswellen sind über das Achsgehäuse seitlich über die Rohre in das Differential gesteckt. Das sind dann die berühmten Steckachsen. Daran hängen dann die Bremsen womit die Salisbury Achse auch schon komplett wäre. An der äußeren Seite der Achse befinden sich die Aufnahmen für die Stoßdämpfer, etwas weiter innen die für die Schraubenfedern. Ebenso an der Außenseite der Achse, zur Front hin, befinden sich die Aufnahmen für die unteren Längslenker. Diese verbinden die Achse somit von unten mit dem Rahmen. Damit hätten wir schon einmal 2 der 4 Lenker gefunden
Ich muss wohl nicht erwähnen das diese wie so gut wie alles an dem Auto sehr massiv aufgeführt sind
Wo wir jetzt die graue Theorie abgehakt haben, gehen wir mal etwas in die Tiefe und schauen uns die Teile mal im Detail an, zumindest an der Vorderachse da an der Hinterachse in der Hinsicht nicht viel zu holen ist wie man gerade sehen konnte
Was tut das da?
Center Link
Der Center Link verbindet die Umlenkhebel (Pitman/Idler Arm) mit den Spurstangen. Er übertragt also die Bewegung des Lenkgetriebes und gibt diese über die Spurstangen an die Räder weiter. Wenn hier die Lager ausgeschlagen sind ergibt sich ein Spiel das man natürlich in der Lenkung spürt.
Spurstangen
Den Spurstangen kommt die Aufgabe zu die Lenkbewegung von Umlenkhebeln und Center Link auf die Querlenker und damit auf die Räder zu übertragen. Die Spurstangen beim Caprice sind zweiteilig und mittig über eine Einstellhülse verbunden. Über diese kann unter anderem dann auch die Spur eingestellt werden. Auch diese schlagen mit fortschreitendem Alter sehr gerne aus. Die Folge ist auch hier wieder Lenkspiel.
Pitman Arm/Idler Arm
Der Pitman Arm, im deutschen auch Umlenkhebel genannt, ist das Pendant zum Idler Arm der im Prinzip das selbe macht wie der Pitman Arm, nur eben das er direkt am Lenkgetriebe sitzt. Der Pitman Arm überträgt damit die Bewegung des Lenkgetriebes direkt an den Center Link, während der Idler Arm im Prinzip nur mitlenkt. Der Idler Arm hat deshalb auch ein Gelenk das abgeschmiert werden muss, da eine starre Ausführung wie beim Pitman Arm wohl schwer funktionieren würde. Daraus ergibt sich auch die ungerade Anzahl an Schmiernippeln
Ist der Idler Arm ausgeschlagen merkt man das massiv in der Lenkung. Die Lenkung wird dann besonders um die Mittellage herum sehr indirekt und man hat dieses typische Lenkgefühl das man so gut wie allen Amerikanern nachsagt. Gerade der Caprice leidet mit dem Alter nicht selten unter einem ausgeschlagenen Idler Arm. Der Idler Arm kostet nicht die Welt und ist in einer erfahrene Werkstatt schnell getauscht. Somit kann man für eine handvoll Dollar seinem Auto ein wesentlich angenehmeres Fahrverhalten bescheren. Der Idler Arm war in meinem Falle bei Kauf schon ausgeschlagen und die Reparatur eliminierte in Kombination mit neuen Spurstangen das Lenkspiel komplett. Gleiches Spiel beim Sheriff wo der neue Idler Arm das massive Lenkspiel zumindest schon einmal abgemildert hat.
Steering Coupler
Dieses Teil verbindet die Lenkstange mit dem Lenkgetriebe, man kann sich das Ganze ein bisschen wie die Gelenke zwischen Kardanwelle und Differentialgetriebe vorstellen. Auf deutsch ist das Teil auch als Hardyscheibe bekannt welche es eben nicht nur bei Kardanwellen gibt
Stoßdämpfer
Stoßdämpfer tragen wesentlich zu einem stabilen Fahrverhalten und komfortablen Fahrverhalten bei. Sie haben die Aufgabe die Schwingungen, welche die Unebenheiten im Boden auf das Fahrwerk übertragen, abzuschwächen. Am besten lässt sich der Effekt durch das berühmte Nachwippen erklären. Wenn euer Fahrwerk nach einer Unebenheit stark bzw. lange nachwippt sind die Dämpfer entweder zu weich oder tot. Der Dämpfer hat also die Aufgabe die Schwingbewegung abzubremsen. Somit sorgt er dafür das der Wagen trotz der Bodenunebenheiten schnell wieder in eine stabile Lage zurückkehrt. Kaputte Dämpfer erkennt man neben dem Nachschwingen unter anderem auch an Poltern oder hartem Knallen, sollte der Dämpfer so tot sein das er auf Block geht. Ungleichmäßig abgefahrene Reifen können ebenso auf kaputte Dämpfer (oder eine verstellte Spur) hindeuten. Bei Öldruckdämpfern erkennt man einen Defekt auch gut an Ölnasen am Dämpfer. Die Dämpfer lassen sich aber leicht kontrollieren und sind auch Bestandteil der HU. Wenn hier etwas im Argen liegt wird der Prüfer einem dies schon mitteilen
Für ein ordentliches Fahrverhalten sollten also auch die Dämpfer entsprechend passend zum Gewicht und dem Fahrwerk des Autos gewählt werden. Ein zu weiches und unterdämpftes Fahrwerk führt zu dem berühmten schaukeligen Fahrverhalten, ein zu hartes Fahrwerk kann bei Bodenunebenheiten dafür sorgen das der Wagen die Unebenheiten nicht wegfedert sondern einfach an die Reifen weitergibt was dem Grip eher weniger zuträglich ist. Aus dem Grund gibt es auch nicht DIE Fahrwerksabstimmung! Für möglichst optimale Ergebnisse sollte ein Fahrwerkssetup immer dem Einsatzzweck angepasst sein. Ein bretthartes Sportfahrwerk ohne Feder- und Dämpferwege taugt beispielsweise mitnichten für die Nordschleife. Aus dem Grund gibt es bei Rennteams auch ganze Heerscharen von Ingenieuren und Mechanikern welche das Fahrwerk auf die Strecke und die Bedürfnisse des jeweiligen Fahrers abstimmen.
Vor dem Hintergrund hat es für die Ingenieure auch wenig Sinn gemacht ein Hardcore Sportfahrwerk in den Caprice einzubauen, da der Sinn des Wagens das komfortable Reisen über sehr lange Strecken ist und nicht die Rekordrunde auf der Norschleife zu fahren. Hier wählt man dann entsprechend ein komfortables und stabiles Setup da so etwas von den meisten Fahrern auf langen Strecken als angenehm empfunden wird. Der lange Radstand des Caprice kommt hier der Fahrstabilität positiv zu Gute womit wir wieder bei der alten Autofahrerweisheit "Länge läuft" wären.
Kleines Beispiel aus der Praxis:
Mein Peugeot hatte ab Werk schon ein ziemlich knüppeliges Fahrwerk. Auf topfebener Straße funktionierte dieses ganz gut und so konnte man den Wagen auch gut in die Kurve werfen. Nur bei Schlaglöchern und Bodenunebenheiten wurde es bei hohem Tempo gefährlich da sich die Bewegungen auf die Karosserie übertragen haben. In schnellen Kurven hat die Hinterachse so beispielsweise schon mal einen Satz zur Seite gemacht. Ebenso waren die Dämpfer so hart das man wirklich jede Unebenheit in der Straße gefühlt hat was soweit ging das man sogar spüren konnte wenn der Straßenbelag ganz leichte Wellen hatte, da der Wagen dann entsprechend mitgewippt ist. Für die Langstrecke ist ein solches Setup völlig untauglich da es dem Fahrer deutlich mehr Aufmerksamkeit abverlangt und für den Körper auch einfach anstrengender ist. Somit ermüden Körper und Geist deutlich schneller was mehr Pausen nötig macht, oder beim Verzicht darauf, die Gefahr eines Unfalls erhöht.
Beim Caprice ist es genau andersherum. Während das Fahrwerk vielleicht nicht unbedingt zum Kurvenräubern taugt, so ist es doch stabil und sehr komfortabel so das man selbst nach einer langen Strecke einigermaßen ausgeruht, entspannt und körperlich fit aus dem Auto aussteigt.
Wie man so ein Auto auf einen anderen Einsatzzweck anpassen kann als ursprünglich angedacht kann man dann beim Caprice 9C1 gut erfahren. Hier hat man wirklich alles auf hart getrimmt (ca. 400% mehr Feder- und Dämpferhärte) und dem Fahrwerk noch ein bisschen mehr Bodenfreiheit verpasst. So wird der Caprice selbst für so einen knapp 2 Tonnen Koloss sehr stabil und einigermaßen kurventauglich, allerdings auch merklich unbequemer bei Bodenunebenheiten. Hier kann man schon deutlich flotter um Kurven fahren, allerdings muss man auch den Mut dafür haben da man das dem Wagen so gar nicht zutrauen würde. Da die Police Package Autos aber eben auch bei höherem Tempo noch stabil liegen mussten und auch ein Grünstreifen oder eine Bordsteinkante kein Hindernis sein durften hat man das Setup dann eben entsprechend so angepasst. So kann es eben auch gehen
Stabilisator
Der Stabilisator verbindet die Räder an der jeweiligen Achse miteinander. Der Stabilisator ist im Prinzip nichts anderes wie eine große Stange, richtiger Fachausdruck Drehstabfeder, welche die Seitenneigung des Fahrzeugs massiv verringert. Der Stabilisator ist ein Paradebeispiel für ein kleines Teil welches das Fahrverhalten massiv aufwertet. Durch die Dicke/Stärke des jeweiligen Stabilisators kann man das Fahrverhalten in die gewünschte Richtung beeinflussen. Auch dies kommt dem Fahrkomfort und der Fahrstabilität zu Gute. Beim Caprice ist der vordere Stabilisator über die Koppelstangen mit den unteren Querlenkern verbunden. Der Stabilisator hat in der Funktionsweise starke Ähnlichkeit mit einer Drehstabfederung (wen wunderts?!) auf, welche beispielsweise bei Chrysler noch bis in die späten 80er zum Einsatz kam. Die Drehstabfeder war übrigens die erwähnte Erfindung welche sich die Amerikaner in Sachen Fahrwerk von den Deutschen, in dem Falle Herrn Dr. Porsche, abgeschaut hatten
Stabilisatorlager
Die Stabilisatorlager sorgen dafür das der Stabilisator in seiner Position bleibt und sich nicht wild umherwindet. Das Lager wird mit dem Stabilisator am Rahmen verschraubt und stellt damit die Verbindung des Stabilisators mit dem Rahmen dar.
Querlenker
Der Querlenker verbindet grob gesagt das Rad mit der Karosserie. Der Caprice hat zwei davon pro Rad an der Vorderachse, jeweils oben und unten. Soweit waren wir aber beim Thema Doppelquerlenkeraufhängung schon einmal
Auch in den Querlenkern stecken Gummilager und Kugelgelenke. Sind diese brüchig entsteht, Ihr ahnt es bereits, Spiel im Querlenker und das Fahrverhalten wird unpräzise und instabil. Die Querlenker selbst sind beim Caprice massiv überdimensioniert und gehen für gewöhnlich nur unter brutaler Gewaltanwendung kaputt. Im Prinzip kann man die Querlenker wiederverwenden, allerdings muss man dafür die Lager ein- und auspressen was mit großem Aufwand verbunden ist. Da es die Querlenker tutto completti neu gibt lohnt es sich finanziell gesehen gleich die komplett neuen Lenker zu nehmen. Die Lager selbst kosten auch gerne mal 40€ und die 30 € Aufpreis zu den fertigen Teilen hast du alleine durch die Arbeitsstunden für das Aus- und Einpressen schnell drin. Gerade die Traggelenke wehren sich gerne
Koppelstangen
Diese verbinden den Stabilisator mit dem unteren Querlenker, ergo der Lenkung und tragen somit Ihren Teil zum Fahrverhalten bei. Die Koppelstangen sind beim Caprice mit dem unteren Querlenker und dem Stabilisator verbunden wodurch die Verbindung zwischen Fahrwerk und Rahmen hergestellt wird.
Lenkgetriebe
Lenkgetriebe gibt es in mehreren Ausführungen. Die in Europa bekanntesten sind die Zahnstangen- sowie die Kugelumlauflenkung. Bevorzugt man heutzutage Zahnstangenlenkungen, unter anderem wegen Ihrer höheren Präzision, so waren früher Kugelumlauflenkungen weit verbreitet. Einer der Gründe dafür war unter anderem war Ihre Leichtgängigkeit was gerade bei großen und schweren Limousinen ein gern genutzter Vorteil war. Entsprechend haben einige Hersteller das Prinzip bis in die 90er hinein genutzt. Ein prominentes Beispiel wäre hier Mercedes oder eben wie hier General Motors. An den Lenkgetrieben verabschieden sich gerne mit der Zeit die Dichtungen was zu Ölverlust und damit zu erhöhtem Verschleiß bis zum Defekt des Lenkgetriebes führt. Auch dies macht sich durch ein großes Lenkspiel bemerkbar. Die Toleranzen sind hier nicht allzu hoch, wenn also großes Spiel vorhanden ist sollte man neben den Gelenken auch das Lenkgetriebe mal überprüfen.
Das Lenkgetriebe bildet das Bindeglied zwischen Lenkstange und den Lenkungsteilen wie dem Pitman Arm. Die Lenkstange überträgt die Bewegung des Lenkrades an das Lenkgetriebe welches dann die Bewegung an den Pitman Arm weitergibt. Der wiederum gibt die Bewegung an den Center Link und so weiter und sofort. Wenn man sich das Schaubild ansieht wird in etwa klar wie das Ganze funktioniert
Beim Caprice kam wohl eine 12,7:1 übersetzte, späte Version desr Saginaw 800er Serie zum Einsatz, eine Serie von Lenkgetrieben die für Ihre Langlebigkeit und lange Bauzeit bekannt sind. Das Saginaw ist so ein Beispiel für ein typisches GM Teil das sich bewährt hat und deshalb über Jahrzehnte, mehr oder weniger unverändert, in allen möglichen Autos gelandet ist. Angefangen bei den 50ern fanden sich die Saginaw Lenkgetriebe bis in die 2000er in GM Fahrzeugen wo Sie dann endgültig in allen Baureihen von Zahnstangenlenkungen abgelöst wurden. Auch wenn diese Lenkgetriebe sehr haltbar sind, so sind diese nicht unzerstörbar.
Kugelumlauflenkungen landen bis heute sehr gerne in schweren Trucks und LKW da Sie das lenken erleichtern was bei schweren Fahrzeugen, bei denen man viel rangieren muss, einen nicht unerheblichen Vorteil darstellt. Lenkpräzision im Nanometerbereich ist in diesem, eher grobschlächtigen Metier, nicht gefragt weshalb Sie dort auch bis heute noch verbaut werden. Früher waren Sie bei großen und schweren Limousinen sehr beliebt, weshalb beispielsweise Mercedes sehr lange auf diese Form der Lenkung gesetzt hat. Es soll heute noch Mercedes-Fans geben welche die gute alte Kugelumlauflenkung vermissen
Falloutboy aus dem US-Car Forum hatte sich mal die Mühe gemacht unter den folgenden Links ein bisschen was zu dem Thema zusammenzustellen:
https://www.motor-talk.de/.../Attachment.html?attachmentId=713523
https://www.motor-talk.de/.../...ring-gear-info-sammlung-t4214837.html
Fazit:
Die größte Schwachstelle am Fahrwerk des Caprice ist, wie bei so vielen Autos, also die Zeit. Das Alter kennt keine Gnade gegenüber den Gelenken und den Gummis. Da das Problem, wie bereits erwähnt, so ziemlich jedes Auto auf dem Markt betrifft hat der Aftermarket entsprechend reagiert. Heutzutage werden für einige Autos Polyurethan-Buchsen als Alternative für die herkömmlichen Gummibuchsen angeboten. Diese haben den Vorteil einer geringeren Empfindlichkeit gegenüber Alterungseinflüssen und somit einer, in der Theorie, höheren Haltbarkeit. Diese Haltbarkeit erkauft man sich aber teuer mit starken Einbußen im Fahrkomfort da die Dämpferwirkung der Gummibuchsen mehr oder weniger entfällt und so sämtliche Bewegungen und Geräusche gnadenlos auf das Auto übertragen werden. Geräusche und Bewegungen die das herkömmliche Gummilager problemlos geschluckt hätte. Man sollte sich also sehr genau überlegen ob man beim Tausch nicht doch lieber wieder auf Gummibuchsen setzt. Auch damit hat man erstmal ein paar Jahre seine Ruhe und die wenigsten fahren Ihr Auto so hart im Alltag als das man tatsächlich PU-Buchsen benötigt. Zu bedenken gilt es auch das Polybuchsen im originalen Fahrwerk gar nicht vorgesehen waren und so unter Umständen die Buchsen im Rekordtempo verschleißen oder sich durch die Bewegungen und Vibrationen welche das Gummilager geschluckt hat zu einem höheren Verschleiß der Gelenke führen. Man sollte sich also gut überlegen ob man sowas in seinem Alltagsauto wirklich haben möchte. Wer sein Auto zum Rennstreckentool umbauen möchte kommt um Polybuchsen eh nicht herum, aber da bewegen wir uns nicht selten schon außerhalb des Rahmens der Straßenverkehrszulassungsordnung
Service Vorderachse
Beim Caprice sind die meisten Achs- und Lenkungsteile mit Schmiernippeln ausgestattet. Das klingt jetzt für den Moment fürchterlich altmodisch, aber das Prinzip hat auch Vorteile. Werden die Achsteile regelmäßig abgeschmiert belohnen Sie einen mit einer langen Lebensdauer. Da auch das Schmiermittel altert und mit Verschmutzung durch äußere Einflüsse zu kämpfen hat macht es durchaus Sinn die Achsen regelmäßig abzuschmieren. Außerdem hält das Fett die Gummis geschmeidig (wenn man das richtige Fett nimmt!) was auch deren Lebenszeit verlängert. Bei modernen Fahrzeugen sind die schmierbaren Achsteile durch gekapselte Systeme mit Lifetimefüllungen ersetzt worden. Allerdings sind auch diese modernen Teile dem üblichen Verschleiß unterworfen und somit nicht unzerstörbar. Das Lifetimefüllungen nicht unbedingt gut sind kennen Fahrer von Automatikgetrieben bei denen die Hersteller dann irgendwann zurückgerudert sind und wieder einen Wechselintervall fürs Öl eingeführt haben. Der Grund waren defekte oder schlecht schaltende Getriebe die durch verschmutztes Öl Schaden genommen haben. Auch moderne Fahrwerke sind bei einigen Herstellern ab 100.000km grundsätzlich verdächtig für die ersten Defekte.
Zurück zum Caprice!
Fettpressen bekommt man heute immer noch, ich selbst habe mir damals eine von Würth incl. 2 Fettkartuschen aus der Bucht gefischt. Um die 35€ sollte man dafür einplanen. Am besten schmiert man die Achsteile bei jedem Ölservice ab, damit macht man absolut nichts verkehrt. Beim Caprice ist der Intervall mit gut 12.500km angegeben was ein durchschnittlicher Wert für die frühen 90er ist. Unter erschwerten Bedingungen (viel Hitze, viel Staub, viele Standzeiten oder einfach nur Polizeieinsatz) ist der Serviceintervall auf alle 6000km zu verkürzen. Ist man Wenig- bzw. Saisonfahrer, ist man mit einmal jährlich Service ganz gut bedient. Aufhängung und Lenkung werden es einem Danken! Der Caprice hat insgesamt 11 Schmiernippel an der Vorderachse die allesamt flott versorgt sind. Jeweils einer an den Spurstangenköpfen also insgesamt 4, 2 am Center Link, einer am Idler Arm. Die letzten befinden sich an den Traggelenken der Querlenker, in der Summe 4. Dies ergibt die genannten 11 Schmiernippel. Für diese Arbeit empfiehlt sich eine Hebebühne. Hält man sich an diese Servicetipps, so wird die Vorderachse entsprechend lange halten und es euch mit einer langen Haltbarkeit danken |
querlenker-gummi
b30d01b9-3d44-4ba0-ae1c-b69cb7dffea4
Nicht lachen, ist alles schon vorgekommen! Solche Billigfahrwerke gibt es in Europa und gerade auch in Deutschland zur Genüge! Man schaut sich da nur mal die jährliche Essen Motor Show an was da von so manchem "Tuner" auf einer Palette freudestrahlend zum eigenen Auto auf dem Parkplatz gekarrt wird.......
sla
dadfcf3b699ce842bae92610f113d5c4
hinterachse
center-link
idler-arm-pitman-arm
shocks
stabilisator
querlenker
lenkgetriebe
steering-ball-linkage


Sun Apr 12 13:38:21 CEST 2020 |
Zavage
Ziemlich interessanter Blogbeitrag. Deine Erklärungen sind im Prinzip auf einige Neuwagen bis heute so direkt übertragbar.
Kleine Anmerkung von mir: Mein Honda Accord (preislich im Passatbereich) hat vorne Doppelquerlenker und hinten eine Fünf-Achs-Doppelquerlenkerkonstruktion. Im Prinzip technisch wie ein Audi R8, fährt sich natürlich auch sehr gut. Aber wehe eine Gummibuchse wird alt
Auch mein Honda Civic aus 96 hat Doppelquerlenker vorne. Fuhr und fährt sich natürlich besser als es jeder Golf zu seiner Zeit gemacht hat.
Sun Apr 12 13:50:48 CEST 2020 |
Dynamix
Ich schrieb ja das der Beitrag nicht nur für US-Car Fahrer interessant ist weil sich die ganzen Prinzipien dahinter ja nicht verändert haben
Das mit den Gummibuchsen hatte ich im Artikel ja mehrfach erwähnt, dass muss man einfach bei jedem Fahrwerk im Blick haben. Polybuchsen sind für den Alltag in Sachen Komfort ja nicht unbedingt sinnig, da die Bewegung in den Fahrwerkslagern durchaus zum Funktionsprinzip des Fahrwerks gehören.
Zum Civic:
Das ist natürlich schon ne coole Sache das Honda sich da so viel Mühe gemacht hat!
Ich stehe ja auf solche übertriebenen Geschichten. Brauchen tut man das ja nicht unbedingt für den Alltag, weshalb ja die meisten Hersteller eher auf einfache und günstige Konstruktionen setzen die bei ganz normalem Alltagsgebrauch ja auch funktionieren.
Die Hersteller betreiben auf der anderen Seite heutzutage ja noch viel mehr Aufwand um Komfort und Sportlichkeit immer mehr unter einen Hut zu bekommen. Mercedes hat Fahrwerke die mal dank Sensoren, Radar, Kamera und GPS anfangen die Straße zu scannen und das Fahrwerk proaktiv abzustimmen. Normale Fahrwerke können ja immer nur auf das reagieren was Sie gerade verarbeiten sollen. Klar kostet sowas auch richtig Geld. Ich meine Mercedes will für sein Aktivfahrwerk mal eben 8000€ haben. Aber manchmal wird solche Technik ja mit weiterer Verbreitung und steigenden Stückzahlen auch deutlich günstiger.
Es bleibt also spannend und man darf gespannt sein was die Hersteller für die Zukunft hier noch alles so im Petto haben.
Sun Apr 12 13:56:52 CEST 2020 |
ElHeineken
Sehr schöne Zusammenfassung. Insbesondere den Teil bezüglich der Importkosten kann ich 1:1 unterschreiben ..
Sun Apr 12 13:58:56 CEST 2020 |
Dynamix
Leidvolle Erfahrung?
Sun Apr 12 14:29:40 CEST 2020 |
ElHeineken
Ja, bei mir waren es knapp unter 10.000 Euro reine Transport- und Zulassungskosten wobei man schon noch etwas hätte sparen können. Der Händler muss dafür noch Importzoll zahlen und Gewinn erwirtschaften. Auf jeden Fall ein teuer Spaß.
Die USA sind als Autoquelle auch nix für Anfänger, zumindest was ich mir da so an manchen Geschichten gehört habe
Sun Apr 12 14:39:10 CEST 2020 |
Dynamix
Kann ich nicht verleugnen, es gibt ja wie gesagt einige die sich da schon ne Grotte importiert haben die am Ende mehr gekostet hat als gleich ein vernünftiges Exemplar zu kaufen. Diese ganzen "ich kauf mir was billiges und baue das selber wieder auf" Stories sind am Ende so gut wie immer deutlich teurer als wenn man gleich das vernünftige Exemplar gekauft hätte. Auch wenn man es selber macht! Was hätte ich für die Kohle die in meinen Autos steckt für gute Caprice in den USA bekommen, aber das gehört halt auch irgendwo dazu. So weiß man am Ende wenigstens was man gemacht hat und was man an dem Wagen hat. Dafür legt man eben auch ordentlich Geld drauf!
Wer also nicht schrauben kann oder den Willen hat gutes Geld in die Hand zu nehmen wird mit so einer Herangehensweise eher nicht glücklich. Und um mal beim Thema des Artikels zu bleiben: Gerade so eine ordentliche Überholung des Fahrwerkes geht gut ins Geld
Wir haben das schon relativ günstig bekommen und waren trotzdem bei einem guten 4-stelligen Betrag.
Für so manchen wäre das schon der finanzielle Genickbruch! Aus dem Grund rate ich auch im Kaufberatungsforum immer davon ab wenn da wieder jemand auftaucht der meint für 5000€ den perfekten V8 zu bekommen der die nächsten 2-5 Jahre ohne auch nur eine einzige Reparatur auskommt. Oftmals herrscht ja auch der Irrglaube das mit dem Verfall des Kaufpreises auch die Ersatzteilpreise entsprechend fallen. Auch da hat der ein oder andere schon ein böses Erwachen erlebt als die Bremse oder ein Fahrwerksteil fast so viel kosten sollte wie der Wagen in der Anschaffung gekostet hat
Sun Apr 12 14:56:21 CEST 2020 |
ElHeineken
Das finde ich eh immer spannend. Alte Autos sind praktisch immer reparaturintensiv - mal mehr mal weniger. Auch wenn ein Wagen nur 30 Jahre in der Garage steht nagt der Zahn der Zeit trotzdem .. wie sagten meine Eltern so gerne: "Ist 'ne Sparbüchse, steckste ständig Geld rein" aber das muss es einem halt wert sein sonst issses nix.
Sun Apr 12 15:02:51 CEST 2020 |
Dynamix
Meine Eltern haben immer gesagt das Auto eben mit "Au" anfängt
Denke das trifft es gut. Wenn du ein altes Auto hast steckst du nicht selten viel Geld in die Technik und Optik wenn alles weiterhin funktionieren soll.
Das hast du bei neuen Autos nicht, aber dafür legst du das in der Anschaffung entsprechend drauf. Egal für welchen Weg man sich entscheidet, geschenkt bekommt man bei beiden nichts.
Sun Apr 12 15:13:34 CEST 2020 |
ToledoDriver82
Eine sehr gute Zusammenfassung
Sun Apr 12 19:11:25 CEST 2020 |
Trottel2011
Die Amis...
Die Vorderachse ist ja mal übertrieben kompliziert
Das konnte man in Britannien schon immer "besser"
Nein, ich denke alle Achsen haben ihre Vor- und Nachteile. Wenn bei der SLA Achse eine Buchse defekt ist, muss man nicht alles zerlegen. Und einzustellen gibt es da wohl auch sehr wenig (ich vermute "Toe" und "Castor" wäre alles. Und dann simpel über Exzenterschrauben... Bei der Jaguarvorderachse mit Doppelquerlenker (und zwar A-Frame) ist das echt eine Katastrophe. Die Achse muss dafür teilweise zerlegt werden...
Die Lenkung ist typisch Ami. Man hielt ja so lange an der Schlepparmlenkung (Drag Link) fest, dass man bei Mercedes schon weiter war
Und ich glaube der W210 hatte die noch (bitte korrigiert mich). So viele Gelenke und Buchsen und Verstellmöglichkeiten. Andererseits: wenn man einen Schlag auf die Lenkung bekommt, mehr Möglichkeiten wenige Teile nur tauschen zu müssen anstelle von einer ganzen Zahnstangenlenkung...
Spannend!
Sun Apr 12 19:23:21 CEST 2020 |
Dynamix
Mercedes hat ja, wie die Amerikaner auch, lange an der Kugelumlauflenkung festgehalten wo andere schon längst auf Zahnstange umgestiegen waren. Ich meine sogar das der 211er die noch gehabt haben müsste, die Hand dafür ins Feuer legen würde ich aber nicht. Ich weiß nur das es die im PKW Bereich noch bis in die 00er Jahre gab.
Aufwändiger als der billige MacPherson Kram den die meisten Autos heutzutage haben ist die SLA auf jeden Fall. Klar kann man alles verkomplizieren aber das muss eben auch nicht immer Vorteile haben
Edit sagt:
Einstellen kann man beim Caprice neben dem Nachlauf und der Spur auch noch den Sturz. Mehr gibt es da aber wirklich nicht. Den Rest gibt die Achse vor.
Sun Apr 12 19:26:37 CEST 2020 |
Trottel2011
Eben. Die VA am Spider mit 2 Doppelquerlenker ist etwas erfrischend Anderes...
Übrigens, die KUL ist nur ein Teil der Drag Link... Es gibt auch 'Steuerung Boxes' mit Ritzel und Zahnstange als auch andere Formen. Zwingend KUL muss nicht mit einem Schlepphebel verbunden sein
Sun Apr 12 19:30:22 CEST 2020 |
Dynamix
War jetzt auch nur auf den Artikel bezogen in dem es ja hauptsächlich um die Achse geht die im Artikel davor überholt worden ist
Das andere Hersteller das wieder anders gelöst haben ist mir auch klar.
Sun Apr 12 22:22:56 CEST 2020 |
Trottel2011
Hehe... Ich habe heute endlich eine Lieferung aus den USA erhalten, ja, Ostersonntag. Doof: ich brauche jetzt noch ein paar Kleinigkeiten... Grrr...
Tue Apr 14 14:42:29 CEST 2020 |
pico24229
Sehr interessanter und toll geschriebener Artikel. -Danke
Deine Antwort auf "Sheriff Tales: Die Vorderachse"