Medienbuchse ausbauen
Stichworte:
ausbauen, Medienbuchse
erstellt von:
anonym
am: 31.07.22 11:41
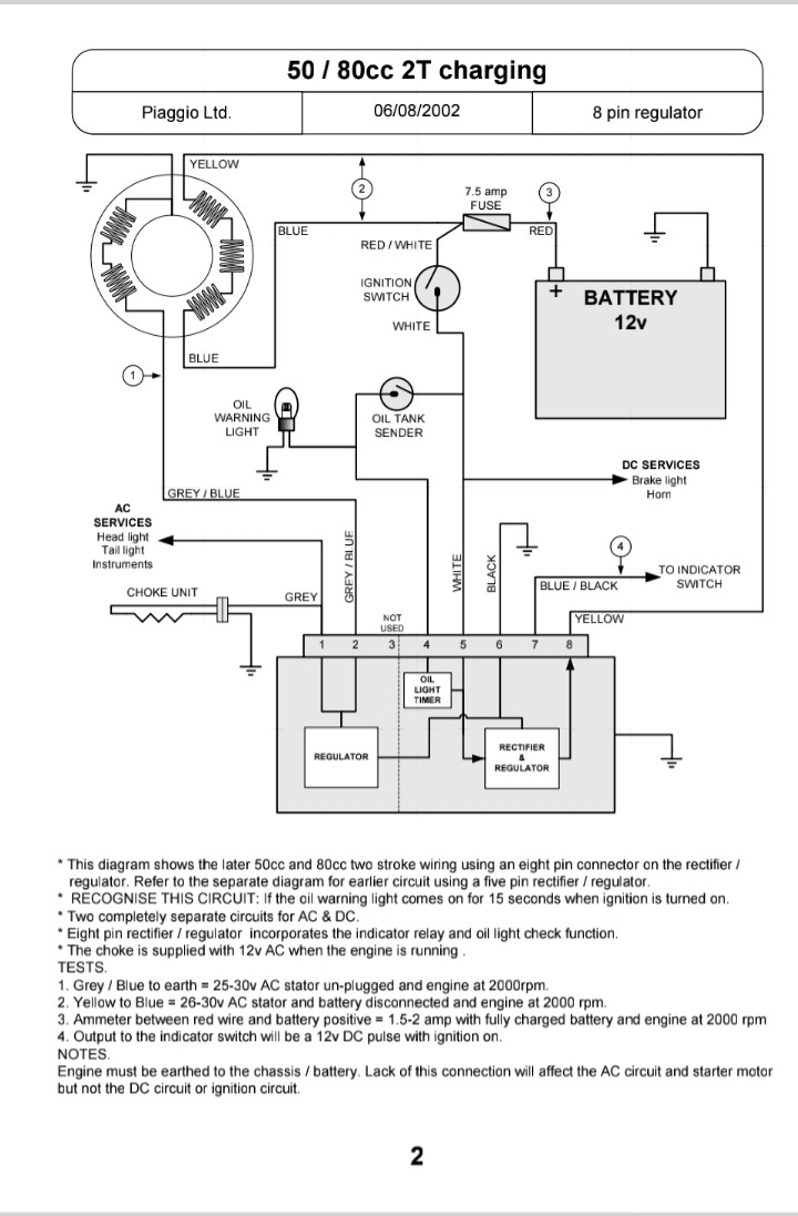
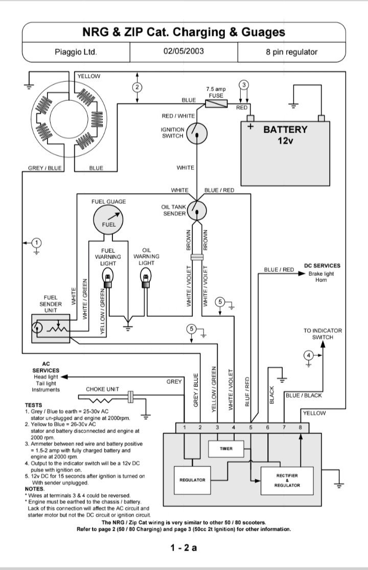
Korrekte Werte beim messen der Lichtmaschine
Stichworte:
Korrekte, Lichtmaschine, messen, Werte
erstellt von:
anonym
am: 24.07.22 17:36
Neuer S Max hybrid
Stichworte:
hybrid, Max, Neuer, S
erstellt von:
anonym
am: 24.01.21 19:48
Dieselfilter wechseln CAYC Golf 6 1,6 TDI Verständnisfrage
Stichworte:
Gehäuse Dieselfilter
erstellt von:
anonym
am: 17.03.15 07:36
Hinterachsausriss beim M3 mit Video
Stichworte:
Hinterachsausriss, M3, Video
erstellt von:
anonym
am: 31.07.09 10:18
Kotflügel hinten links reparieren
Stichworte:
Kotflügel
erstellt von:
anonym
am: 31.07.22 11:21
Autokauf von US Soldat
erstellt von:
anonym
am: 31.07.22 11:45
Zündapp DB 201, Motor geht nach ca. 20 km aus
erstellt von:
anonym
am: 18.04.13 19:34
G30 mit Dachbox oder G31: macht das Sinn?
erstellt von:
anonym
am: 28.07.22 10:08
Service/Kosten Audi A6 4G
Stichworte:
4G, A6, Audi, Service/Kosten
erstellt von:
anonym
am: 01.10.12 20:57
Undichtigkeit am Getriebe
erstellt von:
anonym
am: 31.01.20 12:26
Problem mit müffelnder Klima
Stichworte:
Klima, müffelnder, Problem
erstellt von:
anonym
am: 17.07.15 08:48
Was ist das?
Stichworte:
das
erstellt von:
anonym
am: 06.12.10 21:07