Zafira B 1.9 cdti läuft nur 2 Sekunden
erstellt von:
anonym
am: 30.12.23 23:01
Scheinwerfer Kabel mit Teilenummer A2035450328 ist durchgebrannt
Stichworte:
Kabelbaum, Licht VL, Mercedes, Mitsubishi
erstellt von:
anonym
am: 11.01.24 16:00
Scheunwerfer Xenon Reflektor CL 55 AMG 2001
erstellt von:
anonym
am: 11.01.24 00:48
S203 - Rückfahrsensoren / Abstandsanzeige ohne Funktion nach LED Tausch im Innenraum
Stichworte:
Abstandsanzeige, Funktion, Innenraum, LED, Rückfahrsensoren, S203, Tausch
erstellt von:
anonym
am: 08.01.24 12:07
Software-Aktualisierung Android Automotive+Fahrzeug (ab MJ22) - Updates - aktuelle Version=2.13.3
Stichworte:
ab, aktuelle, Android, Automotive+Fahrzeug, MJ22, Software-Aktualisierung, Updates, Version=2.13.3
erstellt von:
anonym
am: 05.10.21 11:21
Warteraum für den Passat B9
Stichworte:
B9, Passat, Warteraum
erstellt von:
anonym
am: 16.11.23 12:34
Interessante Auktionen für Volvo 850/V70I
erstellt von:
anonym
am: 23.02.13 09:41
Wo gehört diese mr Schlauch hin und was ist seine Funktion?
Stichworte:
Funktion, gehört, mr, Schlauch
erstellt von:
anonym
am: 08.01.24 02:05
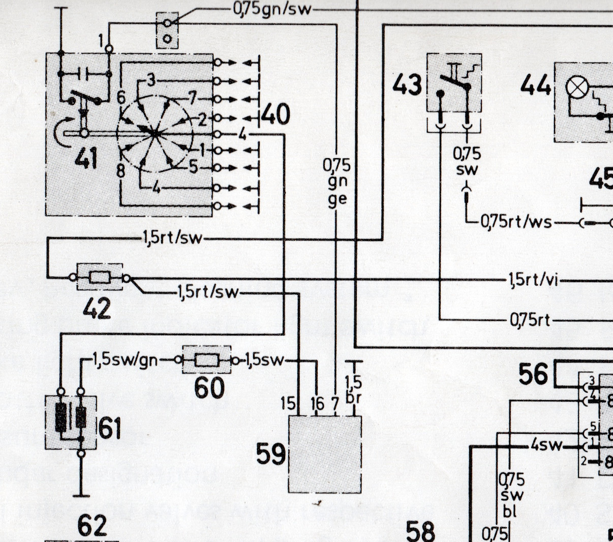
Unterdruck-Funktionsschema gesucht für M117.982
Stichworte:
gesucht, M117.982, Unterdruck-Funktionsschema
erstellt von:
anonym
am: 09.01.24 18:07
Poste deine Bilder des Tages (Bildersammlung)
erstellt von:
anonym
am: 20.05.23 19:36
My DS App funktioniert nicht
erstellt von:
anonym
am: 19.08.23 20:32
I4: Erfahrungen und Anmerkungen
erstellt von:
anonym
am: 28.02.22 19:27
Anschlussstutzen kühler automatikgetriebeölleitung....
Stichworte:
unterer anschluss automatikgetriebelölkühler w211
erstellt von:
anonym
am: 11.01.24 15:16
Anzeige der Klimaautomatik geht nicht mehr aus
Stichworte:
Anzeige, geht, Klimaautomatik
erstellt von:
anonym
am: 16.12.23 11:57
Verkaufe meinen Golf VII. Wie ist der Preis?
erstellt von:
anonym
am: 11.01.24 15:02
ESP Fehler Mercedes Benz W203
erstellt von:
anonym
am: 09.01.24 19:07
Fragen zu E-Auto Förderung/BAFA-Prämie
Stichworte:
E-Auto, Förderung/BAFA-Prämie, Fragen
erstellt von:
anonym
am: 19.01.20 08:55
OT Thread Zwei Punkt Null
Stichworte:
Null, OT, Punkt, Thread, Zwei
erstellt von:
anonym
am: 03.11.17 10:50
Reifen bzw. Felge erlaubt?
Stichworte:
bzw, erlaubt, Felge, Reifen
erstellt von:
anonym
am: 11.01.24 14:17
W211 e500 m273 mkl
erstellt von:
anonym
am: 11.01.24 14:49