Omega B - X25XE - Frage zum HV Anschuß des DIS-Moduls
Stichworte:
B, BJ.95, DYS-Modul, Omega, V6
erstellt von:
kurtberlin
am: 23.07.16 10:00
Omega B - X25XE - Frage zum HV Anschuß des DIS-Moduls
Stichworte:
B, BJ.95, DYS-Modul, Omega, V6
erstellt von:
remadami
am: 23.07.16 10:00
Omega B - X20XEV - Öldruck schlagartig weg
Stichworte:
B, ldruck, Omega, schlagartig, X20XEV
erstellt von:
kurtberlin
am: 20.07.16 20:53
Fehlercode auslesen Omega B 2.0 16V
Stichworte:
16V, 2.0, auslesen, B, Fehlercode, Omega
erstellt von:
kurtberlin
am: 28.11.02 09:07
Omega B - Wasser im Fußbereich Beifahrerseite
Stichworte:
B, Beifahrerseite, Fußbereich, Omega, Wasser
erstellt von:
multi.1
am: 19.06.16 16:05
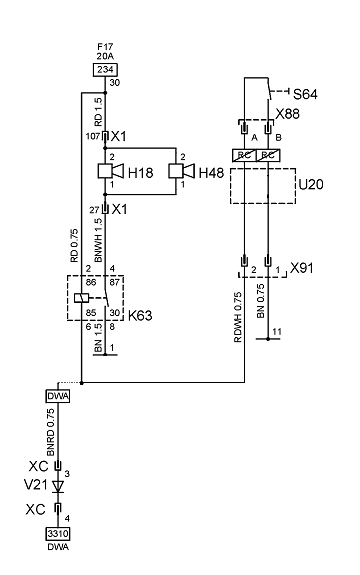
Omega B - FL - Hupen-Relais
Stichworte:
B, FL, Hupen-Relais, Omega
erstellt von:
kurtberlin
am: 15.07.16 15:04
Omega B - Y22DTH - Einige kleinere und größere Probleme
Stichworte:
Facelift, gebrauchten, größere, kleinere, neuem, Omega, Probleme
erstellt von:
kurtberlin
am: 16.07.16 16:10
Omega B - FL - Hupen-Relais
Stichworte:
Hupe, omega, Relais
erstellt von:
rosi03677
am: 15.07.16 15:04
Omega B - FL - Hupen-Relais
Stichworte:
Hupe, omega, Relais
erstellt von:
kurtberlin
am: 15.07.16 15:04
Omega B - FL - Limo - 12 V Steckdose, Einbau im Kofferraum an Dauerplus über Batteriewächter
Stichworte:
12, B, Batteriewächter, Dauerplus, Einbau, FL, Kofferraum, Limo, Omega, Steckdose, V
erstellt von:
omega222
am: 07.06.12 15:44
Omega B - VFL - V6 - wie Fehlercode 69 beheben?
Stichworte:
69, B, beheben, Fehlercode, Omega, V6, VFL
erstellt von:
kurtberlin
am: 10.07.16 05:15
Omega B - Y/Z22XE - Welche Krümmer-Stehbolzen?
Stichworte:
B, Krümmer-Stehbolzen, Omega, Y/Z22XE
erstellt von:
kurtberlin
am: 12.07.16 21:05
Omega B - Y22DTH - Unterdruckschläuche richtig anschliessen
Stichworte:
anschliessen, B, Omega, richtig, Unterdruckschläuche, Y22DTH
erstellt von:
SLira
am: 12.07.16 16:11
Omega B - KFL - Schüsselkopf-FB ohne Funktion, FOH konnte auch nicht helfen?
Stichworte:
B, FOH, Funktion, helfen, KFL, konnte, Omega, Schüsselkopf-FB
erstellt von:
kurtberlin
am: 12.07.16 23:08