Omega B - FL - Türschließ-Problem Fahrertür mit der FB
Stichworte:
B, Fahrertür, FB, FL, Omega, Türschließ-Problem
erstellt von:
anonym
am: 13.01.22 11:20
Teilemarkt Omega & Senator Forum
Stichworte:
Forum, Omega, Senator, Teilemarkt
erstellt von:
anonym
am: 13.09.20 23:44
Teilemarkt Omega & Senator Forum
Stichworte:
Forum, Omega, Senator, Teilemarkt
erstellt von:
anonym
am: 13.09.20 23:44
Omega B2: Sonnenrollo rollt nicht auf
Stichworte:
B2, Omega, rollt, Sonnenrollo
erstellt von:
anonym
am: 23.09.23 18:20
Was habt Ihr heute alles Gutes für Euren Omega & Senator getan?
Stichworte:
getan, Gutes, habt, heute, Omega, Senator
erstellt von:
anonym
am: 06.12.14 13:42
Omega B - Y26SE - Fehlercode P0130 & P0150
Stichworte:
B, Fehlercode, Omega, P0130, P0150, Y26SE
erstellt von:
anonym
am: 27.04.22 19:10
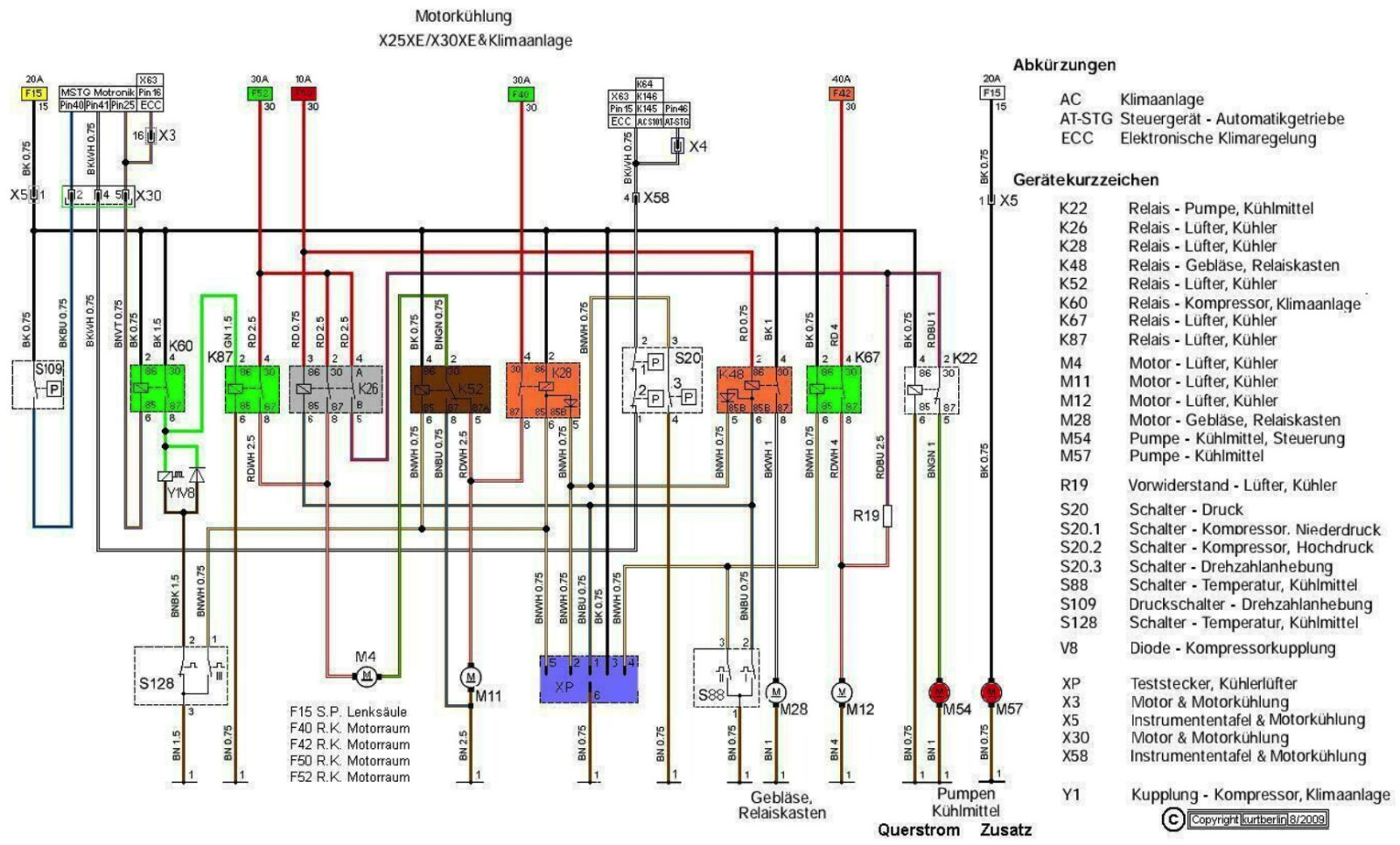
Omega B - X30XE - FL - Temperatur geht in den roten Bereich
Stichworte:
B, Bereich, FL, geht, Omega, roten, Temperatur, X30XE
erstellt von:
anonym
am: 30.08.17 16:02
Omega B - X30XE - FL - Temperatur geht in den roten Bereich
Stichworte:
B, Bereich, FL, geht, Omega, roten, Temperatur, X30XE
erstellt von:
anonym
am: 30.08.17 16:02
Was habt Ihr heute alles Gutes für Euren Omega & Senator getan?
Stichworte:
getan, Gutes, habt, heute, Omega, Senator
erstellt von:
anonym
am: 06.12.14 13:42
Suche China-Kracher für Omega B und Vectra B!
Stichworte:
B, China-Kracher, Omega, Suche, Vectra
erstellt von:
anonym
am: 06.09.23 13:16
Omega B - X25XE - Ohne Tüv, wieder fertig machen
Stichworte:
B, fertig, Omega, Tüv, X25XE
erstellt von:
anonym
am: 02.09.23 17:30
Omega B - X25XE - Ohne Tüv, wieder fertig machen
Stichworte:
Omega
erstellt von:
anonym
am: 02.09.23 17:30
Omega B - Y/Z22XE - Fehlercode auslesen nicht möglich
Stichworte:
16V, 2.2, auslesen, B, Fehlercode, möglich, Omega
erstellt von:
anonym
am: 28.08.23 15:27
Omega B - V8 - Nur ne Studie oder Realität?
Stichworte:
B, ne, Omega, Realität, Studie, V8
erstellt von:
anonym
am: 15.01.13 21:39
Omega B - X30XE - FL - Temperatur geht in den roten Bereich
Stichworte:
B, Bereich, FL, geht, Omega, roten, Temperatur, X30XE
erstellt von:
anonym
am: 30.08.17 16:02
Omega B - Unterschiede Kotflügel, VFL/FL
Stichworte:
B, FL, Kotflügel, Omega
erstellt von:
anonym
am: 26.08.23 10:10
Was habt Ihr heute alles Gutes für Euren Omega & Senator getan?
Stichworte:
getan, Gutes, habt, heute, Omega, Senator
erstellt von:
anonym
am: 06.12.14 13:42
Omega B - X30XE - FL - Temperatur geht in den roten Bereich
Stichworte:
B, Bereich, FL, geht, Omega, roten, Temperatur, X30XE
erstellt von:
anonym
am: 30.08.17 16:02
Omega B - X30XE - FL - Temperatur geht in den roten Bereich
Stichworte:
B, Bereich, FL, geht, Omega, roten, Temperatur, X30XE
erstellt von:
anonym
am: 30.08.17 16:02
Omega B - X30XE - FL - Temperatur geht in den roten Bereich
Stichworte:
B, Bereich, FL, geht, Omega, roten, Temperatur, X30XE
erstellt von:
anonym
am: 30.08.17 16:02